- 易迪拓培训,专注于微波、射频、天线设计工程师的培养
由集成电路和双向可控硅构成的自动调压式稳压电源电路
录入:edatop.com 点击:
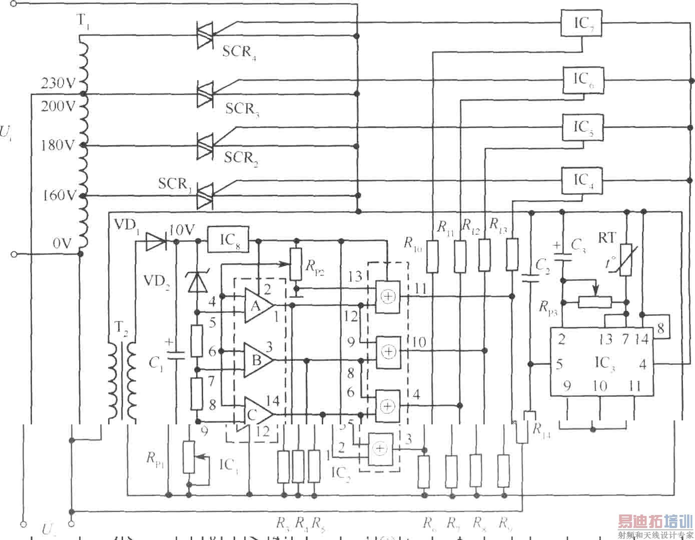
电源电路如图所示。ICl等元件组成电压比较器。当电网电压变化时,经VD,整流、Cl滤波后的直流电压也跟着变化。此变化电压作为取样电压与稳定的直流电压进行比较。随着电网电压由低到高的变化,电压比较器A、B、C逐渐都输出低电平。
图中,T1:自耦变压器;Y2:取样变压器;ICl:LM339;IC2:CD4070;IC3:TWH9205; IC4~IC7:TWH8778;IC8:W7806;电阻Rl、R2:150Ω;R3~R9:10kΩ;Rl0~Rl3:20kΩ;R14:20kΩ、4W;热敏电阻RT:47kΩ;RPl:680Ω;Rp2:4.7kΩ;Rp3:100kΩ;Cl:47μFl6V;C2:0.1μF;C3:100μF16V;VD1:lN4002;VD2:2CW54;可控硅SCRl~SCR4可据负载功率的大小来合理选择。

图中,T1:自耦变压器;Y2:取样变压器;ICl:LM339;IC2:CD4070;IC3:TWH9205; IC4~IC7:TWH8778;IC8:W7806;电阻Rl、R2:150Ω;R3~R9:10kΩ;Rl0~Rl3:20kΩ;R14:20kΩ、4W;热敏电阻RT:47kΩ;RPl:680Ω;Rp2:4.7kΩ;Rp3:100kΩ;Cl:47μFl6V;C2:0.1μF;C3:100μF16V;VD1:lN4002;VD2:2CW54;可控硅SCRl~SCR4可据负载功率的大小来合理选择。

射频工程师养成培训教程套装,助您快速成为一名优秀射频工程师...
天线设计工程师培训课程套装,资深专家授课,让天线设计不再难...
上一篇:1000W自动调压交流稳压电源电路
下一篇:330W交流稳压电源电潞
射频和天线工程师培训课程详情>>

