- 易迪拓培训,专注于微波、射频、天线设计工程师的培养
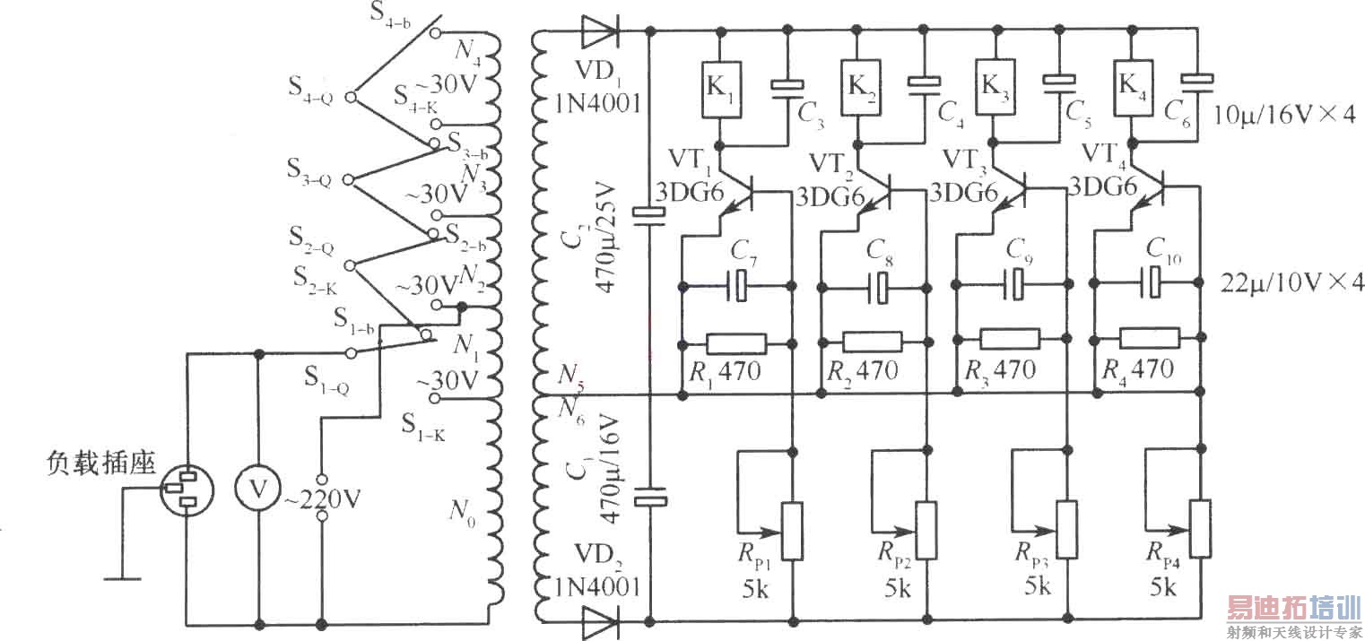
晶体管交流调压器电路
录入:edatop.com 点击:

该调压器额定功率为110W,即输出电压为220V,输出电流为0.5A。它能将100~270V电压自动调节在180~240V之间,适用电网电压不稳定地区家庭中的电视机、电冰箱、洗衣机等家用电器。
电路如图所示。它由一只自耦变压器和四级晶体管控制电路组成。当电网电压比较正常,为220V左右时,第二级控制电路工作,晶体管VT2导通,驱动继电器K2吸合,输出电压与电网电压相同,均为220V左右。当电网电压低于190V时,由于次级电压降低,迫使VT2截止,K2释放,VT3导通,K3吸合,使输出电压提升了30V。依次类推,直到电网电压低于130V时,使次级电压没有能力使4个继电器的任何一个动作,输出电压提升了90V,输出电压为220V。当电网电压高于240V时,VTl导通,Kl吸合,输出降低30V。
变压器铁芯采用XCD12.5×25×50;初级线圈升压部分用线径为Φ0.58的漆包线;其余的用Φ0.29的绕线;次级用Φ0.27mm的线绕。N0=1751匝,N1=N2=N3=N4=276匝;N5=153匝,N6=41匝。
射频工程师养成培训教程套装,助您快速成为一名优秀射频工程师...
天线设计工程师培训课程套装,资深专家授课,让天线设计不再难...
上一篇:200W自动调压式交流稳压电源电路
下一篇:500W家用交流自动调压器电路
射频和天线工程师培训课程详情>>

