- 易迪拓培训,专注于微波、射频、天线设计工程师的培养
15W三路输出DC/DC模块电源设计
录入:edatop.com 点击:
本文介绍了一种UC3843控制的小功率多路DC/DC模块电源的详细设计过程,重点讨论了多路输出模块电源设计与单路输出的不同,详细介绍了DC/DC模块电源中常用的新型芯片UC3843的外围电路参数的设计,给出了多路输出模块电源中变压器和耦合电感的设计过程及满足各项性能指标应注意的各种问题。
DC/DC模块已被广泛应用于铁路通信、微波通讯、工业控制、船舶电子、航空电子、 地面雷达、消防设备和医疗器械教学设备等诸多领域,其中有许多应用场合需要多路输出,如在单片机智能控制器中,单片机供电需要5V,而运放通常需要12V。在设计多路输出时,有许多地方和单路输出不同,既要考虑变压器管脚限制、多副边变压器设计、各路的稳压电路实现,又要考虑每路轻载及满载的负载调整率,以及负载的交叉调节特性等。本文将通过一个给单片机智能控制器供电的15W三路模块电源的设计实例来详细说明多路输出模块电源的设计。

模块电源的工作原理
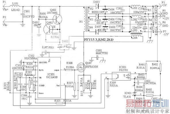
本文针对单片机主板供电电源所设计的多路输出开关电源如图1所示,其中电感L201、 L202、L203是耦合电感,L204是偏置绕组,由于变压器管脚限制,取自耦合电感。
电源工作原理如下:电路采用单端正激变换电路,当变换器接通电源时,输入直流电压经由电阻、12V稳压管D601和三极管Q601、Q602组成的电路稳压降压后, 启动UC3843进入正常工作,偏置绕组L204的供电电路开始工作,输出经A4和C601整流及滤波后输出12V电压,高于自供电电压,使二极管A4反偏,启动电路停止工作。变换器进入正常工作后,电源依据PWM脉宽调制方式工作,次级绕组的输出经过二极管整流以及电容器和电感器组成的LC型滤波器滤波后,产生所需的各路输出直流电压。+5V的输出电压由电阻器R402和R406分压后,与可编程稳压源TL431(U3)中的2.5V参考电压比较,然后通过光耦合器U2反馈到UC3843的2脚,控制脉冲的占空比,稳定5V输出。耦合电感L202和L203实现+/-12V两路稳压。过流保护电阻R101、R102检测到开关管的过流信号,送入3843的3脚,封锁UC3843的输出信号,实现过流保护。
设计方案选择
DC/DC模块电源以中小功率为主,功率大都在150W之下,采用的电路拓扑以反激和正激电路为主,有时也采用推挽电路,电源要求体积小,设计时全部采用贴片元件。本模块的主控芯片采用UC3843。
对于多路输出,如果每路输出电压精度要求高,则每路都应设计自己独立的闭环稳压回路。如果只有一路是重要的负载,其他路负载较轻,并对于输出电压精度要求不是很严格,则只需给重要负载所在回路加反馈控制回路。本模块的三路输出中,由于5V输出是比较重要的负载,输出电流最大(2A),12V是运算放大器供电电源, 允许电压在1"2V范围变化,电流较小(0.25A),所以只在5V主路所在回路加稳压电路,+/-12V附路的稳压性能靠耦合电感实现。
单路输出时,滤波电感采用独立电感,但对多路输出,输出滤波电感不能采用独立电感,而采用耦合电感,将三路的输出滤波电感共同绕在一个磁芯上。这是由于只有5V主路受控,使得5V输出电压输出特性较好,而+/-12V两路较差,如果用独立电感,会产生以下问题:首先是交叉调节问题,即主路或附路的负载变动应起附路的附路的输出电压波动的问题;其次各路输出有自己的滤波器,谐振点不同,变换器只一路受控,由于谐振频率点的高阻抗特性,引起闭环环路增益下降和相移,对电流型控制回路影响特别严重。采用耦合电感,可降低制造成本,减小电源体积,满足体积要求。
UC3843外围电路设计
开关频率选择
本电源设置开关频率为250kHz,UC3843工作频率可达500kHz,4脚是RT/CT锯齿波振荡器的定时电阻和电容的公共端.
启动电路设计
直流电压经电阻、12V稳压管D601和三极管Q601、Q602组成的电路降压稳压后,为UC3843提供启动电压。启动电压高于8.4V时UC3843才能工作,如果启动电压低,则可通过调整R601和R602的阻值来实现9.6V的启动电压。
过流保护电路设计
R101、R102为过流检测电阻,阻值较小,以降低电阻上的损耗。检测电压送入UC3843的3脚,高于1V时,过流保护电路工作,使6脚停止输出矩形波,电路停止工作。此外还可利用UC3843的1脚电压低于两个二极管压降时UC3843即关闭的特性给电源加上遥控端。
反馈误差放大器设计
R302和R303构成积分型调节器,两者的比例关系影响系统的动态特性。改变它们的比值可以改变UC3843电压误差放大器的放大倍数,对于一定的反馈电压量,可使PWM调节器的输出脉宽不同,从而影响输出电压调节幅度,即影响指标中输出的动态响应调节幅度。积分器的电容C305的大小影响系统的调节速度,即影响指标中输出的动态响应时间。
高频变压器的设计
高频变压器磁性材料选择的标准为高饱和磁感应,低剩磁。多路输出变压器一般要求有较大的窗口面积,DC/DC模块电源可选用FEY型、FEE型、EUI型等,对于正激电路,理论上变压器初级需有复位绕组Nr,这里考虑到变压器脚位的问题,选取高饱和磁感应强度的磁材,而去掉复位绕组,这样使每次磁性都在磁化曲线的下部工作,避免磁芯饱和。
考虑高温时饱和磁感应强度Bs会下降,同时为降低高频工作时的磁芯损耗,工作最大磁感应在一般选择为2000"2500Gs。这里选取高饱和磁感应强度的磁材RM2.2KD,饱和磁感应强度为440mT。
根据厂家给出的磁芯材料手册给出的输出功率与磁芯尺寸的关系。这里选用了FEY15.3磁芯,其有效截面积为182mm2。
经计算,绕组匝数如下:原边N1为16匝,5V主路变压器的副边N2为4匝, +12V附路变压器的副边N3为10匝,-12V附路变压器的副边N4为10匝。
绕制时由于原边、主路副边电流较大,为减小漏感,分别采用双线并绕法,及三线并绕法。
输出耦合电感设计
在采用一路受控,其余两路依靠耦合电感稳压的控制方式时,为了把辅助输出电压调节保持在1V的稳定范围内,多路输出时,主输出的电感及每路电感要求工作在电感连续状态。
耦合电感的设计方法不同于单路输出的电感,它的设计方法是先进行高压支路到低压支路的折算, 根据总输出电流按单线圈选取磁芯,得到总导线截面积以及线圈导线尺寸、匝数。最后再分配到各支路,根据各路实际电流和次级匝比得到各线圈匝数和尺寸。
本模块中电流连续模式电感磁芯采用与变压器相同的材料,仍为FEY15.3。
电感匝数的选择首先要满足电感的匝数比等于主变压器的输出绕组的匝数比,在各路用相应的变压器匝数乘以2或3倍来设计电感匝数。这里选变压器匝数的3倍,正好可以双线并绕填满窗口宽度。则V01路输出电感匝数NL201为12匝,V02路输出电感匝数NL02为30匝,V03路输出电感匝数NL203为30匝。偏置绕组NL204为UC3843提供12V工作电压,由于它的输出电压等于V02,所以其匝数也为30匝。
为了满足负载调整率,互感必须很好耦合。所以在缠绕各个组时,应当使用相同线径的几条导线并排缠绕,并覆盖整个骨架的宽度。
其他注意事项
(1) 在输出需要隔离的情况下,应提供一条可供漏级驱动的位移电流从特定输出流回电源初级的低抗回路。此低阻抗回路通常是一个连接在输出接地端到主要的次级接地端上的电容(由特定输出需要的绝缘电压确定适当值),此输出接地端通过安全电容Y与初级接地端连接,如图1中的电容C001连接在隔离的交流3.4V输出接地端与主要的电源输出端之间。如果没有为隔离的输出提供此低阻抗电容通道,由变压器绕组间电容传送的共模位移电流将通过任何可供选择的路线返回其位于变压器初级的源端,而通过交流输入导线传输的位移电流可能足以导致超过规定的传输调整指标。这种类型的电路是否需要附加电容依变压器的绕组间电容而决定,如果隔离输出与初级间的电容足够小,可以不用此附加电容。但是必须经测试验证此附加元件的必要性。此外,没有此元件,开关管DS波形会发生振荡。
(2)除了要注意满载时输出的调整率,还要顾及轻载甚至空载输出的调整率。为了防止空载时输出电压太高而损坏输出整流管,必须给每路输出均加上死负载,死负载值大小可以用实验方法确定,本模块中给主路加430W,附路加1.5KW。死负载加得太大,会降低效率。另外主路和附路之间的死负载要配合调整,以满足附路的电压范围。
(3)输出空载电压可由TL431的分压电阻确定,当空载输出电压低时,可减小R406,保证TL431的2.5V基准,通过调整分压电阻R402、R406的比值可调整输出空载电压。当不能满足空载负载调整率时,可适当改变整流管参数。
(4)在布局布线时,各个元器件依照原理图次序依次摆放,开关管漏极与变压器原边的连线要尽量短,UC3843所有的外围元器件要尽可能靠近它自己,尤其是去耦电容和旁路电容必须布在相应的管脚附近,必须在变压器、开关管等发热器件附近通过多个过孔把地层与散热焊盘相连以提高散热效果。
DC/DC模块已被广泛应用于铁路通信、微波通讯、工业控制、船舶电子、航空电子、 地面雷达、消防设备和医疗器械教学设备等诸多领域,其中有许多应用场合需要多路输出,如在单片机智能控制器中,单片机供电需要5V,而运放通常需要12V。在设计多路输出时,有许多地方和单路输出不同,既要考虑变压器管脚限制、多副边变压器设计、各路的稳压电路实现,又要考虑每路轻载及满载的负载调整率,以及负载的交叉调节特性等。本文将通过一个给单片机智能控制器供电的15W三路模块电源的设计实例来详细说明多路输出模块电源的设计。

模块电源的工作原理
本文针对单片机主板供电电源所设计的多路输出开关电源如图1所示,其中电感L201、 L202、L203是耦合电感,L204是偏置绕组,由于变压器管脚限制,取自耦合电感。
电源工作原理如下:电路采用单端正激变换电路,当变换器接通电源时,输入直流电压经由电阻、12V稳压管D601和三极管Q601、Q602组成的电路稳压降压后, 启动UC3843进入正常工作,偏置绕组L204的供电电路开始工作,输出经A4和C601整流及滤波后输出12V电压,高于自供电电压,使二极管A4反偏,启动电路停止工作。变换器进入正常工作后,电源依据PWM脉宽调制方式工作,次级绕组的输出经过二极管整流以及电容器和电感器组成的LC型滤波器滤波后,产生所需的各路输出直流电压。+5V的输出电压由电阻器R402和R406分压后,与可编程稳压源TL431(U3)中的2.5V参考电压比较,然后通过光耦合器U2反馈到UC3843的2脚,控制脉冲的占空比,稳定5V输出。耦合电感L202和L203实现+/-12V两路稳压。过流保护电阻R101、R102检测到开关管的过流信号,送入3843的3脚,封锁UC3843的输出信号,实现过流保护。
设计方案选择
DC/DC模块电源以中小功率为主,功率大都在150W之下,采用的电路拓扑以反激和正激电路为主,有时也采用推挽电路,电源要求体积小,设计时全部采用贴片元件。本模块的主控芯片采用UC3843。
对于多路输出,如果每路输出电压精度要求高,则每路都应设计自己独立的闭环稳压回路。如果只有一路是重要的负载,其他路负载较轻,并对于输出电压精度要求不是很严格,则只需给重要负载所在回路加反馈控制回路。本模块的三路输出中,由于5V输出是比较重要的负载,输出电流最大(2A),12V是运算放大器供电电源, 允许电压在1"2V范围变化,电流较小(0.25A),所以只在5V主路所在回路加稳压电路,+/-12V附路的稳压性能靠耦合电感实现。
单路输出时,滤波电感采用独立电感,但对多路输出,输出滤波电感不能采用独立电感,而采用耦合电感,将三路的输出滤波电感共同绕在一个磁芯上。这是由于只有5V主路受控,使得5V输出电压输出特性较好,而+/-12V两路较差,如果用独立电感,会产生以下问题:首先是交叉调节问题,即主路或附路的负载变动应起附路的附路的输出电压波动的问题;其次各路输出有自己的滤波器,谐振点不同,变换器只一路受控,由于谐振频率点的高阻抗特性,引起闭环环路增益下降和相移,对电流型控制回路影响特别严重。采用耦合电感,可降低制造成本,减小电源体积,满足体积要求。
UC3843外围电路设计
开关频率选择
本电源设置开关频率为250kHz,UC3843工作频率可达500kHz,4脚是RT/CT锯齿波振荡器的定时电阻和电容的公共端.
启动电路设计
直流电压经电阻、12V稳压管D601和三极管Q601、Q602组成的电路降压稳压后,为UC3843提供启动电压。启动电压高于8.4V时UC3843才能工作,如果启动电压低,则可通过调整R601和R602的阻值来实现9.6V的启动电压。
过流保护电路设计
R101、R102为过流检测电阻,阻值较小,以降低电阻上的损耗。检测电压送入UC3843的3脚,高于1V时,过流保护电路工作,使6脚停止输出矩形波,电路停止工作。此外还可利用UC3843的1脚电压低于两个二极管压降时UC3843即关闭的特性给电源加上遥控端。
反馈误差放大器设计
R302和R303构成积分型调节器,两者的比例关系影响系统的动态特性。改变它们的比值可以改变UC3843电压误差放大器的放大倍数,对于一定的反馈电压量,可使PWM调节器的输出脉宽不同,从而影响输出电压调节幅度,即影响指标中输出的动态响应调节幅度。积分器的电容C305的大小影响系统的调节速度,即影响指标中输出的动态响应时间。
高频变压器的设计
高频变压器磁性材料选择的标准为高饱和磁感应,低剩磁。多路输出变压器一般要求有较大的窗口面积,DC/DC模块电源可选用FEY型、FEE型、EUI型等,对于正激电路,理论上变压器初级需有复位绕组Nr,这里考虑到变压器脚位的问题,选取高饱和磁感应强度的磁材,而去掉复位绕组,这样使每次磁性都在磁化曲线的下部工作,避免磁芯饱和。
考虑高温时饱和磁感应强度Bs会下降,同时为降低高频工作时的磁芯损耗,工作最大磁感应在一般选择为2000"2500Gs。这里选取高饱和磁感应强度的磁材RM2.2KD,饱和磁感应强度为440mT。
根据厂家给出的磁芯材料手册给出的输出功率与磁芯尺寸的关系。这里选用了FEY15.3磁芯,其有效截面积为182mm2。
经计算,绕组匝数如下:原边N1为16匝,5V主路变压器的副边N2为4匝, +12V附路变压器的副边N3为10匝,-12V附路变压器的副边N4为10匝。
绕制时由于原边、主路副边电流较大,为减小漏感,分别采用双线并绕法,及三线并绕法。
输出耦合电感设计
在采用一路受控,其余两路依靠耦合电感稳压的控制方式时,为了把辅助输出电压调节保持在1V的稳定范围内,多路输出时,主输出的电感及每路电感要求工作在电感连续状态。
耦合电感的设计方法不同于单路输出的电感,它的设计方法是先进行高压支路到低压支路的折算, 根据总输出电流按单线圈选取磁芯,得到总导线截面积以及线圈导线尺寸、匝数。最后再分配到各支路,根据各路实际电流和次级匝比得到各线圈匝数和尺寸。
本模块中电流连续模式电感磁芯采用与变压器相同的材料,仍为FEY15.3。
电感匝数的选择首先要满足电感的匝数比等于主变压器的输出绕组的匝数比,在各路用相应的变压器匝数乘以2或3倍来设计电感匝数。这里选变压器匝数的3倍,正好可以双线并绕填满窗口宽度。则V01路输出电感匝数NL201为12匝,V02路输出电感匝数NL02为30匝,V03路输出电感匝数NL203为30匝。偏置绕组NL204为UC3843提供12V工作电压,由于它的输出电压等于V02,所以其匝数也为30匝。
为了满足负载调整率,互感必须很好耦合。所以在缠绕各个组时,应当使用相同线径的几条导线并排缠绕,并覆盖整个骨架的宽度。
其他注意事项
(1) 在输出需要隔离的情况下,应提供一条可供漏级驱动的位移电流从特定输出流回电源初级的低抗回路。此低阻抗回路通常是一个连接在输出接地端到主要的次级接地端上的电容(由特定输出需要的绝缘电压确定适当值),此输出接地端通过安全电容Y与初级接地端连接,如图1中的电容C001连接在隔离的交流3.4V输出接地端与主要的电源输出端之间。如果没有为隔离的输出提供此低阻抗电容通道,由变压器绕组间电容传送的共模位移电流将通过任何可供选择的路线返回其位于变压器初级的源端,而通过交流输入导线传输的位移电流可能足以导致超过规定的传输调整指标。这种类型的电路是否需要附加电容依变压器的绕组间电容而决定,如果隔离输出与初级间的电容足够小,可以不用此附加电容。但是必须经测试验证此附加元件的必要性。此外,没有此元件,开关管DS波形会发生振荡。
(2)除了要注意满载时输出的调整率,还要顾及轻载甚至空载输出的调整率。为了防止空载时输出电压太高而损坏输出整流管,必须给每路输出均加上死负载,死负载值大小可以用实验方法确定,本模块中给主路加430W,附路加1.5KW。死负载加得太大,会降低效率。另外主路和附路之间的死负载要配合调整,以满足附路的电压范围。
(3)输出空载电压可由TL431的分压电阻确定,当空载输出电压低时,可减小R406,保证TL431的2.5V基准,通过调整分压电阻R402、R406的比值可调整输出空载电压。当不能满足空载负载调整率时,可适当改变整流管参数。
(4)在布局布线时,各个元器件依照原理图次序依次摆放,开关管漏极与变压器原边的连线要尽量短,UC3843所有的外围元器件要尽可能靠近它自己,尤其是去耦电容和旁路电容必须布在相应的管脚附近,必须在变压器、开关管等发热器件附近通过多个过孔把地层与散热焊盘相连以提高散热效果。
射频工程师养成培训教程套装,助您快速成为一名优秀射频工程师...
天线设计工程师培训课程套装,资深专家授课,让天线设计不再难...
上一篇:LM317T安全应用电路
下一篇:用六反相器制作的DC/DC变换电路
射频和天线工程师培训课程详情>>

