- 易迪拓培训,专注于微波、射频、天线设计工程师的培养
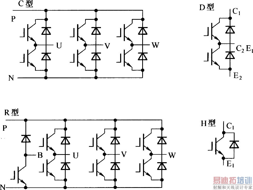
三菱公司IPM的封装形式
录入:edatop.com 点击:

IPM是先进的混合集成功率器件,由高速,低功耗的IGBT芯片和优化的栅极驱动电路及多种保护电路集成在同一模块内.与普通的IGBT相比,IPM在系统性能和可靠性上均有进一步提高,而且由于IPM的通态损耗和开关损耗都比较低,散热器的尺寸小,故整个系统的尺寸更小.而且IPM内部集成了逻辑,控制,检测和保护电路,使用起来方便,不仅减少了系统的体积以及开发时间,也大大增强了系统的可靠性.
射频工程师养成培训教程套装,助您快速成为一名优秀射频工程师...
射频和天线工程师培训课程详情>>

