- 易迪拓培训,专注于微波、射频、天线设计工程师的培养
光电线性检测电路
录入:edatop.com 点击:

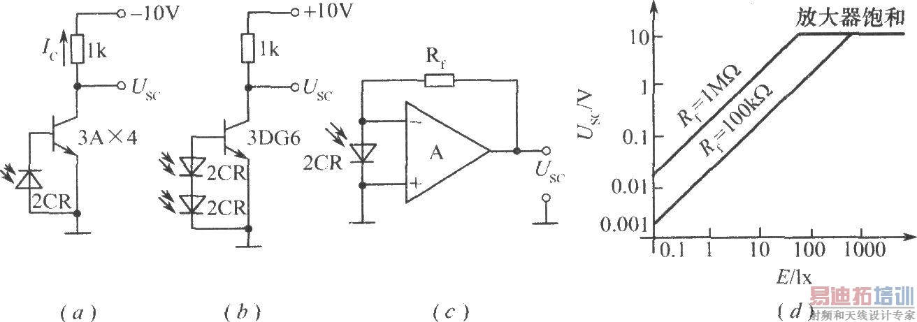
图(a)、(b)为工作于线性区的光电流放大电路。图(a)中的三极管必须用锗管。因为光电池的最高开路电压仅0.6V,而硅管一般要0.7V才导通。当光照产生的输出电压大于0.3V,三极管3AX4开始导通,输出电压Usc由-10V开始减小。由于3AX4的输入阻值较低,可获得较好的线性输出。图(b)采用两只光电池串联,三极管可用硅管。图(c)所示的电路是与运算放大器相连,其等效负载电阻为零,因此运算放大器的输出电压等于硅光电池短路电流Isc与放大器反馈电阻Rf的乘积,即USc=IscRf,而且输出有良好的线性,如图(d)所示。
射频工程师养成培训教程套装,助您快速成为一名优秀射频工程师...
天线设计工程师培训课程套装,资深专家授课,让天线设计不再难...
上一篇:DS2438用于测量动力电池组电路
下一篇:硅光电池组成的光控闪光装置
射频和天线工程师培训课程详情>>

