• 易迪拓培训,专注于微波、射频、天线设计工程师的培养
首页 > 电子设计 > 电源技术 > 电源技术 > 以DS2762为核心设计的智能锂离子电池监测系统的硬件结构

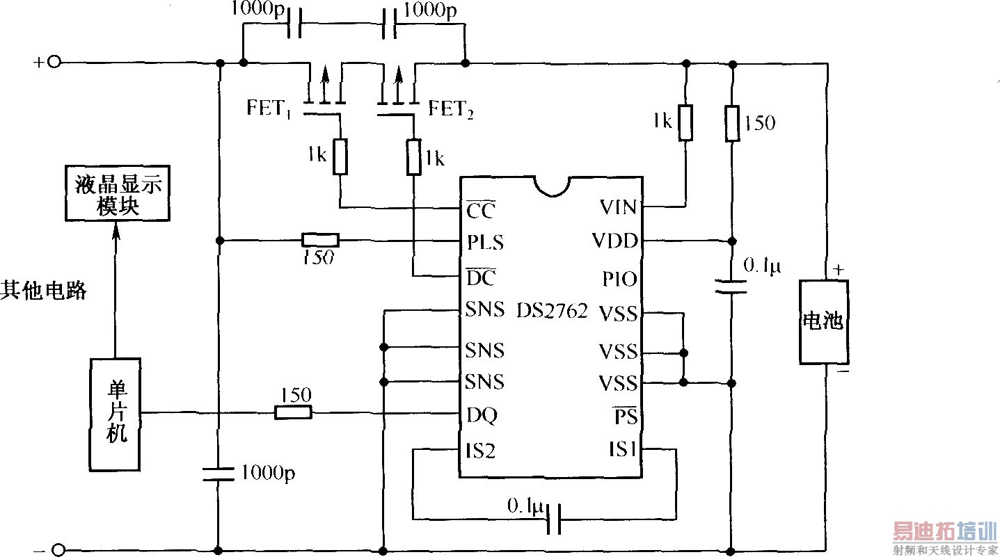
以DS2762为核心设计的智能锂离子电池监测系统的硬件结构

录入:edatop.com    点击:






锂离子电池工作方式检测流程图:






剩余电量的检测流程图:



射频工程师养成培训教程套装,助您快速成为一名优秀射频工程师...

天线设计工程师培训课程套装,资深专家授课,让天线设计不再难...

上一篇:数字设定型标准电源电路(CD4516、μA723C)
下一篇:TWL2213锂离子电池充电过程

射频和天线工程师培训课程详情>>

  网站地图