- 易迪拓培训,专注于微波、射频、天线设计工程师的培养
升降压电源设计的种类
录入:edatop.com 点击:
随着电子科技的不断发展,越来越多的电子设备进入我们的生活,要想让这些电子设备为我们服务,就离不开电源的驱动。所以设计一个稳定可靠,抗扰能力较高的电源至关重要。我们在实际应用场合中,经常会出现系统中各个模块供电不统一,或者供电电源的电压时常变化的(比如汽车中的电池电压受温度及发动机影响变化),此时需要一个稳压电源将电压固定在某个输出电压,所以需要一个升降压电路来适应输入电压的上升与跌落。
在实际应用中,比如我们用的越来越多的单节锂电池供电设备。锂电池充满电时的终止充电电压一般是4.2V,电池的终止放电电压为2.75V~3.0V。低于2.5V继续放电称为过放,过放对电池会有损害。所以锂电池供电电路一般设计为3.0V~4.2V输入,输出3.3V供给MCU。此设计就需要用到升降压电路,还有很多应用也有类似需求,我们现在就来扒一扒升降压电源的设计方案。

一、集成芯片升降压应用(共地应用)

图1 专用升降压芯片应用
图1为MPS集成功率管的MP2155GQ升降压方案,内部自动切换升降压模式。输入电压为2V-5.5V,输出3.3V/2A。此应用非常适合单节锂电池供电设备,外围器件极少,只需要外加一个电感即可实现升降压功能。尤其适合小体积应用。
二、Buck-Boost拓扑应用(非共地应用)
Buck-Boost电路从命名就知道可以实现升降压功能,目前MPS的DC-DC电源芯片都支持Buck-Boost的设计结构,可以根据不同输出电流选择合适型号。

图2 Buck-Boost拓扑原理
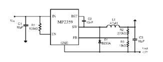
图3是采用MP2359DT设计的-15V电源电路,当然也可以实现升降压功能,MP2359DT是采用SOT23-6的封装,整个电路占用PCB面积较小。

图3 MP2359升降压电路
三、电源模块升降压应用
上述应用都是非隔离应用,我们还有一种大功率隔离应用。此方案主要考虑在主控板上面的供电应用。例如:输入9-36V输出,输出12V/2.5A的应用,此时可以选用隔离电源模块实现。具体型号:E2412UHBD-30W

图4 隔离电源模块
上述三种升降压方案涵盖了大部分的应用,根据实际产品的供电需求来设计完善供电电路。
在实际应用中,比如我们用的越来越多的单节锂电池供电设备。锂电池充满电时的终止充电电压一般是4.2V,电池的终止放电电压为2.75V~3.0V。低于2.5V继续放电称为过放,过放对电池会有损害。所以锂电池供电电路一般设计为3.0V~4.2V输入,输出3.3V供给MCU。此设计就需要用到升降压电路,还有很多应用也有类似需求,我们现在就来扒一扒升降压电源的设计方案。

一、集成芯片升降压应用(共地应用)

图1 专用升降压芯片应用
图1为MPS集成功率管的MP2155GQ升降压方案,内部自动切换升降压模式。输入电压为2V-5.5V,输出3.3V/2A。此应用非常适合单节锂电池供电设备,外围器件极少,只需要外加一个电感即可实现升降压功能。尤其适合小体积应用。
二、Buck-Boost拓扑应用(非共地应用)
Buck-Boost电路从命名就知道可以实现升降压功能,目前MPS的DC-DC电源芯片都支持Buck-Boost的设计结构,可以根据不同输出电流选择合适型号。

图2 Buck-Boost拓扑原理
图3是采用MP2359DT设计的-15V电源电路,当然也可以实现升降压功能,MP2359DT是采用SOT23-6的封装,整个电路占用PCB面积较小。

图3 MP2359升降压电路
三、电源模块升降压应用
上述应用都是非隔离应用,我们还有一种大功率隔离应用。此方案主要考虑在主控板上面的供电应用。例如:输入9-36V输出,输出12V/2.5A的应用,此时可以选用隔离电源模块实现。具体型号:E2412UHBD-30W

图4 隔离电源模块
上述三种升降压方案涵盖了大部分的应用,根据实际产品的供电需求来设计完善供电电路。
射频工程师养成培训教程套装,助您快速成为一名优秀射频工程师...
天线设计工程师培训课程套装,资深专家授课,让天线设计不再难...
上一篇:锂离子电池电极的压力和应力研究
下一篇:IGBT驱动关键技术研究
射频和天线工程师培训课程详情>>

