- 易迪拓培训,专注于微波、射频、天线设计工程师的培养
TI bq2416x双输入2.5A锂电池充电解方案
录入:edatop.com 点击:
TI公司的bq24160/ bq24161/ bq24163/ bq24168是高度集成的单个锂电池充电器和系统功率通路管理器件,充电电流高达2.5A,输入电压额度20V,USB输入6.5V,主要用在手持设备,手持媒体播放器,手提设备,上网本和手提上网设备(PID).本文介绍了bq2416x主要特性,方框图, 应用电路图以及bq24160/161/163/168评估模块主要特性,应用电路,材料清单和PCB布局图.
2.5A, Dual-Input, Single Cell Switchmode Li-Ion Battery Charger with Power Path Management and I2C Interface
The bq24160/ bq24161/ bq24163/ bq24168 are highly integrated single cell Li-Ion battery charger and system power path management devices targeted for space-limited, portable applications with high capacity batteries. The single cell charger has dual inputs which allow operation from either a USB port or higher-power input supply (i.e., AC adapter or wireless charging input) for a versatile solution. The two inputs are fully isolated from each other and are easily selectable using the I2C interface.
The power path management feature allows the bq2416x to power the system from a high-efficiency DC-to-DC converter while simultaneously and independently charging the battery. The charger monitors the battery current at all times and reduces the charge current when the system load requires current above the input current limit.
This allows for proper charge termination and timer operation. Under normal battery charging conditions, the system voltage is approximately equal to the battery voltage, however if the battery is deeply discharged, the system voltage does not drop below 3.5V. This minimum system voltage support enables the system to run with a defective or absent battery pack and enables instant system turn-on even with a totally discharged battery or no battery. The power-path management architecture also permits the battery to supplement the system current requirements when the adapter cannot deliver the peak system currents. This enables the use of a smaller adapter. The 2.5A input current capability allows for GSM phone calls as soon as the adapter is plugged in regardless of the battery voltage. The charge parameters are programmable using the I2C interface.
The battery is charged in three phases: precharge, fast-charge constant current and constant voltage. In all charge phases, an internal control loop monitors the IC junction temperature and reduces the charge current if the internal temperature threshold is exceeded. Additionally, a voltage-based battery pack thermistor monitoring input (TS) is included that monitors battery temperature for safe charging. The TS function for bq24160, bq24163 and bq24168 is JEITA compatible.
bq2416x主要特性:
2• High-Efficiency Switch Mode Charger with Separate Power Path Control
– Make a GSM Call with a Deeply Discharged Battery or No Battery
– Instantly Start Up System from a Deeply Discharged Battery or No Battery
• Dual Input Charger
• Highly Integrated Battery N-Channel MOSFET Controller for Power Path Management
– 20 V input rating, with Overvoltage Protection (OVP)
– 6.5 V for USB Input
– 10.5 V for IN input (bq24160/1/3)
– 6.5 V for IN input (bq24168)
– Integrated FETs for Up to 2.5A Charge Rate
– Up to 2.5 A from IN Input (input current limit)
– Up to 1.5 A from USB Input (input current limit)
• Safe and Accurate Battery Management Functions
– 0.5% Battery Regulation Accuracy
– 10% Charge Current Accuracy
• Charge Parameters Programmed Using I2C™ Interface
– Charge Voltage, Current, Termination Threshold, Input Current Limit, VINDPM Threshold
• Voltage Based, NTC Monitoring Input
– JEITA Compatible (bq24160/3/8)
• Thermal Regulation Protection for Output Current Control
• Low Battery Leakage Current, BAT Short-Circuit Protection
• Soft-Start Feature to Reduce Inrush Current
• Thermal Shutdown and Protection
• Available in small 2.8mm × 2.8mm 49-ball WCSP or 4mm × 4mm QFN-24 Packages
bq2416x应用:
• Handheld Products
• Portable Media Players
• Portable Equipment
• Netbook and Portable Internet Devices

图1.bq2416x方框图

图2.bq24160应用电路图
图3.bq24161应用电路图
bq24160/161/163/168评估模块
The bq24160/161/163/168 evaluation module is a complete charger module for evaluating compact, flexible, high-efficiency, USB-friendly, switch-mode charge management solution for single-cell, Li-ion and Li-polymer batteries used in a wide range of portable applications. The bq24160/161/163/168 integrates a synchronous PWM controller, power MOSFETs, input-current sensing, high-accuracy current and voltage regulation, charge termination and power path management into a small WCSP package
bq24160/161/163/168评估模块主要特性:
153-mm × 153-mm × 1.2-mm footprint for entire solution
Input power connectors for both USB input and ac adapter
Programmable battery voltage, charge current, input current, and status via I2C™ interface
IN operating range of 4.2 V – 10 V (bq24160/161/163) or 4.2 V – 6 V (bq24168)
USB operating range of 4.2 V – 6 V
LED indication for status signals
Test points for key signals available for testing purposes. Easy probe hook-up

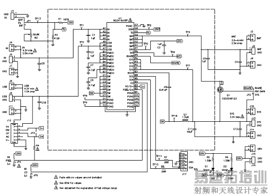
图4.bq24160/161/163/168评估模块(HPA721)电路图
HPA721材料清单:



图5.评估模块HPA721元件布局图
详情请见:

2.5A, Dual-Input, Single Cell Switchmode Li-Ion Battery Charger with Power Path Management and I2C Interface
The bq24160/ bq24161/ bq24163/ bq24168 are highly integrated single cell Li-Ion battery charger and system power path management devices targeted for space-limited, portable applications with high capacity batteries. The single cell charger has dual inputs which allow operation from either a USB port or higher-power input supply (i.e., AC adapter or wireless charging input) for a versatile solution. The two inputs are fully isolated from each other and are easily selectable using the I2C interface.
The power path management feature allows the bq2416x to power the system from a high-efficiency DC-to-DC converter while simultaneously and independently charging the battery. The charger monitors the battery current at all times and reduces the charge current when the system load requires current above the input current limit.
This allows for proper charge termination and timer operation. Under normal battery charging conditions, the system voltage is approximately equal to the battery voltage, however if the battery is deeply discharged, the system voltage does not drop below 3.5V. This minimum system voltage support enables the system to run with a defective or absent battery pack and enables instant system turn-on even with a totally discharged battery or no battery. The power-path management architecture also permits the battery to supplement the system current requirements when the adapter cannot deliver the peak system currents. This enables the use of a smaller adapter. The 2.5A input current capability allows for GSM phone calls as soon as the adapter is plugged in regardless of the battery voltage. The charge parameters are programmable using the I2C interface.
The battery is charged in three phases: precharge, fast-charge constant current and constant voltage. In all charge phases, an internal control loop monitors the IC junction temperature and reduces the charge current if the internal temperature threshold is exceeded. Additionally, a voltage-based battery pack thermistor monitoring input (TS) is included that monitors battery temperature for safe charging. The TS function for bq24160, bq24163 and bq24168 is JEITA compatible.
bq2416x主要特性:
2• High-Efficiency Switch Mode Charger with Separate Power Path Control
– Make a GSM Call with a Deeply Discharged Battery or No Battery
– Instantly Start Up System from a Deeply Discharged Battery or No Battery
• Dual Input Charger
• Highly Integrated Battery N-Channel MOSFET Controller for Power Path Management
– 20 V input rating, with Overvoltage Protection (OVP)
– 6.5 V for USB Input
– 10.5 V for IN input (bq24160/1/3)
– 6.5 V for IN input (bq24168)
– Integrated FETs for Up to 2.5A Charge Rate
– Up to 2.5 A from IN Input (input current limit)
– Up to 1.5 A from USB Input (input current limit)
• Safe and Accurate Battery Management Functions
– 0.5% Battery Regulation Accuracy
– 10% Charge Current Accuracy
• Charge Parameters Programmed Using I2C™ Interface
– Charge Voltage, Current, Termination Threshold, Input Current Limit, VINDPM Threshold
• Voltage Based, NTC Monitoring Input
– JEITA Compatible (bq24160/3/8)
• Thermal Regulation Protection for Output Current Control
• Low Battery Leakage Current, BAT Short-Circuit Protection
• Soft-Start Feature to Reduce Inrush Current
• Thermal Shutdown and Protection
• Available in small 2.8mm × 2.8mm 49-ball WCSP or 4mm × 4mm QFN-24 Packages
bq2416x应用:
• Handheld Products
• Portable Media Players
• Portable Equipment
• Netbook and Portable Internet Devices

图1.bq2416x方框图

图2.bq24160应用电路图
图3.bq24161应用电路图
bq24160/161/163/168评估模块
The bq24160/161/163/168 evaluation module is a complete charger module for evaluating compact, flexible, high-efficiency, USB-friendly, switch-mode charge management solution for single-cell, Li-ion and Li-polymer batteries used in a wide range of portable applications. The bq24160/161/163/168 integrates a synchronous PWM controller, power MOSFETs, input-current sensing, high-accuracy current and voltage regulation, charge termination and power path management into a small WCSP package
bq24160/161/163/168评估模块主要特性:
153-mm × 153-mm × 1.2-mm footprint for entire solution
Input power connectors for both USB input and ac adapter
Programmable battery voltage, charge current, input current, and status via I2C™ interface
IN operating range of 4.2 V – 10 V (bq24160/161/163) or 4.2 V – 6 V (bq24168)
USB operating range of 4.2 V – 6 V
LED indication for status signals
Test points for key signals available for testing purposes. Easy probe hook-up

图4.bq24160/161/163/168评估模块(HPA721)电路图
HPA721材料清单:



图5.评估模块HPA721元件布局图
详情请见:

射频工程师养成培训教程套装,助您快速成为一名优秀射频工程师...
射频和天线工程师培训课程详情>>

