- 易迪拓培训,专注于微波、射频、天线设计工程师的培养
基于SG3525A的太阳能逆变电源设计
录入:edatop.com 点击:
1 引言
本文涉及的是光明工程中一个课题的具体技术问题。该课题的基本原理是逆变器由直流蓄电池供电,用太阳能为蓄电池充电,然后逆变电源输出220V、50Hz的交流电供用户使用。在研制过程中,有时随机出现烧毁大功率管的现象,本文对这一现象给出了解决方案。
2 SG3525A和逆变电源
本课题研发的逆变器使用的核心器件是SG3525A,以下分别简述其基本性能和工作过程。
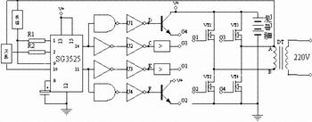
2.1 SG3525A基本性能
SG3525A PWM型开关电源集成控制器包括开关稳压所需的全部控制电路,设有欠压锁定电路和缓启动电路可提供精密度为5V±1%的基准电压。其开关频率高达200KHz以上,适合于驱动N沟道MOS功率管。本课题使用SG3525A产生50Hz的准正弦方波,为逆变器提供输出功率信号,去推动N沟道MOS功率管90N08,如图1所示。
图1 SG3525A 驱动MOS功率管电路图
2.2 逆变器工作过程
当SG3525A被加电后(12V)会输出两列50Hz反向的方波,其幅度为9V。这两路方波分别进入G1、G2、G3、G4所示的四条支路(图1),经各电路分别调整后输出,输出脉冲序列如图2(B)所示。最终调制合成为A、B两端输出的交流方波。其波形见图2(A)。该50Hz的序列方波由A、B两端进入电力变压器DT。通过变压器升压后由逆变器电源输出220V、50Hz交流方波。根据市场的不同需求生产出200W、600W、800W各个系列的逆变电源。
2.3 问题的出现与解决
逆变器在额定负载条件下能够长期运行,但是当进行负载切换时或者当外电路有严重扰动时,偶尔会发生大功率管MOSFET90N08烧毁的现象。现以800W逆变器进行剖析。
缓启动:如图3(A)所示状态,同时满负载加在逆变器输出上,然后启动逆变器使之运行,一切正常工作。
硬启动:如图3(B)所示状态,即加满负载后再闭合开关K1强行硬启动。这时就偶尔有大功率场效应管短路烧毁的现象发生,经分析发现当G3推动的大功率管TV3尚未完全关断时,G4开启了对应的大功率管TV4,如果TV3和TV4同时开通就会造成短路现象。此时就会烧毁大功率管。而当D点和C点、E点和F点进行相互交换后两个管子开启的时间差为100ms左右,这样就保证了G3和G4的推动信号不会同一时刻开启VT3、VT4,从而避免了短路现象。直到目前尚未发生因硬启动和外电路干扰而烧毁大功率管的现象。
(B)逆变器硬启动
本文涉及的是光明工程中一个课题的具体技术问题。该课题的基本原理是逆变器由直流蓄电池供电,用太阳能为蓄电池充电,然后逆变电源输出220V、50Hz的交流电供用户使用。在研制过程中,有时随机出现烧毁大功率管的现象,本文对这一现象给出了解决方案。
2 SG3525A和逆变电源
本课题研发的逆变器使用的核心器件是SG3525A,以下分别简述其基本性能和工作过程。
2.1 SG3525A基本性能
SG3525A PWM型开关电源集成控制器包括开关稳压所需的全部控制电路,设有欠压锁定电路和缓启动电路可提供精密度为5V±1%的基准电压。其开关频率高达200KHz以上,适合于驱动N沟道MOS功率管。本课题使用SG3525A产生50Hz的准正弦方波,为逆变器提供输出功率信号,去推动N沟道MOS功率管90N08,如图1所示。

图1 SG3525A 驱动MOS功率管电路图
2.2 逆变器工作过程
当SG3525A被加电后(12V)会输出两列50Hz反向的方波,其幅度为9V。这两路方波分别进入G1、G2、G3、G4所示的四条支路(图1),经各电路分别调整后输出,输出脉冲序列如图2(B)所示。最终调制合成为A、B两端输出的交流方波。其波形见图2(A)。该50Hz的序列方波由A、B两端进入电力变压器DT。通过变压器升压后由逆变器电源输出220V、50Hz交流方波。根据市场的不同需求生产出200W、600W、800W各个系列的逆变电源。

图2 逆变器工作过程中波形图
2.3 问题的出现与解决
逆变器在额定负载条件下能够长期运行,但是当进行负载切换时或者当外电路有严重扰动时,偶尔会发生大功率管MOSFET90N08烧毁的现象。现以800W逆变器进行剖析。
缓启动:如图3(A)所示状态,同时满负载加在逆变器输出上,然后启动逆变器使之运行,一切正常工作。
硬启动:如图3(B)所示状态,即加满负载后再闭合开关K1强行硬启动。这时就偶尔有大功率场效应管短路烧毁的现象发生,经分析发现当G3推动的大功率管TV3尚未完全关断时,G4开启了对应的大功率管TV4,如果TV3和TV4同时开通就会造成短路现象。此时就会烧毁大功率管。而当D点和C点、E点和F点进行相互交换后两个管子开启的时间差为100ms左右,这样就保证了G3和G4的推动信号不会同一时刻开启VT3、VT4,从而避免了短路现象。直到目前尚未发生因硬启动和外电路干扰而烧毁大功率管的现象。

(A)逆变器缓启动

(B)逆变器硬启动
图3
射频工程师养成培训教程套装,助您快速成为一名优秀射频工程师...
天线设计工程师培训课程套装,资深专家授课,让天线设计不再难...
上一篇:焊接机器人系统中的电源电路分析
下一篇:开关电源技术的最新进展
射频和天线工程师培训课程详情>>

