- 易迪拓培训,专注于微波、射频、天线设计工程师的培养
LCD TV中的电源转换链与开关电源拓扑
录入:edatop.com 点击:
电视机的升级
自从英国广播公司(BBC)于1936年在伦敦开通世界上首个公共电视广播以来,电视机技术已取得了长足的发展:从BBC于1953年首先开通彩色电视广播,到日本NHK于1981年进行首例高清电视(HDTV)系统演示等,不一而足。当前,世界各国纷纷采取行动,以将TV信号从模拟传输升级至具备更高质量的数字制式。以美国为例,到2009年2月美国将停止模拟电视信号传输。
但是,“在客厅中坐在一个老式大盒子面前(看电视节目)的方式已经变得落伍。对于电视行业来说,新技术的发展,正催生着无穷的机遇”。这是美国《新闻周刊》2005年6月份所描述的一个景象。推动这些机遇的其中一项技术,就是平板显示(FPD)。该技术具有以下两个显著特点:
● 支持高达1080p的高清电视(HDTV)
● 屏幕尺寸更大,但总体外形更小
不同尺寸平板电视的电源转换链
平板电视与传统电视很大的一项不同,便是传统电视所采用的阴极射线管(CRT)被LCD或等离子屏幕取而代之,与之相应的是电视机厚度和机体尺寸的大幅降低。但是,我们应当注意的是:
● 平板电视消耗的电量相对较高,并且不同尺寸和功能组合的平板电视耗电量也会不同。与CRT电视相比,平板电视平均每立方厘米尺寸所消耗的功率要高出许多。
● 传统上消费者会将电视摆放在客厅,电视机机身的噪声传播开来,可能会酿成一个问题。如果在电视机设计中增添冷却风扇,可能不会受到消费者欢迎。
● 在消费电子领域,竞争非常激烈,成本问题非常重要,而目前平板电视的售价相对较高。
在这种情况下,平板电视制造商根据面板尺寸的不同,应用了不同的电源转换链,从而优化每一款电视机的设计。
小尺寸:最大为21英寸
这种尺寸的平板电视功耗通常低于70W。这个数值低于大多数谐波含量标准对功耗的要求,因此无须使用功率因数校正(PFC)技术。在这种情况下,通常使用一个开关电源(SMPS)。在正常模式下,开关电源必须输出额定功率,而在待机模式下,开关电源必须拥有较高的能效。
市场上也有不同的处理方式:如采用外部电源,适配器遵从各种不同标准和行为准则。当然,作为替代之选,电源也可被嵌在电视机内部作为开放式电源。这种电源必须满足待机能耗要求,并且在有源模式运作下的能效较高,从而减少面板内的发热量。
在使用内部电源单元和外部电源单元这两种方式中,通常都采用到了反激式拓扑结构。转换器既能工作在固定频率,也能工作在可变频率(特别是就准谐振模式而言)。
在额定负载和轻载条件下,要同时实现较高能效,关键就在于要采用能够根据负载状况调整工作模式的智能开关电源控制器。
针对这种情况,多家半导体公司开发出了一些备选方案,以安森美公司为例:
● 跳过多余周期方案:固定频率的如NCP1200/1216/1271,可变频率的如NCP1207/1337。该方案如图1所示。

图1 固定频率模式下电流最小时进行周期变换
● 频率反走方案:NCP1351
中等尺寸平板电视:介于26英寸至32英寸之间
对于这种尺寸面板的平板电视而言,功耗大幅增加,最大可达180W。由于输入功率高于75W,因此,这种应用应该遵从欧盟IEC1000-3-2 D类标准或类似区域性谐波含量标准。在这里,功率因数校正(PFC)技术也开始应用;而且,由于主电源必须进行优化,以实现更高的能效和更小的体积。因此,有源PFC能够发挥突出作用,对主电源单元输入电压的变化进行限制。在这种功率级别,临界导电模式(CRM) PFC是应用得最为广泛的拓扑。在这方面,安森美半导体公司推出的NCP1606提供了一种具有高性价比并且可靠的解决方案。

图2 NCP1351-输出功率减小时,开关频率也随之减小
在这种尺寸范围面板的平板电视中,常用的有两种电源转换链。
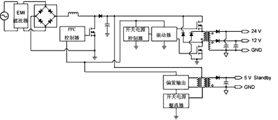
第一种方法包含两个电源(如图3所示)。其中一个开关电源采用的是反激式拓扑,专门用于背光,可为面板提供24 V@5A的输出功率;另一个开关电源采用的也是反激式拓扑,负责为控制音视频输入输出信号处理(CAVIO)板供电,可以提供40W@12V的功率(某些条件下电压为5V)。后者还用于待机模式,在这种模式下,多种严格的轻载能效标准可以适用。

图3 采用了2个反激式电源的26~32英寸面板

图4 面板尺寸介于26~32英寸之间的平板电视中的电源结构
第二种电源转换链只包含一个主开关电源,可以为面板提供24V的电压,还可以为CAVIO板提供12V电压,这里要求的功率将在170W等级内。此外,它还包含另一个专用于待机模式的器件,该器件可在正常模式下提供10W功率,而在待机条件下的电流消耗仅为500mA。
为了适应更高的输出功率,主开关电源的拓扑不应该还是单开关反激,而应该采用双开关反激,尽管这个区域也采用了一个半桥谐振LLC。这种拓扑与屏幕尺寸更大的面板共用一个通用拓扑。
这种方法有一个显著的好处,就是优化了待机能耗,因为在这个模式下,主开关电源器件与PFC的功能会被关闭。
这两种方法中,采用双开关电源的方法拥有许多优势:
● 功率被予以更好地均衡,从而允许使用单开关反激转换器。
● 消除了对背光进行数字调光过程中滋生的交互稳压隐忧,避免了这个过程中负载变化过大的问题。
● 面向不需要执行IEC谐波兼容规范的美国/北美地区的产品型号中,更易于移除PFC级。
● 解耦源自CAVIO电源的面板功率。如果未来需要采用不同的背光技术,如EEFL、FEL和LED等,CAVIO电源可以简化演进过程。
自从英国广播公司(BBC)于1936年在伦敦开通世界上首个公共电视广播以来,电视机技术已取得了长足的发展:从BBC于1953年首先开通彩色电视广播,到日本NHK于1981年进行首例高清电视(HDTV)系统演示等,不一而足。当前,世界各国纷纷采取行动,以将TV信号从模拟传输升级至具备更高质量的数字制式。以美国为例,到2009年2月美国将停止模拟电视信号传输。
但是,“在客厅中坐在一个老式大盒子面前(看电视节目)的方式已经变得落伍。对于电视行业来说,新技术的发展,正催生着无穷的机遇”。这是美国《新闻周刊》2005年6月份所描述的一个景象。推动这些机遇的其中一项技术,就是平板显示(FPD)。该技术具有以下两个显著特点:
● 支持高达1080p的高清电视(HDTV)
● 屏幕尺寸更大,但总体外形更小
不同尺寸平板电视的电源转换链
平板电视与传统电视很大的一项不同,便是传统电视所采用的阴极射线管(CRT)被LCD或等离子屏幕取而代之,与之相应的是电视机厚度和机体尺寸的大幅降低。但是,我们应当注意的是:
● 平板电视消耗的电量相对较高,并且不同尺寸和功能组合的平板电视耗电量也会不同。与CRT电视相比,平板电视平均每立方厘米尺寸所消耗的功率要高出许多。
● 传统上消费者会将电视摆放在客厅,电视机机身的噪声传播开来,可能会酿成一个问题。如果在电视机设计中增添冷却风扇,可能不会受到消费者欢迎。
● 在消费电子领域,竞争非常激烈,成本问题非常重要,而目前平板电视的售价相对较高。
在这种情况下,平板电视制造商根据面板尺寸的不同,应用了不同的电源转换链,从而优化每一款电视机的设计。
小尺寸:最大为21英寸
这种尺寸的平板电视功耗通常低于70W。这个数值低于大多数谐波含量标准对功耗的要求,因此无须使用功率因数校正(PFC)技术。在这种情况下,通常使用一个开关电源(SMPS)。在正常模式下,开关电源必须输出额定功率,而在待机模式下,开关电源必须拥有较高的能效。
市场上也有不同的处理方式:如采用外部电源,适配器遵从各种不同标准和行为准则。当然,作为替代之选,电源也可被嵌在电视机内部作为开放式电源。这种电源必须满足待机能耗要求,并且在有源模式运作下的能效较高,从而减少面板内的发热量。
在使用内部电源单元和外部电源单元这两种方式中,通常都采用到了反激式拓扑结构。转换器既能工作在固定频率,也能工作在可变频率(特别是就准谐振模式而言)。
在额定负载和轻载条件下,要同时实现较高能效,关键就在于要采用能够根据负载状况调整工作模式的智能开关电源控制器。
针对这种情况,多家半导体公司开发出了一些备选方案,以安森美公司为例:
● 跳过多余周期方案:固定频率的如NCP1200/1216/1271,可变频率的如NCP1207/1337。该方案如图1所示。

图1 固定频率模式下电流最小时进行周期变换
● 频率反走方案:NCP1351
中等尺寸平板电视:介于26英寸至32英寸之间
对于这种尺寸面板的平板电视而言,功耗大幅增加,最大可达180W。由于输入功率高于75W,因此,这种应用应该遵从欧盟IEC1000-3-2 D类标准或类似区域性谐波含量标准。在这里,功率因数校正(PFC)技术也开始应用;而且,由于主电源必须进行优化,以实现更高的能效和更小的体积。因此,有源PFC能够发挥突出作用,对主电源单元输入电压的变化进行限制。在这种功率级别,临界导电模式(CRM) PFC是应用得最为广泛的拓扑。在这方面,安森美半导体公司推出的NCP1606提供了一种具有高性价比并且可靠的解决方案。

图2 NCP1351-输出功率减小时,开关频率也随之减小
在这种尺寸范围面板的平板电视中,常用的有两种电源转换链。
第一种方法包含两个电源(如图3所示)。其中一个开关电源采用的是反激式拓扑,专门用于背光,可为面板提供24 V@5A的输出功率;另一个开关电源采用的也是反激式拓扑,负责为控制音视频输入输出信号处理(CAVIO)板供电,可以提供40W@12V的功率(某些条件下电压为5V)。后者还用于待机模式,在这种模式下,多种严格的轻载能效标准可以适用。

图3 采用了2个反激式电源的26~32英寸面板

图4 面板尺寸介于26~32英寸之间的平板电视中的电源结构
第二种电源转换链只包含一个主开关电源,可以为面板提供24V的电压,还可以为CAVIO板提供12V电压,这里要求的功率将在170W等级内。此外,它还包含另一个专用于待机模式的器件,该器件可在正常模式下提供10W功率,而在待机条件下的电流消耗仅为500mA。
为了适应更高的输出功率,主开关电源的拓扑不应该还是单开关反激,而应该采用双开关反激,尽管这个区域也采用了一个半桥谐振LLC。这种拓扑与屏幕尺寸更大的面板共用一个通用拓扑。
这种方法有一个显著的好处,就是优化了待机能耗,因为在这个模式下,主开关电源器件与PFC的功能会被关闭。
这两种方法中,采用双开关电源的方法拥有许多优势:
● 功率被予以更好地均衡,从而允许使用单开关反激转换器。
● 消除了对背光进行数字调光过程中滋生的交互稳压隐忧,避免了这个过程中负载变化过大的问题。
● 面向不需要执行IEC谐波兼容规范的美国/北美地区的产品型号中,更易于移除PFC级。
● 解耦源自CAVIO电源的面板功率。如果未来需要采用不同的背光技术,如EEFL、FEL和LED等,CAVIO电源可以简化演进过程。
射频工程师养成培训教程套装,助您快速成为一名优秀射频工程师...
天线设计工程师培训课程套装,资深专家授课,让天线设计不再难...
上一篇:通往最佳电源管理架构之路
下一篇:致力于满足并超越节能规范标准的“绿色”电源技术
射频和天线工程师培训课程详情>>

