- 易迪拓培训,专注于微波、射频、天线设计工程师的培养
新型AT2005B电源控制芯片在ATX上的应用
录入:edatop.com 点击:
一提到ATX电源,就使人联想起脉宽调制芯片TL494与电压比较器LM339两块“经典"IC来。而新型专用控制芯片AT2005B兼有以上两芯片的功能。且其中电压比较器的数最多达8个,比LM339多一倍,加之内部还设计了一些专用的辅助控制电路,故以它为基础设计的ATX电源外围零件数更少,各种保护电路也更趋完善。目前,一些常见电源厂家如世纪之星、富士康、金河田等,都推出了采用AT2005B芯片的新型号ATX电源。
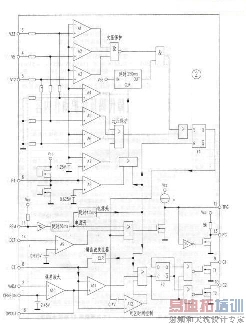
AT2005B为塑封双列(16)脚直插式结构,各引脚名称及常见外围电路如图1所示,图2为其内部结构功能框图。现对各引脚功能及所接外围元件的作用分析如下:


芯片第①脚为运放反相输人端(OP NEG IN),(16)脚为运放输出端(OP OUT).它们实际上分别是图2中误差放大器A10的反相输人端与输出端。外电路中该两脚间接有阻容串联补偿网络R1、C1,以改善误差放大器的频率特性.消除自激并增加带宽。
②脚为电压调整输人端仅AD刀,V5和V12电压经电阻网络114,115和VR分压取样后,经②脚送人误差放大器。通过调整VR可对开关电源输出电压进行调节。③脚(V33)、④脚(V5)、⑤脚(V12)分别为3.3V,5V及12V电压的过压/欠压检测输人端。其中3.3V和5V分别直接接入③脚(V33)和④脚(V5),而12V需经电阻R6,R7(图1)分压后才能接人⑤脚(V12),因AT2005B最大允许输人仅5.5V。⑤脚设定的正常输人电压值约为2.37V-4.64V,超出此范围电路即自动保护。
⑥脚(即为一备用的过压/欠压保护检测输人端。它可为某些多于上述3路(3.3V,5V及12V)输出的特殊电源提供保护。
⑦脚为电源地(GND),⑩脚为电F(Vcc)o AT2005B电源最大允许电压为5.5V.常用值为5V.
⑧脚(CT)为锯齿波振荡电容接人端。图2中锯齿波振荡器的振荡频率FOSC由该脚外接电容CT的电容最决定.其计算公式
为:Fosc=410x103/(3.3xCT)kHz,式中CT的单位为pFo如CT=2200pF,则Fosc=410x 103/(3.3x2200)=56.5 kHz。
⑨脚(C1)、⑩脚(C2)分别为驱动输出1与驱动输出20因为是漏极开路输出方式,外电路需分别加接上拉电阻R3(如图1所示)。其最大允许漏极电流均为200mA,最大允许漏极功耗200mW。输出脉冲频率为上述锯齿波频率Fosc的1/2(如图3所示)。

(11)脚(REM)为远程开/关机信号输人端,低电平有效。当REM为低电平时,主电源开机;反之,REM为高电平时关机。
(13)脚(PG)为电源正常("POWERGOOD”信号输出端,高电平有效。当PG为高电平时电源正常;否贝ilPG为低电平。(12)脚(TPG)为电源正常信号延迟时问设定端。延迟时间长短由该脚外接电容C4的电容量决定,当C4=2.2μF时(如图1所示),延迟约250ms。
(14)脚(DET)为信号检测输人端。误差放大器的输出(16)脚信号经隔离电阻R2接人DET端(如图1所示),当该电压大于某确定值(如0.625V)日寸,才允许(13)脚产生"POWER GOOD"高电平信号。
图3为脉宽调制(PWM)作用波形。其中"PWM输出”即图2中误差放大器A10的输出。②脚的取样电压愈高.`PWM输出”愈大.导致⑨脚(C1)与⑩脚(C2)输出负脉冲愈窄用它去推动半桥开关管,使输出电压稳定。
图1中电容C2的作用是保障电源的软启动。在电源启动瞬间,电容C2上端的电压迅速上升,导致⑨脚与⑩脚输出的负脉冲变窄,从而降低开机瞬间的浪涌电流,也避免了开机浪涌电压使过压保护电路动作。电容C3则稳定了(14)脚的电压,当电容C2下端的电压突变经R2传送过来时,.保证电源正常("POWERGOOD")信号的正确时序。
AT2005B为塑封双列(16)脚直插式结构,各引脚名称及常见外围电路如图1所示,图2为其内部结构功能框图。现对各引脚功能及所接外围元件的作用分析如下:


芯片第①脚为运放反相输人端(OP NEG IN),(16)脚为运放输出端(OP OUT).它们实际上分别是图2中误差放大器A10的反相输人端与输出端。外电路中该两脚间接有阻容串联补偿网络R1、C1,以改善误差放大器的频率特性.消除自激并增加带宽。
②脚为电压调整输人端仅AD刀,V5和V12电压经电阻网络114,115和VR分压取样后,经②脚送人误差放大器。通过调整VR可对开关电源输出电压进行调节。③脚(V33)、④脚(V5)、⑤脚(V12)分别为3.3V,5V及12V电压的过压/欠压检测输人端。其中3.3V和5V分别直接接入③脚(V33)和④脚(V5),而12V需经电阻R6,R7(图1)分压后才能接人⑤脚(V12),因AT2005B最大允许输人仅5.5V。⑤脚设定的正常输人电压值约为2.37V-4.64V,超出此范围电路即自动保护。
⑥脚(即为一备用的过压/欠压保护检测输人端。它可为某些多于上述3路(3.3V,5V及12V)输出的特殊电源提供保护。
⑦脚为电源地(GND),⑩脚为电F(Vcc)o AT2005B电源最大允许电压为5.5V.常用值为5V.
⑧脚(CT)为锯齿波振荡电容接人端。图2中锯齿波振荡器的振荡频率FOSC由该脚外接电容CT的电容最决定.其计算公式
为:Fosc=410x103/(3.3xCT)kHz,式中CT的单位为pFo如CT=2200pF,则Fosc=410x 103/(3.3x2200)=56.5 kHz。
⑨脚(C1)、⑩脚(C2)分别为驱动输出1与驱动输出20因为是漏极开路输出方式,外电路需分别加接上拉电阻R3(如图1所示)。其最大允许漏极电流均为200mA,最大允许漏极功耗200mW。输出脉冲频率为上述锯齿波频率Fosc的1/2(如图3所示)。

(11)脚(REM)为远程开/关机信号输人端,低电平有效。当REM为低电平时,主电源开机;反之,REM为高电平时关机。
(13)脚(PG)为电源正常("POWERGOOD”信号输出端,高电平有效。当PG为高电平时电源正常;否贝ilPG为低电平。(12)脚(TPG)为电源正常信号延迟时问设定端。延迟时间长短由该脚外接电容C4的电容量决定,当C4=2.2μF时(如图1所示),延迟约250ms。
(14)脚(DET)为信号检测输人端。误差放大器的输出(16)脚信号经隔离电阻R2接人DET端(如图1所示),当该电压大于某确定值(如0.625V)日寸,才允许(13)脚产生"POWER GOOD"高电平信号。
图3为脉宽调制(PWM)作用波形。其中"PWM输出”即图2中误差放大器A10的输出。②脚的取样电压愈高.`PWM输出”愈大.导致⑨脚(C1)与⑩脚(C2)输出负脉冲愈窄用它去推动半桥开关管,使输出电压稳定。
图1中电容C2的作用是保障电源的软启动。在电源启动瞬间,电容C2上端的电压迅速上升,导致⑨脚与⑩脚输出的负脉冲变窄,从而降低开机瞬间的浪涌电流,也避免了开机浪涌电压使过压保护电路动作。电容C3则稳定了(14)脚的电压,当电容C2下端的电压突变经R2传送过来时,.保证电源正常("POWERGOOD")信号的正确时序。
射频工程师养成培训教程套装,助您快速成为一名优秀射频工程师...
射频和天线工程师培训课程详情>>

