- 易迪拓培训,专注于微波、射频、天线设计工程师的培养
一种三相变单相变频调压电源的设计
录入:edatop.com 点击:
本文介绍一种基于单片机数字控制可调三相变单相变频电源的设计,该系统充分运用现代电力电子技术,利用功率开关器件集成电路实现开关电源的Dc—DC变换,采用自带:PWM波的PIcl6F877单片机经过软件程序编程实现SPWM调制波实现逆变桥IGBT器件的控制,通过反馈电压与采样电压比例比较控制占空比实现稳压。具有自动稳压、调节频率宽、输出电压工作可调范围大、工作效率高、电路简洁和抗干扰性能良好等特点。
主电路
三相交流电经过可变变压器隔离,以实现输入电压的大范围调节,后送人三相桥式全波整流器,本设计使用传统的集成整流桥来整流,使用集成整流桥整流与分立二极管整流相比,它具有通过电流更大、散热性能更佳的优点。整流后的直流电需并联一个高压电容来平滑滤波,通过电容滤波得到低纹波直流电源,主电路由4只IGBT组成全桥逆变器,输出的电压波经过传统常模和共模扼流线圈滤波后输出。
控制电路设计
早期控制方法得到输出为矩形波,谐波含量较高,谐振含量高,且其频率较低,滤波困难,本设计采用SPWM滤波法,具有线性调压,抑制谐波的特点。本设计全桥逆变电路应用单极性SPWM波。单极性SPWM的载波为单极性的不对称三角波,输出电压也是单极性的方波,输出电压中包含零电平。由于其载波本身就具有奇函数对称和半波对称特性,无论频率比k取奇数还是偶数输出电压都没有偶次谐波。输出电压的单极性特性使得输出电压不含有k次中心谐波和边频谐波但却有少量的低频谐波分量。单极性SPWM的控制信号为一组高频(载波频率fc)脉冲和一组低频(调制频率fg)脉冲,每组的两列脉冲相位互补。由三角载波和正弦调制波的几何关系可以得到,在k>>1时,高频脉冲的占空比D为

利用含具有SPWM功能的外围功能模块CCP的PIC单片机编程实现SPWM波和控制频率脉宽的调节,减轻了硬件的要求且成本低,产生干扰小,具有较快的执行速度,利用面积等效法实现对逆变系统的SPWM控制。
单片机的另一个功能是通过程序中频率参数的改变来实现输出频率的变化。同时由反馈稳定电路控制频率脉宽的调节以实现输出稳压的目的。并由各路检测到的过压、过流信号经单片机处理后输出保护控制信号,保证系统及用电设备的可靠运行。

软件设计
软件主要实现SPWM波的输出及控制功能。PICl7F877具有自带PWM信号。通过软件程序编程实现SPWM调制波后由CCPl和CCP2端口输出。开机后初始化8279及单片机的参数,单片机初始产生占空比50%,周期为20ms的脉冲串信号。并设定中断向量的人口,等待键盘中断输人。此时输人单片机直流电压取样电压与输出反馈电压按一定比例进行比较,控制占空比,使输出电压伴随直流电压而保持稳定。待输入变频信号或占空比信号后,8279芯片向单片机发出中断信号并转入中断服务程序。中断服务程序中通过接收到的信号改变占空比实现调压,改变脉冲串周期实现输出改变的目的。
驱动电路及保护吸收电路
本设计电路桥需4路不共地驱动信号且使用的IGBT的开通栅极驱动电压需12~20V之间,反向偏压在-5~15V之间才能可靠工作,而单片机所输出的控制信号电平低,且是共地,因此必须对电平进行转换隔离,本设计将2路控制信号直接分成4路,采用东芝公司的产品TLP250,电路非常简单实用。
TLP250采用8脚DIP封装,输入端内置光耦的隔离电压达到2500V,输入电流为5~lOmA,输出电流达O.5A,可以直接驱动50A/1200V的IGBT,驱动电路如图4所示,采用单电源25V供电,使用时需接一个电阻和两个对接的稳压管稳压约10V,把25v的隔离电源变为+15V的导通电压和-10V的关断电压,并在靠近IGBT管栅极和发射极间并接一个20kQ的电阻进行栅极保护,在集电极与发射极间采用RCD缓冲保护电路,为防直流过压,本设计采用H9915/G30N60C3D型IGBT。
隔离电源
为了满足驱动主电路逆变桥上的IGBT25V及单片机、光耦等其他辅助器件所需5v电源,本设计采用效率、体积、重量等指标均优于线性稳压电源的开关电源。
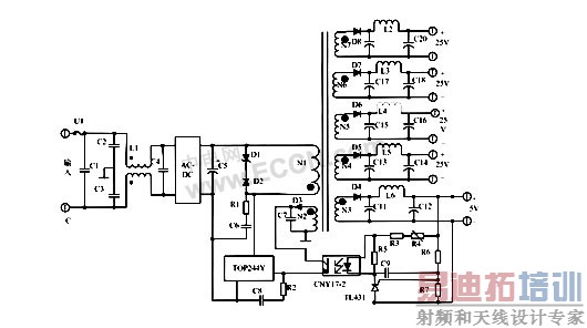
本开关电源采用TOPSWITCH系列智能开关电源集成芯片,该芯片把自启动电路、功率MOSFET、PWM控制电路以及保护电路集成在一起,提高了电源效率,简化了外围电路设计,降低了成本,增强了系统可靠性。电路采用单端反激式多路输出开关电路。如图5所示,输入为三相电的A、C相,经交流滤波、整流、电容稳压后,通过控制功率开关管周期性通断工作,调节占空比使变压器耦合输出多路电压,电压反馈电路采用由TI公司和摩托罗拉公司生产的可调式精密并联稳压器T431,经R6、R7分压后送到T431的Ref端,转化为电流反馈信号,再经光耦隔离后输入TOPSWITGH的控制端,通过改变占空比实现稳定输出的目的。

输出滤波电路设计
图5由逆变后输出的带高频SPWM载波的交流信号波形,图6为示波器对其信号的FFT分析结果,谐波较小。
图5 辅助电源电路
逆
变电桥变频输出为带高频载波的交流信号,不能直接使用,同时IGBT等开关功率放大器的导通和关断,电容的充放电等会产生很强的电磁干扰,为减少EMI发射量以及避免外部干扰对本电源的影响,经测试谐波较大的截止频率均在2000Hz以上,因此可采用技术成熟的典型EMI的Ⅱ型滤波电路,用噪声分离测量法,根据噪声源阻抗特性及阻抗失配原则确定EMI滤波器的具体参数如下:Ll、L2用来减少常模干扰同时与后面的电容配合直接滤除高频载波,均为45μH,去除差模干扰的c1和c4为2μF;去除共模干扰的C2、C3、C5、C6均为330nF;共模扼流圈Ll为1mH,采取双线并绕在低损耗高导磁率的铁氧体上,对共模和串模干扰进行抑制。该滤波电路滤波效果明显,既满足EMI要求,又解决传导干扰,保证了本系统的正常T作。
采样负反馈稳压及微调电路
本设计直接在输出端利用变压器耦合后由二极管全桥整流集成块整流经电容滤波后,用小电阻分压,经光电耦合器耦合送到单片机,再与主电路整流滤波后分压所得的电压在单片机内进行比例比较对占空比的调整来控制逆变桥的稳定输出。
试验结果
本设计调整后经过测试表明,该逆变电源输出波形良好,运行可靠,满足一般性能指标要求,通过改变三相变压器实现电压粗调,占空比按钮实现细调,频率按钮能实现输出频率改变,实现输入为3相50Hz380V,输出为单相lHz~450I-lz/0~350V的工作坏境。
本文介绍了一种可调三相变单相变频电源的设计,该系统充分运用现代电力电子技术,利用功率开关器件集成电路实现开关电源的Dc—Dc变换,采用自带PWM波的PICl6F877单片机经过软件程序编程实现SPWM调制波实现逆变桥IGBT器件的控制,通过反馈电压与采样电压比例比较控制占空比实现伴随和稳压。
该系统与传统的可调三相变单相变频电源相比,在保留基本功能前提下,具有效率高、体积小、重量轻、损耗小等优点,还具有良好的传导EMI性能,这种基于单片机软件数字化SPWM控制方式,具有较高的智能化程度,进一步提高了电源设备的可靠性,具有广阔的应用前景。
主电路
三相交流电经过可变变压器隔离,以实现输入电压的大范围调节,后送人三相桥式全波整流器,本设计使用传统的集成整流桥来整流,使用集成整流桥整流与分立二极管整流相比,它具有通过电流更大、散热性能更佳的优点。整流后的直流电需并联一个高压电容来平滑滤波,通过电容滤波得到低纹波直流电源,主电路由4只IGBT组成全桥逆变器,输出的电压波经过传统常模和共模扼流线圈滤波后输出。
控制电路设计
早期控制方法得到输出为矩形波,谐波含量较高,谐振含量高,且其频率较低,滤波困难,本设计采用SPWM滤波法,具有线性调压,抑制谐波的特点。本设计全桥逆变电路应用单极性SPWM波。单极性SPWM的载波为单极性的不对称三角波,输出电压也是单极性的方波,输出电压中包含零电平。由于其载波本身就具有奇函数对称和半波对称特性,无论频率比k取奇数还是偶数输出电压都没有偶次谐波。输出电压的单极性特性使得输出电压不含有k次中心谐波和边频谐波但却有少量的低频谐波分量。单极性SPWM的控制信号为一组高频(载波频率fc)脉冲和一组低频(调制频率fg)脉冲,每组的两列脉冲相位互补。由三角载波和正弦调制波的几何关系可以得到,在k>>1时,高频脉冲的占空比D为

利用含具有SPWM功能的外围功能模块CCP的PIC单片机编程实现SPWM波和控制频率脉宽的调节,减轻了硬件的要求且成本低,产生干扰小,具有较快的执行速度,利用面积等效法实现对逆变系统的SPWM控制。
单片机的另一个功能是通过程序中频率参数的改变来实现输出频率的变化。同时由反馈稳定电路控制频率脉宽的调节以实现输出稳压的目的。并由各路检测到的过压、过流信号经单片机处理后输出保护控制信号,保证系统及用电设备的可靠运行。

软件设计
软件主要实现SPWM波的输出及控制功能。PICl7F877具有自带PWM信号。通过软件程序编程实现SPWM调制波后由CCPl和CCP2端口输出。开机后初始化8279及单片机的参数,单片机初始产生占空比50%,周期为20ms的脉冲串信号。并设定中断向量的人口,等待键盘中断输人。此时输人单片机直流电压取样电压与输出反馈电压按一定比例进行比较,控制占空比,使输出电压伴随直流电压而保持稳定。待输入变频信号或占空比信号后,8279芯片向单片机发出中断信号并转入中断服务程序。中断服务程序中通过接收到的信号改变占空比实现调压,改变脉冲串周期实现输出改变的目的。
驱动电路及保护吸收电路
本设计电路桥需4路不共地驱动信号且使用的IGBT的开通栅极驱动电压需12~20V之间,反向偏压在-5~15V之间才能可靠工作,而单片机所输出的控制信号电平低,且是共地,因此必须对电平进行转换隔离,本设计将2路控制信号直接分成4路,采用东芝公司的产品TLP250,电路非常简单实用。
TLP250采用8脚DIP封装,输入端内置光耦的隔离电压达到2500V,输入电流为5~lOmA,输出电流达O.5A,可以直接驱动50A/1200V的IGBT,驱动电路如图4所示,采用单电源25V供电,使用时需接一个电阻和两个对接的稳压管稳压约10V,把25v的隔离电源变为+15V的导通电压和-10V的关断电压,并在靠近IGBT管栅极和发射极间并接一个20kQ的电阻进行栅极保护,在集电极与发射极间采用RCD缓冲保护电路,为防直流过压,本设计采用H9915/G30N60C3D型IGBT。
隔离电源
为了满足驱动主电路逆变桥上的IGBT25V及单片机、光耦等其他辅助器件所需5v电源,本设计采用效率、体积、重量等指标均优于线性稳压电源的开关电源。
本开关电源采用TOPSWITCH系列智能开关电源集成芯片,该芯片把自启动电路、功率MOSFET、PWM控制电路以及保护电路集成在一起,提高了电源效率,简化了外围电路设计,降低了成本,增强了系统可靠性。电路采用单端反激式多路输出开关电路。如图5所示,输入为三相电的A、C相,经交流滤波、整流、电容稳压后,通过控制功率开关管周期性通断工作,调节占空比使变压器耦合输出多路电压,电压反馈电路采用由TI公司和摩托罗拉公司生产的可调式精密并联稳压器T431,经R6、R7分压后送到T431的Ref端,转化为电流反馈信号,再经光耦隔离后输入TOPSWITGH的控制端,通过改变占空比实现稳定输出的目的。

输出滤波电路设计
图5由逆变后输出的带高频SPWM载波的交流信号波形,图6为示波器对其信号的FFT分析结果,谐波较小。
图5 辅助电源电路
逆变电桥变频输出为带高频载波的交流信号,不能直接使用,同时IGBT等开关功率放大器的导通和关断,电容的充放电等会产生很强的电磁干扰,为减少EMI发射量以及避免外部干扰对本电源的影响,经测试谐波较大的截止频率均在2000Hz以上,因此可采用技术成熟的典型EMI的Ⅱ型滤波电路,用噪声分离测量法,根据噪声源阻抗特性及阻抗失配原则确定EMI滤波器的具体参数如下:Ll、L2用来减少常模干扰同时与后面的电容配合直接滤除高频载波,均为45μH,去除差模干扰的c1和c4为2μF;去除共模干扰的C2、C3、C5、C6均为330nF;共模扼流圈Ll为1mH,采取双线并绕在低损耗高导磁率的铁氧体上,对共模和串模干扰进行抑制。该滤波电路滤波效果明显,既满足EMI要求,又解决传导干扰,保证了本系统的正常T作。
采样负反馈稳压及微调电路
本设计直接在输出端利用变压器耦合后由二极管全桥整流集成块整流经电容滤波后,用小电阻分压,经光电耦合器耦合送到单片机,再与主电路整流滤波后分压所得的电压在单片机内进行比例比较对占空比的调整来控制逆变桥的稳定输出。
试验结果
本设计调整后经过测试表明,该逆变电源输出波形良好,运行可靠,满足一般性能指标要求,通过改变三相变压器实现电压粗调,占空比按钮实现细调,频率按钮能实现输出频率改变,实现输入为3相50Hz380V,输出为单相lHz~450I-lz/0~350V的工作坏境。
本文介绍了一种可调三相变单相变频电源的设计,该系统充分运用现代电力电子技术,利用功率开关器件集成电路实现开关电源的Dc—Dc变换,采用自带PWM波的PICl6F877单片机经过软件程序编程实现SPWM调制波实现逆变桥IGBT器件的控制,通过反馈电压与采样电压比例比较控制占空比实现伴随和稳压。
该系统与传统的可调三相变单相变频电源相比,在保留基本功能前提下,具有效率高、体积小、重量轻、损耗小等优点,还具有良好的传导EMI性能,这种基于单片机软件数字化SPWM控制方式,具有较高的智能化程度,进一步提高了电源设备的可靠性,具有广阔的应用前景。
射频工程师养成培训教程套装,助您快速成为一名优秀射频工程师...
天线设计工程师培训课程套装,资深专家授课,让天线设计不再难...
上一篇:电子书设计关键:将电源管理融入设计
下一篇:基于开关电源的EMC设计
射频和天线工程师培训课程详情>>

