- 易迪拓培训,专注于微波、射频、天线设计工程师的培养
基于MO-OTAS和CCCII电流模式通用滤波器设计
录入:edatop.com 点击:
近些年来,电流模式电路引起了学术界的浓厚兴趣,其中电流控制第二代电流传送器(CCCII)和跨导运算放大器(OTA)作为电流模式信号处理中的基本有源器件,在连续时间滤波器中得到了广泛应用。因而大量有关采用跨导运算放大器(OTA)和电流控制第二代电流传输器(CCCII±)构成的电流模式滤波器的文献不断见诸报道。
跨导运算放大器是一种电压控制的电流源器件,该器件电路结构简单,高频性能好,很适合实现全集成连续时间滤波器。另外,第二代电流控制传输器CCCII除了具有上述各项优点外,尤其适合在高频和高速信号领域中应用。此外,电路中具有本质电阻(Intrinsic Re-sistance)的特点,使得由它设计的电路更具弹性。因而关于OTA与CCC相结合的电路设计也受到广大研究人员的高度重视。
在此,提出使用一个MO-CCC,两个MO-OTAS和三个接地电容所组成的电流模式通用滤波器。该设计相对于以往的一些电路而言,不仅所有电容全部接地利于集成,而且中心频率和品质因数独立可调。针对所提电路进行仿真,仿真结果表明所提出的二阶电流模式滤波器电路方案的正确性。
1 MO—OTAS和CCCII士简介
跨导运算放大器CCCII士和电流传输器MO-OTAS电路符号及原理如图1,图2所示。

由图3可知,理想的()TA的传输特性是:

式中:Io是输出电流;Vd是差模输入电压;gm是开环增益,称为跨导增益,它是外部控制电流Ib的函数。CCCII±的端口特性由下列混合矩阵方程给出:

式中:Rx是X端的输入电阻,由偏置电流Ib控制,关系式为RX=VT/2Ib,在T=300 K的常温下VT=26 mV。
2 电路分析
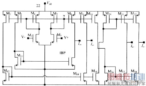
一种将MO-OTAS和CCCII±相结合所得到的双二阶滤波器如图3所示。其中,Iin为输入电流;Ilp,Ihp,Ibp分别为低通、高通、带通输出函数。该电路的有源器件在输入端输入信号时,在输出端通过电流镜技术可以获得多个输出,而且由于输出端的高阻抗,可以将各个输出端任意组合而得到二阶陷波和全通函数。

由MO-OTAS和CCCII±的端口特性,经电路分析得到如下的电流传输函数:

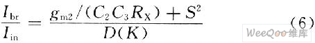
并且通过低通与高通的线性组合可得到带阻如下:

式中:D(K)=S2+S(gm1/C1)+gm2/(C1C2RX)
将上式通过变换可得如下函数:

式中:参数ω0和Q由下式表达:

为了简化分析式(8),式(9),这里假设gm1=gm2=gm,而且C2=C3=C,当调节C1或gm1的数值时,可以看见Q在随其变化,而ω0仍然保持不变。可见,滤波器的特征频率和品质因数可以独立进行调节。
3 灵敏度分析
根据灵敏度计算公式

得到的中心频率ω0和品质因数Q相对于电路中的各元件(RX,C1,C2,Gm)的灵敏度如表1所示。

4 实例设计与计算机仿真
为了验证上述所提出电路方案的正确性,对图3电路方案进行了HSpice仿真,并与理论值相比较。使电路元器件符合设计的电路要求,在模型MO—OTAS和DO-CCII的基础上,修改了其电路图,如图4所示。


为了实现上述电路功能,设置CCCII±中的偏置电流Ibi=6.0μA,偏置电压VDD=-VSS=1.85 V,PMOS的宽和长分别为W=3μm,L=2μm;NMOS的宽和长分别为W=3μm,L=4μm。
设置OTA中的偏置电流Ibp=5.5μA,偏置电压VDD=-VSS=1.85 V,PMOS与NMOS的宽长是W=4 μm,L=2μm。
作为一个设计例子,将低通、高通、带通、带阻和全通的中心频率设置为10 kHz,设置电路电容为C1=C2=C3=10-9F,仿真结果如图5、图6所示。其中,图5为低通、高通、带通、带阻波形。图6为调节CCCII中偏置电流Ibi,使其分别为3μA,6μA,12μA,24μA下所得到的低通波形图像。

由表1,表2可以看出,改变电路品质因数Q的值,可以通过两种方法实现,即调节电路和改变硬件。对于电路的调节,可以给定C1=C2=C3=1×10-9F,只需调节OTA1的偏置电流,进而改变跨导的大小,以此表达改变品质因数的目的。另外一种是通过改变C1的大小来改变品质因数。图7,图8分别以带通和带阻来实现上述功能。



5 结 语
这里提出一种新颖的MO-OTAS和CCCII相结合的二阶多功能电流模式滤波器,所设计的滤波器频率可调,只需适当调节CCCII的偏置电流,即可达到调节CCCII内部电阻RX,使得滤波器的调谐能力大大提高。另外,还提出了两种改变品质因数的方法,通过实验证明了中心频率与品质因数之间的相互独立性,而且由于没有使用浮地电容,便于实现集成。且ω0,Q对无源元件灵敏度低。仿真结果验证了它在较宽的频率范围内表现良好。
跨导运算放大器是一种电压控制的电流源器件,该器件电路结构简单,高频性能好,很适合实现全集成连续时间滤波器。另外,第二代电流控制传输器CCCII除了具有上述各项优点外,尤其适合在高频和高速信号领域中应用。此外,电路中具有本质电阻(Intrinsic Re-sistance)的特点,使得由它设计的电路更具弹性。因而关于OTA与CCC相结合的电路设计也受到广大研究人员的高度重视。
在此,提出使用一个MO-CCC,两个MO-OTAS和三个接地电容所组成的电流模式通用滤波器。该设计相对于以往的一些电路而言,不仅所有电容全部接地利于集成,而且中心频率和品质因数独立可调。针对所提电路进行仿真,仿真结果表明所提出的二阶电流模式滤波器电路方案的正确性。
1 MO—OTAS和CCCII士简介
跨导运算放大器CCCII士和电流传输器MO-OTAS电路符号及原理如图1,图2所示。

由图3可知,理想的()TA的传输特性是:

式中:Io是输出电流;Vd是差模输入电压;gm是开环增益,称为跨导增益,它是外部控制电流Ib的函数。CCCII±的端口特性由下列混合矩阵方程给出:

式中:Rx是X端的输入电阻,由偏置电流Ib控制,关系式为RX=VT/2Ib,在T=300 K的常温下VT=26 mV。
2 电路分析
一种将MO-OTAS和CCCII±相结合所得到的双二阶滤波器如图3所示。其中,Iin为输入电流;Ilp,Ihp,Ibp分别为低通、高通、带通输出函数。该电路的有源器件在输入端输入信号时,在输出端通过电流镜技术可以获得多个输出,而且由于输出端的高阻抗,可以将各个输出端任意组合而得到二阶陷波和全通函数。

由MO-OTAS和CCCII±的端口特性,经电路分析得到如下的电流传输函数:

并且通过低通与高通的线性组合可得到带阻如下:

式中:D(K)=S2+S(gm1/C1)+gm2/(C1C2RX)
将上式通过变换可得如下函数:

式中:参数ω0和Q由下式表达:

为了简化分析式(8),式(9),这里假设gm1=gm2=gm,而且C2=C3=C,当调节C1或gm1的数值时,可以看见Q在随其变化,而ω0仍然保持不变。可见,滤波器的特征频率和品质因数可以独立进行调节。
3 灵敏度分析
根据灵敏度计算公式

得到的中心频率ω0和品质因数Q相对于电路中的各元件(RX,C1,C2,Gm)的灵敏度如表1所示。

4 实例设计与计算机仿真
为了验证上述所提出电路方案的正确性,对图3电路方案进行了HSpice仿真,并与理论值相比较。使电路元器件符合设计的电路要求,在模型MO—OTAS和DO-CCII的基础上,修改了其电路图,如图4所示。


为了实现上述电路功能,设置CCCII±中的偏置电流Ibi=6.0μA,偏置电压VDD=-VSS=1.85 V,PMOS的宽和长分别为W=3μm,L=2μm;NMOS的宽和长分别为W=3μm,L=4μm。
设置OTA中的偏置电流Ibp=5.5μA,偏置电压VDD=-VSS=1.85 V,PMOS与NMOS的宽长是W=4 μm,L=2μm。
作为一个设计例子,将低通、高通、带通、带阻和全通的中心频率设置为10 kHz,设置电路电容为C1=C2=C3=10-9F,仿真结果如图5、图6所示。其中,图5为低通、高通、带通、带阻波形。图6为调节CCCII中偏置电流Ibi,使其分别为3μA,6μA,12μA,24μA下所得到的低通波形图像。

由表1,表2可以看出,改变电路品质因数Q的值,可以通过两种方法实现,即调节电路和改变硬件。对于电路的调节,可以给定C1=C2=C3=1×10-9F,只需调节OTA1的偏置电流,进而改变跨导的大小,以此表达改变品质因数的目的。另外一种是通过改变C1的大小来改变品质因数。图7,图8分别以带通和带阻来实现上述功能。



5 结 语
这里提出一种新颖的MO-OTAS和CCCII相结合的二阶多功能电流模式滤波器,所设计的滤波器频率可调,只需适当调节CCCII的偏置电流,即可达到调节CCCII内部电阻RX,使得滤波器的调谐能力大大提高。另外,还提出了两种改变品质因数的方法,通过实验证明了中心频率与品质因数之间的相互独立性,而且由于没有使用浮地电容,便于实现集成。且ω0,Q对无源元件灵敏度低。仿真结果验证了它在较宽的频率范围内表现良好。
射频工程师养成培训教程套装,助您快速成为一名优秀射频工程师...
射频和天线工程师培训课程详情>>

