- 易迪拓培训,专注于微波、射频、天线设计工程师的培养
高可靠系统的电源电压监控和定序
录入:edatop.com 点击:
对于多数电子系统,用上电复位(POR)监控系统电压能保证正确的上电初始化。用POR监测降低电压条件也使码执行问题(可使存储器不可靠或导致系统不能正确运行)最少。为了改善高端系统的可靠性,系统电源必须有正确的时序,以防止其微控制器,微处理器,DSP或ASIC闭锁,闭锁问题可能导致系统损坏或长期可靠性问题。在大多数情况下,一个或多个微处理器监控IC可执行这些定序和监控功能。
用检测器和上电复位监控电压
监控系统电源电压的一种简单方法是用电压监测器,这种IC包括一个比较器和一个内部基准。当电源电压降到低于电压检测器的阈值时,其输出告知系统微控制器,电源故障即将发生。这种警示使微控制器有机会保护存储器、开或断电源系统停机在控制状态。
上电或断电期间,当电压检测器改变状态时,其输出在短的传播延迟后才判定。这对于电源故障告警是好的。在大多数情况下,微控制器的复位输入需要一个较长的延迟,在微控制器的从其复位状态释放前,在上电期间系统时钟和电源必须稳定,处理器的寄存器必须初始化。上电复位(POR)是微处理器监控IC的一种性能,能提供较长的延迟(称之为复位超时)使系统在允许微控制器工作前完全初始化。当电源电压暂低于POR阈值以上电也会发生,在电源返回到POR阈值以上之后,会提供同样的延迟。上电复位具有不同的固定超时周期数和阈值电压,有些上电复位提供电容器可调的超时周期。
监控多电压系统
大多数系统监控3.3V I/O逻辑电源。为了使系统具有较高可靠性,必须监控另外的电源,如芯核和存储器电源。为数众多的多电压微处理器监控器能执行这种任务,但给定系统的特殊要求使所选择余地大大降低。尽管大多数监控器能监控标准电压(如5V,3.3V、2.5V和1.8V),但往往需要监控另外的电压,这是因为不同的元件(例如存储器、PLD,ASIC)具有特殊的电源要求。因此,你必须决定是采用固定阈值器件(这种器件不需要外部电阻器)还是更灵活的可调阈值器件(这种器件满足需求和改变,但需要外部电阻器)。具有固定和可调阈值组合的器件是一种最好的解决方案。在选择器件时,重要的是选择其基准电压比所监控的系统最低电压要低很多。例如,工作在0.8V,0.9V和1V电源系统中,用具有标准1.2V基准的器件就不能工作。
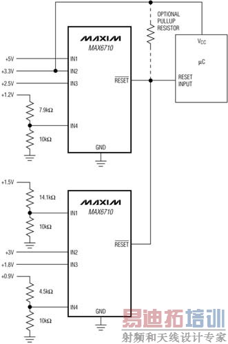
近年来,出现在高可靠系统中的电源电压数在增加,10个或更多电压是平常的。在监控大数量电压时,可以用几个监控器件。在这种情况下,用具有漏板开路的多电压监控器有很多的好处,因为这种器件的输出可以OR在一起来提供单个输出。图1示出两个MAX6710连接在一起,监控8个电压时,提供一个复位信号。
过压保护电路
某些电源不仅仅需要监控欠压,而且也需要监控过压条件。在很多系统中,过压监控已成为必须的。以防止损坏昂贵的处理器和ASIC。监控过电和欠压条件的上下限幅检测器可用两个电压检测器和一个基准构成。另外一种办法是用专门的上下限幅检测器IC,如MAX6754。另外一种电压保护电路包括一个外部P沟道MOSFET,若电压超过所标定的电平,则外部P沟道MOSFET关闭电源(图2)。
定序电路
用电源稳压器的使能或停机引脚可以方便地定序电源。在这种“菊花链”配置中,当电源首次上电时,电源要求其Power OK(POK)信号(假若有此信号)告知其他电路其电压是在容限内。POK输出连接第2个稳压器的停机或使能引脚并在有效时开启此稳压器。图3示出其电路图。对于需要较长延迟的情况,某些稳压器包括一个POR;这种配置允许在开通定序中的下一个电源前有较长的时间延迟。
图3带POK输出的电源为定序其他电源提供一种方便的方法
当设有POK信号可用时,可以用电压检测器或POR监控电源输出,把检测器或POR输出连接到第2个电源的停机或使能输入。当监测电压超过特定阈值时,第2个电源开通。在用有干扰的电源时,特别是监控电压电平接近于其跳闸值情况下,检测器不必几次开、关稳压器。在这种情况下,上电复位电路可使这种影响最小,有利用POR的暂停周期。当被监控电压低于监控器的阈值时,POR输出在被监控电压返回到高于阈值前至少维持和保持最小复位暂停周期。在暂停周期期间,为了使监控器去除维持,电压必须继续大于复位阈值,因此可避免电源复位循环。用POR为停机或使能引脚产生信号除上述优点外,还允许控制导通时间;POR所具有的复位暂停时间范围为几微秒~1秒多。
上电复位电路也具有控制其他上电的序的能力。例如,在3个电源的系统中,可以在第3个电源有效前,使前两个电源有效。假若用单个无POK输出的稳压器产生前两个电源,则可以用一个双电压POR来控制它的两个电压。然后,锁入使能或停机引脚,使POR输出控制第3个电源定序。为了定序更多数量的电源,可以采用多电压器件。例如,一个四电压检测器适合于定序4个电压。此外,可以采用具有不同延迟的多复位输出的器件来定序多个电源。
导通通路器件
在用一个“银盒子”或“砖头”电源时,设有另外的电路,以控制命令开和关每个电压是不可能的。这种电源提供标准电压(如5V、3.3V、1.8V),这些电压分布在系统中。例如,一个“砖头”电源可为两上不同的IC提供3.3V逻辑电源和1.8V芯核电源。在某些情况下,这些IC需要不同的电源定序;一个器件需要芯核电源首先上升,而第2个器件需求I/O电源先上升。
在这种情况下,定序电源的一种方法是通过一个外部器件来开关电源。图4示出一个电压检测器连接到MOSFET的栅极,此MOSFET开关VCC1。当有一个可用的较高电压提供栅—源电压(此电压对于完全增强MOSFET是足够大的)时,用一个N沟道MOSFET是合适的。然而,可能会引起问题,在电路上电期间,若VCC2早于VCC1达到足够高的电平,会导通电压检测器的输出。在这种情况下,VCC2将增强MOSFET(它将导通)直到VCC1上升足够大,使电压检测器输出维持低态。
用一个电压检测器和一个P沟道MOSFET,不需要第2个较高的电压可以实现同样的电路。但是,此电路不适合低电压电源。另外,P沟道MOSFET的较高导通电阻,使得此电路对于高功率应用是不实用的。
一种比较容易和更可靠的方法就是用MAX6891这样的器件来执行监控和定序双重功能(见图5)。这类IC用复位电路监控第一个电压来确定该电压是否在性能指标内;当符合性能指标时,IC通过其MOSFET驱动器导通MOSFET。一个内部电荷泵加一个固定电压到第2个电源,并加合电压到MOSFET的栅极,这有助于确保栅一源电压能足够高来完全增强MOSFET。
容限功能
很多电信、网络、存储和服务器设备在制造期间,往往采用容限工艺规程,使系统维持坚固的可靠性能。此工艺涉及系统(或处理器)的评价,使系统电源偏离额定电平进行评价。为了改变电源电平,通常用数字电位器或电流DAC改变DC-DC变换器电源的反馈回路来调节。图6示出加容限到电源的很多方法中的两种。其他通用方法包括通过一个数字接口编程电源输出或调节电源。不同程序的容限控制包括“合格/失效”方法(对所有电源增加或减少±5%或±10%电平)和精细的调节方法(电源以10mV或100mV较小的步长增加或减少电源电平);后一种方法允许更详细地评价系统性能。
可以用ADC更精确地测量这些电源电平值。用微控制所含的ADC来执行此功能;然而,在微控制器供电电源降到低于性能指标时,其内部基准可能超出容差,这会影响ADC精度。在加容限期间也必须断开或禁止复位输出,这样系统可以继续工作。另外,系统将复位,使得不可能现出系统失效时的电源电压电平。在大系统中执行加容限功能的过程可能是相当慢的。
监控、定序和加容限集身于单器件
尽管很多处理器只需要两个电压,一个供电芯核、另一个供电I/O,但其他器件(如DSP,ASIC,网络处理器,视频处理器)可能需要5个电源电压。在单个系统中,监控器电路可能需要监控和定序10个以上的电压。随着系统中电源电压数量的增加,需要监控、定序和加容限的IC数量也在增加。这使成本增加并占用更多板空间。在需要改变参量(如电压阈值,复位暂停周期)时,也需要一个相当困难的任务。
降低电路复杂程度的一种方法是采用可编程系统管理IC、这种IC把监控和定序功能集于一体。这种器件的可编程性,使修改变得更容易处理。在样机和制造阶段不需要换入和换出设计器件。对很多器件,一个串行接口允许设计人员编程内部寄存器来配置器件和设置阈值电平和延迟。板上EEPROM存储这些寄存器的内容。
图7示出MAX6870系统管理器件监控和定序几个系统的电源框图。当+12V总线电压增加并超过其阈值(存储在MAX6870中)时,MAX6870一个输出立即或一个延迟周期(也存储在MAX6870存储器中)之后,使能+5V稳压器。在+5V稳压器上升,而且输出超过它所对应的阈值时,+3.3V电源除去停机。然后,剩余的电源依次以相同的方法增加(除非在MAX6870增强N沟道通路器件时,+5V开关电源变为有效)。
通常编程这类系统管理器件来提供另外的监控功能(如复位电路和看门狗定时器)。系统管理器件通过其模拟和数字输入,也可监控除电源电压外的参量。在图7电路中,AUXIN(模拟输入)和GPI-(数字输入)监控一个温度读数和一个电源电流检测读数。MAX6870包括一个10位ADC,它把读数数字化;微控器监控这些数字化读数的状态。温度传感器和电流检测监控器都包含一个比较器输出,指示已发生的失效(即温度或电流已超过特定的限值)。每个比较器输出连接到MAX6870通用输入(GPI);MAX6870配置成当失效条件发生时,关闭一个或多个电源,从而点亮+12电源上的负载。
内部的ADC使得精确地对电源加容限变得容易。在加容限过程期间,可以从ADC寄存器读每个电源输出的电压。在电压加容限时,容限输入也可以禁止输出或编程它们到已知状态,因此,在此过程期间避免系统复位。
结语
在高端系统中,监控、定序和加容限电压有许多方法。新一代系统管理器件针对当今系统设计人员央对的复杂性问题。新的完全集成的器件为已有方案提供一种替代方案,在单个器件中给出更大的灵活性和功能,从而节省板空间、成本和设计时间。
用检测器和上电复位监控电压
监控系统电源电压的一种简单方法是用电压监测器,这种IC包括一个比较器和一个内部基准。当电源电压降到低于电压检测器的阈值时,其输出告知系统微控制器,电源故障即将发生。这种警示使微控制器有机会保护存储器、开或断电源系统停机在控制状态。
上电或断电期间,当电压检测器改变状态时,其输出在短的传播延迟后才判定。这对于电源故障告警是好的。在大多数情况下,微控制器的复位输入需要一个较长的延迟,在微控制器的从其复位状态释放前,在上电期间系统时钟和电源必须稳定,处理器的寄存器必须初始化。上电复位(POR)是微处理器监控IC的一种性能,能提供较长的延迟(称之为复位超时)使系统在允许微控制器工作前完全初始化。当电源电压暂低于POR阈值以上电也会发生,在电源返回到POR阈值以上之后,会提供同样的延迟。上电复位具有不同的固定超时周期数和阈值电压,有些上电复位提供电容器可调的超时周期。
监控多电压系统
大多数系统监控3.3V I/O逻辑电源。为了使系统具有较高可靠性,必须监控另外的电源,如芯核和存储器电源。为数众多的多电压微处理器监控器能执行这种任务,但给定系统的特殊要求使所选择余地大大降低。尽管大多数监控器能监控标准电压(如5V,3.3V、2.5V和1.8V),但往往需要监控另外的电压,这是因为不同的元件(例如存储器、PLD,ASIC)具有特殊的电源要求。因此,你必须决定是采用固定阈值器件(这种器件不需要外部电阻器)还是更灵活的可调阈值器件(这种器件满足需求和改变,但需要外部电阻器)。具有固定和可调阈值组合的器件是一种最好的解决方案。在选择器件时,重要的是选择其基准电压比所监控的系统最低电压要低很多。例如,工作在0.8V,0.9V和1V电源系统中,用具有标准1.2V基准的器件就不能工作。
近年来,出现在高可靠系统中的电源电压数在增加,10个或更多电压是平常的。在监控大数量电压时,可以用几个监控器件。在这种情况下,用具有漏板开路的多电压监控器有很多的好处,因为这种器件的输出可以OR在一起来提供单个输出。图1示出两个MAX6710连接在一起,监控8个电压时,提供一个复位信号。

图1具有漏板开路输出的两个多电压监控器监控8个电压并提供单个复位输出
过压保护电路
某些电源不仅仅需要监控欠压,而且也需要监控过压条件。在很多系统中,过压监控已成为必须的。以防止损坏昂贵的处理器和ASIC。监控过电和欠压条件的上下限幅检测器可用两个电压检测器和一个基准构成。另外一种办法是用专门的上下限幅检测器IC,如MAX6754。另外一种电压保护电路包括一个外部P沟道MOSFET,若电压超过所标定的电平,则外部P沟道MOSFET关闭电源(图2)。

图2当监控器电路检测一个过压条件时,P沟道MOSFET断开电源
定序电路
用电源稳压器的使能或停机引脚可以方便地定序电源。在这种“菊花链”配置中,当电源首次上电时,电源要求其Power OK(POK)信号(假若有此信号)告知其他电路其电压是在容限内。POK输出连接第2个稳压器的停机或使能引脚并在有效时开启此稳压器。图3示出其电路图。对于需要较长延迟的情况,某些稳压器包括一个POR;这种配置允许在开通定序中的下一个电源前有较长的时间延迟。

图3带POK输出的电源为定序其他电源提供一种方便的方法
当设有POK信号可用时,可以用电压检测器或POR监控电源输出,把检测器或POR输出连接到第2个电源的停机或使能输入。当监测电压超过特定阈值时,第2个电源开通。在用有干扰的电源时,特别是监控电压电平接近于其跳闸值情况下,检测器不必几次开、关稳压器。在这种情况下,上电复位电路可使这种影响最小,有利用POR的暂停周期。当被监控电压低于监控器的阈值时,POR输出在被监控电压返回到高于阈值前至少维持和保持最小复位暂停周期。在暂停周期期间,为了使监控器去除维持,电压必须继续大于复位阈值,因此可避免电源复位循环。用POR为停机或使能引脚产生信号除上述优点外,还允许控制导通时间;POR所具有的复位暂停时间范围为几微秒~1秒多。
上电复位电路也具有控制其他上电的序的能力。例如,在3个电源的系统中,可以在第3个电源有效前,使前两个电源有效。假若用单个无POK输出的稳压器产生前两个电源,则可以用一个双电压POR来控制它的两个电压。然后,锁入使能或停机引脚,使POR输出控制第3个电源定序。为了定序更多数量的电源,可以采用多电压器件。例如,一个四电压检测器适合于定序4个电压。此外,可以采用具有不同延迟的多复位输出的器件来定序多个电源。
导通通路器件
在用一个“银盒子”或“砖头”电源时,设有另外的电路,以控制命令开和关每个电压是不可能的。这种电源提供标准电压(如5V、3.3V、1.8V),这些电压分布在系统中。例如,一个“砖头”电源可为两上不同的IC提供3.3V逻辑电源和1.8V芯核电源。在某些情况下,这些IC需要不同的电源定序;一个器件需要芯核电源首先上升,而第2个器件需求I/O电源先上升。
在这种情况下,定序电源的一种方法是通过一个外部器件来开关电源。图4示出一个电压检测器连接到MOSFET的栅极,此MOSFET开关VCC1。当有一个可用的较高电压提供栅—源电压(此电压对于完全增强MOSFET是足够大的)时,用一个N沟道MOSFET是合适的。然而,可能会引起问题,在电路上电期间,若VCC2早于VCC1达到足够高的电平,会导通电压检测器的输出。在这种情况下,VCC2将增强MOSFET(它将导通)直到VCC1上升足够大,使电压检测器输出维持低态。

图4若得到一个较高的电压,则电压检测器告导通N沟道MOSFET可以定序一个低电压
用一个电压检测器和一个P沟道MOSFET,不需要第2个较高的电压可以实现同样的电路。但是,此电路不适合低电压电源。另外,P沟道MOSFET的较高导通电阻,使得此电路对于高功率应用是不实用的。
一种比较容易和更可靠的方法就是用MAX6891这样的器件来执行监控和定序双重功能(见图5)。这类IC用复位电路监控第一个电压来确定该电压是否在性能指标内;当符合性能指标时,IC通过其MOSFET驱动器导通MOSFET。一个内部电荷泵加一个固定电压到第2个电源,并加合电压到MOSFET的栅极,这有助于确保栅一源电压能足够高来完全增强MOSFET。

图5在初级电源增加之后,MAX6819导通第2个电源。其板上电荷泵增强MOSFET使其导通电阻最小
容限功能
很多电信、网络、存储和服务器设备在制造期间,往往采用容限工艺规程,使系统维持坚固的可靠性能。此工艺涉及系统(或处理器)的评价,使系统电源偏离额定电平进行评价。为了改变电源电平,通常用数字电位器或电流DAC改变DC-DC变换器电源的反馈回路来调节。图6示出加容限到电源的很多方法中的两种。其他通用方法包括通过一个数字接口编程电源输出或调节电源。不同程序的容限控制包括“合格/失效”方法(对所有电源增加或减少±5%或±10%电平)和精细的调节方法(电源以10mV或100mV较小的步长增加或减少电源电平);后一种方法允许更详细地评价系统性能。

图6执行电压定容限的简单技术是增加一个数字电位器或电流DAC到变换器的反馈回路
可以用ADC更精确地测量这些电源电平值。用微控制所含的ADC来执行此功能;然而,在微控制器供电电源降到低于性能指标时,其内部基准可能超出容差,这会影响ADC精度。在加容限期间也必须断开或禁止复位输出,这样系统可以继续工作。另外,系统将复位,使得不可能现出系统失效时的电源电压电平。在大系统中执行加容限功能的过程可能是相当慢的。
监控、定序和加容限集身于单器件
尽管很多处理器只需要两个电压,一个供电芯核、另一个供电I/O,但其他器件(如DSP,ASIC,网络处理器,视频处理器)可能需要5个电源电压。在单个系统中,监控器电路可能需要监控和定序10个以上的电压。随着系统中电源电压数量的增加,需要监控、定序和加容限的IC数量也在增加。这使成本增加并占用更多板空间。在需要改变参量(如电压阈值,复位暂停周期)时,也需要一个相当困难的任务。
降低电路复杂程度的一种方法是采用可编程系统管理IC、这种IC把监控和定序功能集于一体。这种器件的可编程性,使修改变得更容易处理。在样机和制造阶段不需要换入和换出设计器件。对很多器件,一个串行接口允许设计人员编程内部寄存器来配置器件和设置阈值电平和延迟。板上EEPROM存储这些寄存器的内容。
图7示出MAX6870系统管理器件监控和定序几个系统的电源框图。当+12V总线电压增加并超过其阈值(存储在MAX6870中)时,MAX6870一个输出立即或一个延迟周期(也存储在MAX6870存储器中)之后,使能+5V稳压器。在+5V稳压器上升,而且输出超过它所对应的阈值时,+3.3V电源除去停机。然后,剩余的电源依次以相同的方法增加(除非在MAX6870增强N沟道通路器件时,+5V开关电源变为有效)。

图7可编程系统管理器件为电压监控和定序提供一种灵活的方法
通常编程这类系统管理器件来提供另外的监控功能(如复位电路和看门狗定时器)。系统管理器件通过其模拟和数字输入,也可监控除电源电压外的参量。在图7电路中,AUXIN(模拟输入)和GPI-(数字输入)监控一个温度读数和一个电源电流检测读数。MAX6870包括一个10位ADC,它把读数数字化;微控器监控这些数字化读数的状态。温度传感器和电流检测监控器都包含一个比较器输出,指示已发生的失效(即温度或电流已超过特定的限值)。每个比较器输出连接到MAX6870通用输入(GPI);MAX6870配置成当失效条件发生时,关闭一个或多个电源,从而点亮+12电源上的负载。
内部的ADC使得精确地对电源加容限变得容易。在加容限过程期间,可以从ADC寄存器读每个电源输出的电压。在电压加容限时,容限输入也可以禁止输出或编程它们到已知状态,因此,在此过程期间避免系统复位。
结语
在高端系统中,监控、定序和加容限电压有许多方法。新一代系统管理器件针对当今系统设计人员央对的复杂性问题。新的完全集成的器件为已有方案提供一种替代方案,在单个器件中给出更大的灵活性和功能,从而节省板空间、成本和设计时间。
射频工程师养成培训教程套装,助您快速成为一名优秀射频工程师...
天线设计工程师培训课程套装,资深专家授课,让天线设计不再难...
上一篇:嵌入式媒体引擎的实用电源管理
下一篇:一种基于DSP的逆变电源并联运行控制系统
射频和天线工程师培训课程详情>>

