- 易迪拓培训,专注于微波、射频、天线设计工程师的培养
锂离子电池保护器及监控器
录入:edatop.com 点击:
可充电的锂离子电池具有输出电压高、比能量高、放电电压稳定、工作温度范围宽、自放电率低、储存寿命长、无记忆效应等优点,应用越来越广泛,特别是手机的小型化及普及,使锂离子电池用量猛增。为了适应各种不同的便携式电子产品的需要,除单节锂离子电池外,还有2~4节锂离子电池组成的电池组。
锂离子电池较为“娇气”,若在充电过程中充电电压高于规定电压,充电电流超过规定电流;或在放电过程中有过大的放电电流;放电到终止放电电压还继续放电,就会损坏电池或使之报废。由于目前锂离子电池价格较贵,因此开发出各种保护元件、保护器及监控器,它们可有效地保护锂离子电池在充电或使用不当而损坏,监控电池能量的信号输出。
PTC聚合物保护元件是最简单的保护器,它可保护锂离子电池在充电或放电过程中不因过大充、放电流或短路而造成电池损害。但它解决不了在充电过程中的充电电压过高(过充电)或放电过程中的电池电压过低(低于终止放电电压,称过放电),所以开发出功能完善的保护器集成电路。
锂离子电池的基本参数
锂离子电池的额定电压为3.6V(少数的是3.7V)。充满电时的终止充电电压与电池阳极材料有关:石墨的4.2V;焦炭的4.1V。充电时要求终止充电电压的精度在±1%之内。锂离子电池的终止放电电压为2.4~2.7V(电池厂家给出工作电压范围或终止放电电压的参数略有不同)。高于终止充电电压及低于终止放电时会对电池有损害。
使用有一定要求:充电温度0~45℃;放电或保存温度 -20~+60℃。锂离子电池不适合大电流充放电。一般充电电流不大于1C,放电电流不大于2C(C是电池的容量,如C=950mAh,1C的充电率即充电电流为950mA)。
充电、放电在20℃左右效果较好,在负温下不能充电,并且放电效果差,(在-20℃放电效果最差,不仅放电电压低,放电时间比20℃放电时的一半还少)。
锂离子电池保护器IC
锂离子电池保护器IC有适用于单节的及2~4节电池组的。这里介绍这类保护器的要求,并重点介绍单节锂离子电池保护器电路。
对锂离子电池保护器的基本要求:
1.充电时要充满,终止充电电压精度要保护±1%;
2.在充、放电过程中不过流,并有短路保护;
3.到达终止放电电压要禁止继续放电,终止放电电压精度在±3%左右;
4.对深度放电的电池(低于终止放电电压)在充电前以涓流方式预充电;
5.为了工作稳定可靠,防止瞬态电压变化的干扰,内部有过充电、过放电、过流保护的延时电路,防止瞬态干扰造成误动作;
6.在多个串联的电池组充电时,要保护各节电池电压的匹配平衡,匹配精度要求±10%左右;
7.自身耗电省(无论在充、放电时保护器都是通电工作的)。单节电池保护器耗电一般小于10μA,多节的一般在20μA左右;在到达终止放电时,它处于关闭状态,一般耗电2μA以下;
8.保护器电路简单,外围元器件少,占空间小,可以做在电池或电池组中;
9.价格低。
单节锂离子电池保护器
这里以AIC1811单节锂离子电池保护器为例来说明保护器的电路及工作原理。该器件主要特点:终止充电电压有4.35V、4.30V及4.25V(分别由型号后缀A、B、C表示),充电电压精度可达±30mV(±0.7%);耗电省,在3.5V工作电压时工作电流典型值7μA,到达终止放电后耗电仅0.2μA;有过充、过放、过流保护,并有延时以免瞬态干扰;过放电电压2.4V,精度±3.5%;小尺寸5管脚SOT-25封装;工作温度范围-20~+80℃。
AIC1811组成的单节锂离子电池保护电路如图1所示,其内部结构简化图及外部元器件图如图2所示。V1为控制放电的MOSFET,V2为控制充电的MOSFET,R1、C1用来消除充电器输入电压的纹波及干扰电压,R2为防止充电器电源接反时保护CS端的电阻,R3为V2的偏置电阻,FU为保险丝,BATT+及BATT-为电池组的正极和负极(此保护器电路置于电池中)。
在正常充、放电时,V1、V2都导通。充电电流从BATT+流入,经保险丝向电池充电,经V1、V2后由BATT-流出。正常放电时,电流由BATT+经负载RL(图1中未画出)后,经BATT-及V2、V1流向电池负极,其电流方向与充电电流方向相反。由于V1、V2的导通电阻RDS(ON)极小,因此损耗较小。
几种保护的工作状态如下(参看图2):

1.过充电保护
P1为控制过充电的带滞后的比较器,R6、R7组成分压器接在锂离子电池两端,其中间头检测电池的电压并接在R1的同相端,P1的反相端接1.2V基准电压。充电时电池电压低于过充电阈值电压时,P1的反相端电压大于同相端电压,P1输出低电平,使Q1导通,V2的偏置电阻R3有电流流过使V2也导通(V1在充电时是导通的),这样形成充电回路。当充电到达并超过充电阈值电压时,P1同相端电压超过1.2V,P1输出高电平,经100ms延时后使Q1截止,R3无电压使V2截止,充电电路断开,防止过充电。
2.过放电保护
过放电保护电路是由R4、R5组成的分压器、带滞后的比较器P2、100ms延时电路、或门及由Q2、Q3组成的CMOS输出电路组成。当电池放电达到2.4V时,P2输出高电平,经延时后使OD输出低电平,V1截止,放电回路断开,禁止放电。
3.过流保护
以放电电流过流保护为例,CS端为放电电流检测端,它连续地检测放电电流。这是利用CS端的电压VCS与放电电流IL有一定关系,如图3所示。如果把导通的V1、V2看做一个电阻,即RV1DS(ON)及RV2DS(ON),则放电回路如图3的虚线所示。若忽略R2上极小的压降,则VCS对地的电压为:
VCS=[RV1DS(ON)+RV2DS(ON)]×IL
即VCS与放电电流IL成比例。
过流保护电路由比较器P3、延时电路或门等组成。若放电电流超过设定阈值而使VCS超过0.2V,则P3输出高电平,其结果与过放电情况相同使V2截止,禁止放电。该器件尚有其他功能,这里不再介绍。

3~4节锂离子电池保护器
这里以MAX1894/MAX1924为例说明其功能及特点。MAX1894设计用于4节锂离子电池组,而MAX1924适用于3节或4节的电池组。两个保护器可监控串联电池中每一个电池的电压,避免过充电及过放电,从而有效地延长电池的寿命。另外,它也能防止充、放电时电流过大或短路。

两个器件组成的保护器电路如图4所示。它是一种用于4节锂离子电池组的保护器。它与图1不同之处是为了使串联的4个电池在充电时每一个电池的电压基本相等(均压),所以它增加了内部电路及外部电阻、电容等元件;另外,它由微控制器(μC)来控制,它可以输出电池的状态信号,使功能更完善。
两个器件的主要特点:每个电池的过压阈值由工厂设定,其电压精度可达±0.5%;终止放电电压阈值由工厂设定,精度可达±2%;有关闭模式,关闭状态时耗电0.8μA,可防止电池深度放电;工作电流典型值30μA,小尺寸16管脚QSOP封装;工作温度范围-40~+85℃。
锂离子电池监控器
锂离子电池监控器除了有保护电路外(可保护电池在充电、放电过程免于过充电、过放电和过热),并且能输出电池剩余能量信号(用LCD显示器可形象地显示出电池剩余能量),使用者能随时了解电池的剩余能量状态,以便及时充电或更换电池。它主要用于有μC或μP的便携式电子产品中,如手机、摄像机、照相机、医疗仪器或音、视频装置等。
这里以DS2760为例说明该器件的特点、内部结构及应用电路。该器件有温度传感器,能检测双向电流的电流检测器及电池电压检测器,并有12位ADC将模拟量转模成数字量;有多种存储器,能实现电池剩余能量的计算。它是将数据采集、信息计算与存储及安全保护于一身。另外,它具有外围元件少、电路简单、器件封装尺寸小(3.25mm×2.75mm管芯式BGA封装)的特点。

DS2760的内部有25mΩ检测电阻,能检测双向(充电及放电)电流(但自身阻值极小,损耗极小);电流分辨率为0.625mA,动态范围为1.8A,并有电流累加计算;电压测量分辨率为48mV;温度测量分辨率可达0.125℃;由ADC转换的数字量存储在相应的存储器内,通过单线接口与主系统连接,可对锂离子电池组成的电源进行管理及控制,即实现与内部存储器进行读/写访问及控制。该器件功耗低,工作状态时最大电流80μA,节能状态(睡眠模式)时小于2μA。
DS2760的功能结构框图如图5所示。它由温度传感器、25mΩ检测电阻、多路器、基准电压、ADC、多种存储器、电流累加器及时基、状态/控制电路、与主系统单线接口及地址、锂离子保护器等组成。
DS2760有EEPOM、可锁EEPROM及SRAM三种形式的存储器,EEPROM保护电池的重要数据,可锁EEPROM用作ROM,SRAM供暂丰数据的存储。

应用电路并不复杂,电路如图6所示。两个P沟道功率MOSFET分别控制充电及放电,BAT+、BAT-之间接入锂离子电池,PACK+、PACK-为电池组的正负端,DATA端与系统接口。该电路适用于单节锂电池,若采用贴片式元器件占空间很小,可做在电池中。
锂离子电池较为“娇气”,若在充电过程中充电电压高于规定电压,充电电流超过规定电流;或在放电过程中有过大的放电电流;放电到终止放电电压还继续放电,就会损坏电池或使之报废。由于目前锂离子电池价格较贵,因此开发出各种保护元件、保护器及监控器,它们可有效地保护锂离子电池在充电或使用不当而损坏,监控电池能量的信号输出。
PTC聚合物保护元件是最简单的保护器,它可保护锂离子电池在充电或放电过程中不因过大充、放电流或短路而造成电池损害。但它解决不了在充电过程中的充电电压过高(过充电)或放电过程中的电池电压过低(低于终止放电电压,称过放电),所以开发出功能完善的保护器集成电路。
锂离子电池的基本参数
锂离子电池的额定电压为3.6V(少数的是3.7V)。充满电时的终止充电电压与电池阳极材料有关:石墨的4.2V;焦炭的4.1V。充电时要求终止充电电压的精度在±1%之内。锂离子电池的终止放电电压为2.4~2.7V(电池厂家给出工作电压范围或终止放电电压的参数略有不同)。高于终止充电电压及低于终止放电时会对电池有损害。
使用有一定要求:充电温度0~45℃;放电或保存温度 -20~+60℃。锂离子电池不适合大电流充放电。一般充电电流不大于1C,放电电流不大于2C(C是电池的容量,如C=950mAh,1C的充电率即充电电流为950mA)。
充电、放电在20℃左右效果较好,在负温下不能充电,并且放电效果差,(在-20℃放电效果最差,不仅放电电压低,放电时间比20℃放电时的一半还少)。
锂离子电池保护器IC
锂离子电池保护器IC有适用于单节的及2~4节电池组的。这里介绍这类保护器的要求,并重点介绍单节锂离子电池保护器电路。
对锂离子电池保护器的基本要求:
1.充电时要充满,终止充电电压精度要保护±1%;
2.在充、放电过程中不过流,并有短路保护;
3.到达终止放电电压要禁止继续放电,终止放电电压精度在±3%左右;
4.对深度放电的电池(低于终止放电电压)在充电前以涓流方式预充电;
5.为了工作稳定可靠,防止瞬态电压变化的干扰,内部有过充电、过放电、过流保护的延时电路,防止瞬态干扰造成误动作;
6.在多个串联的电池组充电时,要保护各节电池电压的匹配平衡,匹配精度要求±10%左右;
7.自身耗电省(无论在充、放电时保护器都是通电工作的)。单节电池保护器耗电一般小于10μA,多节的一般在20μA左右;在到达终止放电时,它处于关闭状态,一般耗电2μA以下;
8.保护器电路简单,外围元器件少,占空间小,可以做在电池或电池组中;
9.价格低。
单节锂离子电池保护器
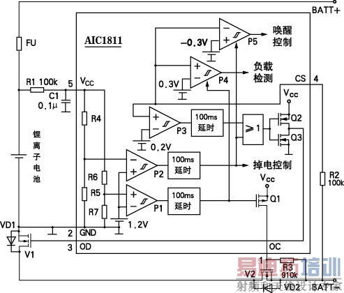
这里以AIC1811单节锂离子电池保护器为例来说明保护器的电路及工作原理。该器件主要特点:终止充电电压有4.35V、4.30V及4.25V(分别由型号后缀A、B、C表示),充电电压精度可达±30mV(±0.7%);耗电省,在3.5V工作电压时工作电流典型值7μA,到达终止放电后耗电仅0.2μA;有过充、过放、过流保护,并有延时以免瞬态干扰;过放电电压2.4V,精度±3.5%;小尺寸5管脚SOT-25封装;工作温度范围-20~+80℃。
AIC1811组成的单节锂离子电池保护电路如图1所示,其内部结构简化图及外部元器件图如图2所示。V1为控制放电的MOSFET,V2为控制充电的MOSFET,R1、C1用来消除充电器输入电压的纹波及干扰电压,R2为防止充电器电源接反时保护CS端的电阻,R3为V2的偏置电阻,FU为保险丝,BATT+及BATT-为电池组的正极和负极(此保护器电路置于电池中)。
在正常充、放电时,V1、V2都导通。充电电流从BATT+流入,经保险丝向电池充电,经V1、V2后由BATT-流出。正常放电时,电流由BATT+经负载RL(图1中未画出)后,经BATT-及V2、V1流向电池负极,其电流方向与充电电流方向相反。由于V1、V2的导通电阻RDS(ON)极小,因此损耗较小。
几种保护的工作状态如下(参看图2):

1.过充电保护
P1为控制过充电的带滞后的比较器,R6、R7组成分压器接在锂离子电池两端,其中间头检测电池的电压并接在R1的同相端,P1的反相端接1.2V基准电压。充电时电池电压低于过充电阈值电压时,P1的反相端电压大于同相端电压,P1输出低电平,使Q1导通,V2的偏置电阻R3有电流流过使V2也导通(V1在充电时是导通的),这样形成充电回路。当充电到达并超过充电阈值电压时,P1同相端电压超过1.2V,P1输出高电平,经100ms延时后使Q1截止,R3无电压使V2截止,充电电路断开,防止过充电。
2.过放电保护
过放电保护电路是由R4、R5组成的分压器、带滞后的比较器P2、100ms延时电路、或门及由Q2、Q3组成的CMOS输出电路组成。当电池放电达到2.4V时,P2输出高电平,经延时后使OD输出低电平,V1截止,放电回路断开,禁止放电。
3.过流保护
以放电电流过流保护为例,CS端为放电电流检测端,它连续地检测放电电流。这是利用CS端的电压VCS与放电电流IL有一定关系,如图3所示。如果把导通的V1、V2看做一个电阻,即RV1DS(ON)及RV2DS(ON),则放电回路如图3的虚线所示。若忽略R2上极小的压降,则VCS对地的电压为:
VCS=[RV1DS(ON)+RV2DS(ON)]×IL
即VCS与放电电流IL成比例。
过流保护电路由比较器P3、延时电路或门等组成。若放电电流超过设定阈值而使VCS超过0.2V,则P3输出高电平,其结果与过放电情况相同使V2截止,禁止放电。该器件尚有其他功能,这里不再介绍。

3~4节锂离子电池保护器
这里以MAX1894/MAX1924为例说明其功能及特点。MAX1894设计用于4节锂离子电池组,而MAX1924适用于3节或4节的电池组。两个保护器可监控串联电池中每一个电池的电压,避免过充电及过放电,从而有效地延长电池的寿命。另外,它也能防止充、放电时电流过大或短路。

两个器件组成的保护器电路如图4所示。它是一种用于4节锂离子电池组的保护器。它与图1不同之处是为了使串联的4个电池在充电时每一个电池的电压基本相等(均压),所以它增加了内部电路及外部电阻、电容等元件;另外,它由微控制器(μC)来控制,它可以输出电池的状态信号,使功能更完善。
两个器件的主要特点:每个电池的过压阈值由工厂设定,其电压精度可达±0.5%;终止放电电压阈值由工厂设定,精度可达±2%;有关闭模式,关闭状态时耗电0.8μA,可防止电池深度放电;工作电流典型值30μA,小尺寸16管脚QSOP封装;工作温度范围-40~+85℃。
锂离子电池监控器
锂离子电池监控器除了有保护电路外(可保护电池在充电、放电过程免于过充电、过放电和过热),并且能输出电池剩余能量信号(用LCD显示器可形象地显示出电池剩余能量),使用者能随时了解电池的剩余能量状态,以便及时充电或更换电池。它主要用于有μC或μP的便携式电子产品中,如手机、摄像机、照相机、医疗仪器或音、视频装置等。
这里以DS2760为例说明该器件的特点、内部结构及应用电路。该器件有温度传感器,能检测双向电流的电流检测器及电池电压检测器,并有12位ADC将模拟量转模成数字量;有多种存储器,能实现电池剩余能量的计算。它是将数据采集、信息计算与存储及安全保护于一身。另外,它具有外围元件少、电路简单、器件封装尺寸小(3.25mm×2.75mm管芯式BGA封装)的特点。

DS2760的内部有25mΩ检测电阻,能检测双向(充电及放电)电流(但自身阻值极小,损耗极小);电流分辨率为0.625mA,动态范围为1.8A,并有电流累加计算;电压测量分辨率为48mV;温度测量分辨率可达0.125℃;由ADC转换的数字量存储在相应的存储器内,通过单线接口与主系统连接,可对锂离子电池组成的电源进行管理及控制,即实现与内部存储器进行读/写访问及控制。该器件功耗低,工作状态时最大电流80μA,节能状态(睡眠模式)时小于2μA。
DS2760的功能结构框图如图5所示。它由温度传感器、25mΩ检测电阻、多路器、基准电压、ADC、多种存储器、电流累加器及时基、状态/控制电路、与主系统单线接口及地址、锂离子保护器等组成。
DS2760有EEPOM、可锁EEPROM及SRAM三种形式的存储器,EEPROM保护电池的重要数据,可锁EEPROM用作ROM,SRAM供暂丰数据的存储。

应用电路并不复杂,电路如图6所示。两个P沟道功率MOSFET分别控制充电及放电,BAT+、BAT-之间接入锂离子电池,PACK+、PACK-为电池组的正负端,DATA端与系统接口。该电路适用于单节锂电池,若采用贴片式元器件占空间很小,可做在电池中。
射频工程师养成培训教程套装,助您快速成为一名优秀射频工程师...
射频和天线工程师培训课程详情>>

