- 易迪拓培训,专注于微波、射频、天线设计工程师的培养
MC33370系列单片开关集成电路及其应用
录入:edatop.com 点击:
1 概述
开关稳压电源以其小型化、重量轻和高效率而成为电源发展的方向,并且正在逐步替代串联调整式稳压电源。美国摩托罗拉(Motorola)公司推出的MC33370系列五端单片开关电源集成电路具有MC33369~MC33374等五种规格,共17种型号。与美国动力(Power)公司生产的TOPSwitch系列三端单片开关电源相比,该系列增加了电源端和状态控制端两个引出脚,特别是其内部新增了可编程(开/关)状态控制器,因此可通过其输入端,并配合手动按键、微控制器(MCU)、数字电路方式来完成对电源工作模式的选择。这使得其控制功能更中完善,使用更加灵活,性能价格比更加优越,可成为设计单片开关电源的首选集成电路之一。
2 MC33370系列的分类及特点
该产品有三种封装形式:DIP-8双列直插式(P后缀),TO-220直列式(TV后缀),TO-220直弯式(TV后缀)。表1以TO-220直列式封装为例说明了MC33370系列的部分产品分类。
该系列的性能特点如下:
●该系列IC较TOPSwitch系列增加了电源端和状态控制器的输入器。其状态控制端利用可编程控制器及外部模式选择电路可实现多种控制方式,并可实现电源工作状态和备用状态之间的切换。同时该芯片内部还增加了欠压锁定比较器、外部关断电路和状态控制器,因而其性能价格比更优,外围电路更趋简单;
●其功率开关管由一只高压结场型场效应管(JEET)和一只低压MOS场效应管(MOSFET)串联而成,该结构被称为“敏场效应管”电流传感式功率开关管,利用它可无功耗地实时检测出漏极电流的大小并进行过流保护,而从提高电源效率;
●当交流电压为固定值或变化量不超过±20%时,可以省掉高频变压器的反馈线圈以及相应的高频整流滤波元件。这有助于简化外围电路、减少体积、降低成本;
●占空比调节范围宽达0.1~74%。而POWER公司的TOPSwitch-Ⅱ为1.7%~67%;
●电源效率高。由它构成的单片开关电源或电源模块的效率可达80%以上,而备用状态下的静态功耗仅为几十至几百毫瓦;
●芯片温度特性有了进一步提高,过热保护温度典型值为157℃(TOPSwitch-Ⅱ的设计参数为135℃)。
3 管脚结构及工作原理
3.1 脚管结构
MC33370系列IC的管脚排列如图1所示。

在MC33370系列IC中,采用DIP-8封装的产品增设了4个GND端,但仍等效于五端器件,下面简述其各管脚功能。
Vcc(1脚)为工作电源电压的输入端,当Vcc>8.5V时,启动电路中的MOS场效应管立即关断,此时功率开关管开始工作。当开关电源发生过载或短路故障而命名Vcc小于7.5V时,功率开关管将会关断,而此时供启动用的MOS场效应管将开始工作。
FB(2脚)为反馈输入端,通过该端可将反映开关电源输出电压高低的反馈电压经内部电阻接至误差放大器的反相输入端,以调节PWM比较器输出脉冲的占空比,从而控制功率开关管的通、断时间。
GND(3脚)为接地端,该端除作为控制电路和功率开关管的公共接地端以外,还可兼作器件散热器的地端。
SCI(4脚)为状态控制的输入端,该端只需外接少许外围元件即可用多种方式来控制变换器的工作状态。
D(5脚)为功率开关的漏极引出端,该端能直接驱动高频高压器初级,并与内部启动用MOS场效应管的漏极相连。
3.2 MC33370系列器件的工作原理
MC33370系列IC的内部结构及工作原理如图2所示。

在电路启动阶段,交流电压经整流后从5脚直接加到启动电路,然后用启动电路给Vcc端的旁路电容充电。当Vcc升至工作阈值电压8.5V时,启动电路被关断,启动过程自动完成,芯片转入正常工作状态。
在正常工作状态,器件通过反馈线圈及外接取样电路从2脚输入反馈电压。该反馈电压首先在并联调整器/误差放大器中进行缓冲放大,接着由IFB在反馈电阻RFB上形成误差电压Vr,然后用Vr来调节PWM比较器的输出脉占空比,以控制功率开关管的通断时间。当输出电压上升时,采样电阻RFB上端的误差电压Vr也升高。而在与振荡器输出的锯齿波比较后,输出电压的占空比将减少,从而使开关电源的输出电压随之下降。反之亦然。
与TOPSwitch系列相比,MC33370系列IC芯片的突出结构特点是在内部增加了欠压锁定比较器、外部关断电路和可编程状态控制器。
其中欠压锁定比较器的功能是在电源正常工作之前,使芯片内部各电路做好准备工作,并检测第2脚的反馈电压。当VFB>8.5V时,器件将接通内部偏置电压而使功率开关管工作。
外部关断电路的功能是防止开关电源因突然发生空载现象而导致输出电压的急剧升高,它由外部关断电路和触发器来实现。当从外部流入关断电路的反馈电流大于关断门限电流(60mA)时,关断触发器将功率开关处于关断状态,从而起到保护作用。
状态控制器配以少量外围元器件便可构成多种类型的智能控制开关电源通/断电路,以完成对电源备用模式或工作模式的选择。其控制信号可由外部按键开关来产生,也可以是微控制器输出的经光耦隔离的信号或二者的组合信号等。图3分别给出了几种控制方式原理图。

在手动控制模式中,按键开关每接通一次,即产生一个低电平的触发请求信号,该信号通过状态控制器来控制开关电源的工作工作,从而使开关电源在工作模式和备用模式之间转换。
在微控制器控制模式中,微控制器可根据程序执行情况,确定开关电源是否进入以及何时进入备用状态。触发请求按键用于将开关电源置于工作状态,如果电源已经处于工作状态,则该按键将不起作用。
低压保护控制用来在电网电压过低时关断开关电源的输出,其交流输入电压u经整流滤波后得到的直流高压V1可加至稳压二极管VDz的负极,当u出现低压时,将使状态控制器输入低电平(1.8V),此时状态控制器将迫使开关电源立即从工作模式转入备用模式;当u恢复到正常值后,状态控制器的输入端变成高电平,从而通过状态控制器内部的置位比较器又将开关电源从备用模式转入工作模式。
数字信号控制模式可利用数字信号来控制开关电源的通断,当数字信号为低电平进,晶体管VT截止,并由上拉电阻R使状态控制器输入高电平,从而使开关电源处于工作状态;当数字脉冲信号为高电平时,晶体管VT导通,状态控制器输入低电平,再使内部触发器比较器翻转,从而将开关电源又转入备用状态。
禁用状态控制模式有两种方式,其作用是在不需要对开关电源进行通/断操作时使状态控制端失效。其中方式一是采用上拉电阻R(要求R>5.0kΩ)来保证正常的电路启动。而方式二则是利用在该端与地之间接入的一个小电容CST来防止悬空后外界干扰造成状态控制器的误操作。
4 典型应用
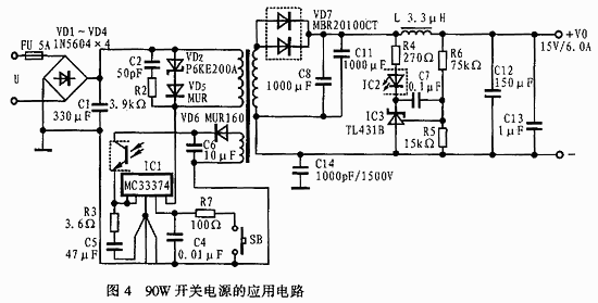
MC33370系列单片开关电源的应用非常广泛,可用来构成输出功率在150W以下的各种开关电源,图4给出了采用MC33374设计的15V/90W高精度开关电源的应用电路,其交流输入电压的允许变化范围为92~276V。

图4中,交流电网电压经整流桥VD1~VD5和滤波电容C1整流滤波后进入初级保护电路。初级保护电路由R2、C2组成的吸收电路和由VDZ、VD5组成的箝位电路构成,它们能有效地抑制因高频变压器存在的漏感而产生的尖峰电压。次级高频整流管VD7选用大电流、低压降的肖特基二极管MBT20100CT,由8、C11、L、C12、C13组成输出滤波电路。可调试并联稳压器IC3构成外部误差放大器,它与光耦合器IC2(MOC8103)一起构成光耦反馈电路并将反馈电压加至MC33374的反馈端。当输出电压V0发生波动时,经分压电阻R5、R6分压后得到的取样电压与IC2中的基准电压进行比较,以产生外部误差电压,再通过光耦合器使IC1和2脚的反馈电流IFB产生相应的变化,并以此来调节输出占空比,从而达到稳压的目的。C14是一个可防止高频变压器初次级间耦合电容造成共模干扰的滤波电容,C4、R7和SB按钮开关一起构成了手动触发式状态控制器,C4为控制环路的补偿电容。R4为LED的限流电阻。
5 结束语
近年来,电源技术得到了快速发展。世界各国也在加紧研制新型开关电源,其中包括一些新的理论、新的电路方案和新的功率器件,从而使得新型开关电源技术得到迅速发展,目前采用表面安装技术(SMT)和表面安装元器件技术(SMD)的开关电源模块的电源性能和可靠性已大大提高,并为仪器仪表、通信技术、计算机和家电产品的发展打下了良好的基础。
开关稳压电源以其小型化、重量轻和高效率而成为电源发展的方向,并且正在逐步替代串联调整式稳压电源。美国摩托罗拉(Motorola)公司推出的MC33370系列五端单片开关电源集成电路具有MC33369~MC33374等五种规格,共17种型号。与美国动力(Power)公司生产的TOPSwitch系列三端单片开关电源相比,该系列增加了电源端和状态控制端两个引出脚,特别是其内部新增了可编程(开/关)状态控制器,因此可通过其输入端,并配合手动按键、微控制器(MCU)、数字电路方式来完成对电源工作模式的选择。这使得其控制功能更中完善,使用更加灵活,性能价格比更加优越,可成为设计单片开关电源的首选集成电路之一。
2 MC33370系列的分类及特点
该产品有三种封装形式:DIP-8双列直插式(P后缀),TO-220直列式(TV后缀),TO-220直弯式(TV后缀)。表1以TO-220直列式封装为例说明了MC33370系列的部分产品分类。
该系列的性能特点如下:
●该系列IC较TOPSwitch系列增加了电源端和状态控制器的输入器。其状态控制端利用可编程控制器及外部模式选择电路可实现多种控制方式,并可实现电源工作状态和备用状态之间的切换。同时该芯片内部还增加了欠压锁定比较器、外部关断电路和状态控制器,因而其性能价格比更优,外围电路更趋简单;
●其功率开关管由一只高压结场型场效应管(JEET)和一只低压MOS场效应管(MOSFET)串联而成,该结构被称为“敏场效应管”电流传感式功率开关管,利用它可无功耗地实时检测出漏极电流的大小并进行过流保护,而从提高电源效率;
●当交流电压为固定值或变化量不超过±20%时,可以省掉高频变压器的反馈线圈以及相应的高频整流滤波元件。这有助于简化外围电路、减少体积、降低成本;
●占空比调节范围宽达0.1~74%。而POWER公司的TOPSwitch-Ⅱ为1.7%~67%;
●电源效率高。由它构成的单片开关电源或电源模块的效率可达80%以上,而备用状态下的静态功耗仅为几十至几百毫瓦;
●芯片温度特性有了进一步提高,过热保护温度典型值为157℃(TOPSwitch-Ⅱ的设计参数为135℃)。
3 管脚结构及工作原理
3.1 脚管结构
MC33370系列IC的管脚排列如图1所示。

在MC33370系列IC中,采用DIP-8封装的产品增设了4个GND端,但仍等效于五端器件,下面简述其各管脚功能。
Vcc(1脚)为工作电源电压的输入端,当Vcc>8.5V时,启动电路中的MOS场效应管立即关断,此时功率开关管开始工作。当开关电源发生过载或短路故障而命名Vcc小于7.5V时,功率开关管将会关断,而此时供启动用的MOS场效应管将开始工作。
FB(2脚)为反馈输入端,通过该端可将反映开关电源输出电压高低的反馈电压经内部电阻接至误差放大器的反相输入端,以调节PWM比较器输出脉冲的占空比,从而控制功率开关管的通、断时间。
GND(3脚)为接地端,该端除作为控制电路和功率开关管的公共接地端以外,还可兼作器件散热器的地端。
SCI(4脚)为状态控制的输入端,该端只需外接少许外围元件即可用多种方式来控制变换器的工作状态。
D(5脚)为功率开关的漏极引出端,该端能直接驱动高频高压器初级,并与内部启动用MOS场效应管的漏极相连。
3.2 MC33370系列器件的工作原理
MC33370系列IC的内部结构及工作原理如图2所示。

在电路启动阶段,交流电压经整流后从5脚直接加到启动电路,然后用启动电路给Vcc端的旁路电容充电。当Vcc升至工作阈值电压8.5V时,启动电路被关断,启动过程自动完成,芯片转入正常工作状态。
在正常工作状态,器件通过反馈线圈及外接取样电路从2脚输入反馈电压。该反馈电压首先在并联调整器/误差放大器中进行缓冲放大,接着由IFB在反馈电阻RFB上形成误差电压Vr,然后用Vr来调节PWM比较器的输出脉占空比,以控制功率开关管的通断时间。当输出电压上升时,采样电阻RFB上端的误差电压Vr也升高。而在与振荡器输出的锯齿波比较后,输出电压的占空比将减少,从而使开关电源的输出电压随之下降。反之亦然。
与TOPSwitch系列相比,MC33370系列IC芯片的突出结构特点是在内部增加了欠压锁定比较器、外部关断电路和可编程状态控制器。
其中欠压锁定比较器的功能是在电源正常工作之前,使芯片内部各电路做好准备工作,并检测第2脚的反馈电压。当VFB>8.5V时,器件将接通内部偏置电压而使功率开关管工作。
外部关断电路的功能是防止开关电源因突然发生空载现象而导致输出电压的急剧升高,它由外部关断电路和触发器来实现。当从外部流入关断电路的反馈电流大于关断门限电流(60mA)时,关断触发器将功率开关处于关断状态,从而起到保护作用。
状态控制器配以少量外围元器件便可构成多种类型的智能控制开关电源通/断电路,以完成对电源备用模式或工作模式的选择。其控制信号可由外部按键开关来产生,也可以是微控制器输出的经光耦隔离的信号或二者的组合信号等。图3分别给出了几种控制方式原理图。

在手动控制模式中,按键开关每接通一次,即产生一个低电平的触发请求信号,该信号通过状态控制器来控制开关电源的工作工作,从而使开关电源在工作模式和备用模式之间转换。
在微控制器控制模式中,微控制器可根据程序执行情况,确定开关电源是否进入以及何时进入备用状态。触发请求按键用于将开关电源置于工作状态,如果电源已经处于工作状态,则该按键将不起作用。
低压保护控制用来在电网电压过低时关断开关电源的输出,其交流输入电压u经整流滤波后得到的直流高压V1可加至稳压二极管VDz的负极,当u出现低压时,将使状态控制器输入低电平(1.8V),此时状态控制器将迫使开关电源立即从工作模式转入备用模式;当u恢复到正常值后,状态控制器的输入端变成高电平,从而通过状态控制器内部的置位比较器又将开关电源从备用模式转入工作模式。
数字信号控制模式可利用数字信号来控制开关电源的通断,当数字信号为低电平进,晶体管VT截止,并由上拉电阻R使状态控制器输入高电平,从而使开关电源处于工作状态;当数字脉冲信号为高电平时,晶体管VT导通,状态控制器输入低电平,再使内部触发器比较器翻转,从而将开关电源又转入备用状态。
禁用状态控制模式有两种方式,其作用是在不需要对开关电源进行通/断操作时使状态控制端失效。其中方式一是采用上拉电阻R(要求R>5.0kΩ)来保证正常的电路启动。而方式二则是利用在该端与地之间接入的一个小电容CST来防止悬空后外界干扰造成状态控制器的误操作。
4 典型应用
MC33370系列单片开关电源的应用非常广泛,可用来构成输出功率在150W以下的各种开关电源,图4给出了采用MC33374设计的15V/90W高精度开关电源的应用电路,其交流输入电压的允许变化范围为92~276V。

图4中,交流电网电压经整流桥VD1~VD5和滤波电容C1整流滤波后进入初级保护电路。初级保护电路由R2、C2组成的吸收电路和由VDZ、VD5组成的箝位电路构成,它们能有效地抑制因高频变压器存在的漏感而产生的尖峰电压。次级高频整流管VD7选用大电流、低压降的肖特基二极管MBT20100CT,由8、C11、L、C12、C13组成输出滤波电路。可调试并联稳压器IC3构成外部误差放大器,它与光耦合器IC2(MOC8103)一起构成光耦反馈电路并将反馈电压加至MC33374的反馈端。当输出电压V0发生波动时,经分压电阻R5、R6分压后得到的取样电压与IC2中的基准电压进行比较,以产生外部误差电压,再通过光耦合器使IC1和2脚的反馈电流IFB产生相应的变化,并以此来调节输出占空比,从而达到稳压的目的。C14是一个可防止高频变压器初次级间耦合电容造成共模干扰的滤波电容,C4、R7和SB按钮开关一起构成了手动触发式状态控制器,C4为控制环路的补偿电容。R4为LED的限流电阻。
5 结束语
近年来,电源技术得到了快速发展。世界各国也在加紧研制新型开关电源,其中包括一些新的理论、新的电路方案和新的功率器件,从而使得新型开关电源技术得到迅速发展,目前采用表面安装技术(SMT)和表面安装元器件技术(SMD)的开关电源模块的电源性能和可靠性已大大提高,并为仪器仪表、通信技术、计算机和家电产品的发展打下了良好的基础。
射频工程师养成培训教程套装,助您快速成为一名优秀射频工程师...
天线设计工程师培训课程套装,资深专家授课,让天线设计不再难...
上一篇:开关电源中高频变压器绕制心得
下一篇:嵌入式
POL
DC/DC
转换器设计
射频和天线工程师培训课程详情>>

