- 易迪拓培训,专注于微波、射频、天线设计工程师的培养
基于TCA785移相触发器的中频感应加热电源
录入:edatop.com 点击:
中频感应加热电源用于各种金属材料及五金工具、机械零部件感应热处理(淬火、退火、回火),局部或整体透热、熔炼、热锻、热镦、钎焊和烧结等。
早期SPWM中频电源多采用分立器件构成,系统中的振荡器、比较器、死区发生器、驱动等需要十分谨慎的调节,且可靠性不高,现在这种方案已很少采用;后来出现了单片集成SPWM控制器,如HEF4752V等,将振荡器、比较器、运放等集成于单片IC内部,大大简化了系统设计,系统可靠性也大为提高;随着高速单片机和低价位DSP的出现,数字化中频电源开始广泛使用,与此同时还出现了可编程数字化SPWM发生器,如SA83等,进一步简化了系统设计,提高了系统可靠性。但是所有这些控制方案在构成一个完整的电源系统时都需要至少三路隔离电源,电源体积很难进一步减小。因此,笔者开发研制出一种基于TCA785芯片的三相全控桥整流电路作为中频电源,其主电路原理如图1所示,在现场使用中收到了良好的效果。
图1 三相全控整流桥电路原理图
TCA785移相触发器简介
TCA785是德国西门子公司开发的第三代晶闸管单片移相触发集成电路,与原有的KJ系列或KC系列晶闸管移相触发电路相比,它对零点的识别更加可靠,输出脉冲的齐整度更好,而移相范围更宽,且由于其输出脉冲的宽度可人为自由调节,所以适用范围更广。
TCA785芯片为双列直插式16引脚大规模集成电路,如图2所示,其引脚5为同步电压输入端,通过不同的电阻可接不同的同步电压,当接200kΩ电阻时,同步电压可直接接220V,在应用中,需接保护作用的正反向并联的二极管限幅电路;引脚9为锯齿波电阻连接端,电阻阻值决定引脚10上电容C10的充电电流和引脚10锯齿波电压的高低,其应用范围为3~300kΩ;引脚10为锯齿波电容Cl0连接端,其应用范围在500pF~1F ;引脚11为输出脉冲移相控制直流电压输入端,在其有效范围0.2V~( Vcc-2)V内连续变化时,输出脉冲的相位可在 0°~180°间连续变化;引脚14、15 为输出脉冲端,该两端可输出宽度变化、相位互差180°的脉冲,脉冲宽度受引脚12外接电容值控制。
图2 TCA785芯片
5、10、14和15几个主要引脚的输入、输出波形如图3所示。
图3 部分引脚的输入、输出波形图
TCA785移相触发器的主要参数包括:电源电压8~18V或±(4~9)V,移相电压范围0.2~( Vcc-2) V,输出脉冲最大宽度180°,最高工作频率10~500Hz,最大负载电流400mA,输出脉冲高、低电平Vcc和0.3V。
TCA785移相触发器在中频电源上的应用
针对目前中频电源所使用的三相半控桥整流电路在使用中出现的一些问题,如触发脉冲丢失和过电流烧毁晶闸管等故障,在对现有中频电源系统做了可靠性分析之后,对三相全控桥电路采用TCA785移相触发器设计实现,该电路在应用中可靠性有了很大提高。
1 触发控制电路
图4是利用TCA785移相触发器构成的触发控制电路,图4中仅给出了一只TCA785触发两只晶闸管的电路原理图,应用相同的三套电路便可构成三相全控整流桥电路,通过引脚复用可实现双窄脉冲方式触发。双窄脉冲方式由于驱动脉宽窄,因而可以有效地减小驱动用脉冲变压器体积,防止磁芯饱和。为了增强触发能力,可靠触发大功率晶闸管,对TCA785的输出进行了放大,并且采用了脉冲变压器隔离,使主电路与控制电路完全分开,增强了抗干扰能力。
图4 由TCA785构成的触发脉冲发生电路
控制电路的工作原理是: 三相全控桥的整流采用正弦波同步、移相整流方式,其移相控制端,有一个较小的直流低电压控制范围VT (实际值0.8~6.9V) 与晶闸管的导通角区域(三相整流时为 0°~120°) 一一对应;输出经过整流和中间控制电路后去调节这一直流移相电平VT, 来控制整流输出电压从0~315V全程可调,TCA785对环境温度的适应性较强,可用于较宽的温度范围 (-25℃~+85℃)。
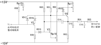
直流电平移动控制电路如图5所示,是非常适合于对TCA785的引脚11进行调节和控制的电路,由于来自司钻的交流电(0~24V)经整流后的直流电平其可调范围并不是正好对应于0°~120°的移相范围,因此利用图5所示的直流电平移动电路可以方便地进行移相角度限制和匹配,即调节滑动变阻器RP15,可以使直流电平VT的范围整体向上移动或向下移动,即在晶闸管导通角不变的情况下使α角同时向前或向后移动。而对RP17的调节,如果增加其阻值,则使直流电平VT向上移动,即限制了它的最大值,亦即限制了α的最大值。而对RP16的调节,如果增加其阻值,则使直流电平VT向下移动,即限制了它的最小值,亦即限制了α的最小值。因此移相范围的界定由此电路可方便的调节和控制,即使在调试时由于电路的参数选择不太恰当以致对α的大小限制不好协调控制时,可通过调节TCA785的引脚9外接的可变电阻来控制其内部所产生的锯齿波的斜率,二者兼顾,即可满足要求。
图5 直流电平VT移动电路
2 TCA785移相触发器应用应注意的问题
TCA785移相触发器采用负逻辑工作方式,即给定电压增加,输出脉冲的控制角增大,可控硅导通角减小,如果欲使输出电压随给定成正比变化,在设计电路时应该考虑反相一次。
TCA785移相触发器控制电压VT范围的确定应该利用示波器严格调节,必须受限幅电路的约束,不能让它的上、下限值与锯齿波没有交点,否则可控硅的工作将失控,具体参数的整定依赖于实验数据和现场经验。
电源进线电压的相序问题,在设计三相全控桥整流电路时,应该着重考虑电源的相序问题,如果设计不当,就会损坏晶闸管或导致电路无法正常工作,同步变压器的选择及应用要与主回路整流变压器配套使用方可实现同步,一般主回路整流变压器使用Δ/Y-11点钟,避免三次谐波流入电网,同步变压器的使用要与之相配合进行选择,图6分别给出了该电源中使用的整流变压器和同步变压器原、副边的相序关系,但要考虑TCA785的引脚5所接R3、C5对同步信号相位的影响,最好在设计时就使R3、C5对相位的影响为60°的整数倍,以方便同步变压器的选择,这一点很重要。
图6 整流变压器(左)和脉冲变压器(右)原副边电压向量图
负载的影响,如果电源的阻性负载过重时(在实际应用中电阻仅4Ω,额定电流达85A,尖峰电流达120A以上),由于需要大量的有功功率,致使整流进线电流的峰值急剧增大,导致在电源进线电阻上产生的压降与输入正弦波电压叠加后送到同步变压器的输入端,作为同步信号送给TCA785的引脚5,通过示波器观察发现,该叠加电压在过零点附近存在颤抖现象,出现很多的毛刺,从而导致芯片10引脚锯齿波斜边也发生颤抖,输出驱动脉冲随之也会产生移相,结果引起进线电流剧烈变化,在平波电抗器上引起强烈振动,整流变压器的噪声在α角较大时也很大,甚至对电网造成冲击,解决办法是在电源的进线端加装额定电压降为8.8V的进线电抗器,这些现象消失,同时对电网的污染大为减小。
结语
将TCA785移相触发器应用于中频加热感应电源上,使之性能大大提高,减少了维修工作量,降低了成本,具有相当的经济效益和社会效益,在冶金领域中有着十分广阔的应用前景。
早期SPWM中频电源多采用分立器件构成,系统中的振荡器、比较器、死区发生器、驱动等需要十分谨慎的调节,且可靠性不高,现在这种方案已很少采用;后来出现了单片集成SPWM控制器,如HEF4752V等,将振荡器、比较器、运放等集成于单片IC内部,大大简化了系统设计,系统可靠性也大为提高;随着高速单片机和低价位DSP的出现,数字化中频电源开始广泛使用,与此同时还出现了可编程数字化SPWM发生器,如SA83等,进一步简化了系统设计,提高了系统可靠性。但是所有这些控制方案在构成一个完整的电源系统时都需要至少三路隔离电源,电源体积很难进一步减小。因此,笔者开发研制出一种基于TCA785芯片的三相全控桥整流电路作为中频电源,其主电路原理如图1所示,在现场使用中收到了良好的效果。
图1 三相全控整流桥电路原理图
TCA785移相触发器简介
TCA785是德国西门子公司开发的第三代晶闸管单片移相触发集成电路,与原有的KJ系列或KC系列晶闸管移相触发电路相比,它对零点的识别更加可靠,输出脉冲的齐整度更好,而移相范围更宽,且由于其输出脉冲的宽度可人为自由调节,所以适用范围更广。
TCA785芯片为双列直插式16引脚大规模集成电路,如图2所示,其引脚5为同步电压输入端,通过不同的电阻可接不同的同步电压,当接200kΩ电阻时,同步电压可直接接220V,在应用中,需接保护作用的正反向并联的二极管限幅电路;引脚9为锯齿波电阻连接端,电阻阻值决定引脚10上电容C10的充电电流和引脚10锯齿波电压的高低,其应用范围为3~300kΩ;引脚10为锯齿波电容Cl0连接端,其应用范围在500pF~1F ;引脚11为输出脉冲移相控制直流电压输入端,在其有效范围0.2V~( Vcc-2)V内连续变化时,输出脉冲的相位可在 0°~180°间连续变化;引脚14、15 为输出脉冲端,该两端可输出宽度变化、相位互差180°的脉冲,脉冲宽度受引脚12外接电容值控制。
图2 TCA785芯片
5、10、14和15几个主要引脚的输入、输出波形如图3所示。
图3 部分引脚的输入、输出波形图
TCA785移相触发器的主要参数包括:电源电压8~18V或±(4~9)V,移相电压范围0.2~( Vcc-2) V,输出脉冲最大宽度180°,最高工作频率10~500Hz,最大负载电流400mA,输出脉冲高、低电平Vcc和0.3V。
TCA785移相触发器在中频电源上的应用
针对目前中频电源所使用的三相半控桥整流电路在使用中出现的一些问题,如触发脉冲丢失和过电流烧毁晶闸管等故障,在对现有中频电源系统做了可靠性分析之后,对三相全控桥电路采用TCA785移相触发器设计实现,该电路在应用中可靠性有了很大提高。
1 触发控制电路
图4是利用TCA785移相触发器构成的触发控制电路,图4中仅给出了一只TCA785触发两只晶闸管的电路原理图,应用相同的三套电路便可构成三相全控整流桥电路,通过引脚复用可实现双窄脉冲方式触发。双窄脉冲方式由于驱动脉宽窄,因而可以有效地减小驱动用脉冲变压器体积,防止磁芯饱和。为了增强触发能力,可靠触发大功率晶闸管,对TCA785的输出进行了放大,并且采用了脉冲变压器隔离,使主电路与控制电路完全分开,增强了抗干扰能力。
图4 由TCA785构成的触发脉冲发生电路
控制电路的工作原理是: 三相全控桥的整流采用正弦波同步、移相整流方式,其移相控制端,有一个较小的直流低电压控制范围VT (实际值0.8~6.9V) 与晶闸管的导通角区域(三相整流时为 0°~120°) 一一对应;输出经过整流和中间控制电路后去调节这一直流移相电平VT, 来控制整流输出电压从0~315V全程可调,TCA785对环境温度的适应性较强,可用于较宽的温度范围 (-25℃~+85℃)。
直流电平移动控制电路如图5所示,是非常适合于对TCA785的引脚11进行调节和控制的电路,由于来自司钻的交流电(0~24V)经整流后的直流电平其可调范围并不是正好对应于0°~120°的移相范围,因此利用图5所示的直流电平移动电路可以方便地进行移相角度限制和匹配,即调节滑动变阻器RP15,可以使直流电平VT的范围整体向上移动或向下移动,即在晶闸管导通角不变的情况下使α角同时向前或向后移动。而对RP17的调节,如果增加其阻值,则使直流电平VT向上移动,即限制了它的最大值,亦即限制了α的最大值。而对RP16的调节,如果增加其阻值,则使直流电平VT向下移动,即限制了它的最小值,亦即限制了α的最小值。因此移相范围的界定由此电路可方便的调节和控制,即使在调试时由于电路的参数选择不太恰当以致对α的大小限制不好协调控制时,可通过调节TCA785的引脚9外接的可变电阻来控制其内部所产生的锯齿波的斜率,二者兼顾,即可满足要求。
图5 直流电平VT移动电路
2 TCA785移相触发器应用应注意的问题
TCA785移相触发器采用负逻辑工作方式,即给定电压增加,输出脉冲的控制角增大,可控硅导通角减小,如果欲使输出电压随给定成正比变化,在设计电路时应该考虑反相一次。
TCA785移相触发器控制电压VT范围的确定应该利用示波器严格调节,必须受限幅电路的约束,不能让它的上、下限值与锯齿波没有交点,否则可控硅的工作将失控,具体参数的整定依赖于实验数据和现场经验。
电源进线电压的相序问题,在设计三相全控桥整流电路时,应该着重考虑电源的相序问题,如果设计不当,就会损坏晶闸管或导致电路无法正常工作,同步变压器的选择及应用要与主回路整流变压器配套使用方可实现同步,一般主回路整流变压器使用Δ/Y-11点钟,避免三次谐波流入电网,同步变压器的使用要与之相配合进行选择,图6分别给出了该电源中使用的整流变压器和同步变压器原、副边的相序关系,但要考虑TCA785的引脚5所接R3、C5对同步信号相位的影响,最好在设计时就使R3、C5对相位的影响为60°的整数倍,以方便同步变压器的选择,这一点很重要。
图6 整流变压器(左)和脉冲变压器(右)原副边电压向量图
负载的影响,如果电源的阻性负载过重时(在实际应用中电阻仅4Ω,额定电流达85A,尖峰电流达120A以上),由于需要大量的有功功率,致使整流进线电流的峰值急剧增大,导致在电源进线电阻上产生的压降与输入正弦波电压叠加后送到同步变压器的输入端,作为同步信号送给TCA785的引脚5,通过示波器观察发现,该叠加电压在过零点附近存在颤抖现象,出现很多的毛刺,从而导致芯片10引脚锯齿波斜边也发生颤抖,输出驱动脉冲随之也会产生移相,结果引起进线电流剧烈变化,在平波电抗器上引起强烈振动,整流变压器的噪声在α角较大时也很大,甚至对电网造成冲击,解决办法是在电源的进线端加装额定电压降为8.8V的进线电抗器,这些现象消失,同时对电网的污染大为减小。
结语
将TCA785移相触发器应用于中频加热感应电源上,使之性能大大提高,减少了维修工作量,降低了成本,具有相当的经济效益和社会效益,在冶金领域中有着十分广阔的应用前景。
射频工程师养成培训教程套装,助您快速成为一名优秀射频工程师...
射频和天线工程师培训课程详情>>

