- 易迪拓培训,专注于微波、射频、天线设计工程师的培养
论TOPSwitch的多路输出电源的设计
录入:edatop.com 点击:
引言
随着电力电子技术的不断发展,变频调速技术在工业传动领域的应用也越来越广泛,其中尤以交-直-交变频调速应用最为普遍。交-直-交变频调速电路包括整流及逆变部分,其中逆变部分典型为6个开关单元(IGBT或MOS管),上、下臂各3个,也有的加上制动单元为7个开关单元。因为上臂3个单元的控制触发脉冲信号的参考地是悬浮的,故触发脉冲一般需要相互隔离的4组电源(上臂3个单元分别供电,下臂共用一组电源)。当然,若软件配合控制,给出充电脉冲,上臂3个单元的电源采用自举电路,则只用一组电源即可。这里只讨论采用4组电源的情况。逆变器的控制辅助电源有3个特点:1)具有多路输出电压。本文介绍的电源就有5V、±15V、四组16V触发脉冲电源、12V偏置电源、24V共9路输出电压。其中,5V、±15V输出电压共地,其余输出电压均为独立输出电压。2)四组脉冲电源要求输出电压一致性较好,稳压精度较高。3)四组脉冲电源要求能提供较大的瞬时功率,但平均功率较小。要满足上述要求而又简单、成本低,采用美国PI公司的TOPSwitch系列产品不失为一种较好的选择。TOPSwitch系列产品将MOS管和PWM控制器集成在一个芯片之中,外围电路十分简单,功率范围涵盖了数瓦到数百瓦,芯片封装形式多种多样,有的芯片还具有过温、过流及输入电压过、欠压等保护功能,能灵活适应许多电源的设计。PI公司还推出了TOPSwitch系列产品的辅助设计软件,以方便使用者快速、准确地设计出所需要的电源。笔者在做一个伺服控制器项目时其辅助电源就选用了TOPSwitch产品来设计,作为一个典型例子,下面简要介绍其设计方法及要点。
电路没计
电源设计要求
输入电压VIN范围:180VAc~240VAc。各输出电压幅值及额定负载分别为:Vo1:5.8V,1A;Vo2:15V,0.2A;Vo3:-15V,0.2A;Vo4:24V,0.1A;Vo5:16V,0.2A;Vo6:16V,0.1A;Vo7:16V,0.1A;Vo8:16V,0.1A;VBIA:12V,0.02A。要求工作可靠,所占空间小,成本较低。
TOPSwitch器件选型
在本电源中,Po=22.44w,电源工作于密闭的控制柜中,为了工作可靠应具有过温、过流及输入过、欠压等保护措施,综合考虑后,我们选择了TOPSwitch-GX系列的TOP243R器件。该器件在输入电压为230VAC±15%时,在适配器工作环境下(对应于密闭环境)最大输出功率为29W,且有过温、过流及输入过、欠压等保护功能,"R"型封装便于利用PCB覆铜层散热,省去散热器。
高频变压器设计
针对采用TOPSwitch系列产品的电源设计,PI公司推出了PI Expert辅助设计软件。只要输入电源设计要求,该软件会快速、准确地给出设计结果,包括推荐采用的TOPSwitch系列产品、变压器磁芯及变压器初、次级绕组参数等。但目前版本只支持最多5组次级输出绕组,若输出绕组大于5组,则可按下述步骤手工计算变压器绕组参数:

式中VACMIN为最小输入交流电压,Po为输出功率,fL为输入线电压频率,tC为桥式整流传导时间,典型值为3ms,η为效率(一般取0.8),CIN为输入滤波电容(一般取输出功率(w)的2~3倍(μF))。

式中VOR为反射电压。对TOP2XX系列器件而言,VOR≤135V,这里取135V。VDS为主开关导通时D、S端间压降,典型值为10V。

则式中KRP为纹波电流与峰值电流比。在连续工作模式下,对230VAC输入,KRP≥0.6,这里KRP取0.6。

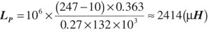
则式中fs为工作开关频率,这里fs=132KHz,则

次级绕组匝数Ns:对TOPSwitch器件来说,在85~265VAC或230VAC输入时,Ns取0.6匝/V,故Ns=(Vo+VD)×0.6。式中Vo为输出电压,VD为输出二极管正向压降。一般对肖特基二极管VD取0.4V,对超快恢复二极管VD取0.7V。本电源中,5.8V输出二极管采用新电元公司的DE3S4M,根据资料其VD=0.55V。因此,5.8V输出电压的绕组匝数N5.8V=(5.8V+0.55)×0.6=3.81(匝),取整数为4匝。

取16匝。
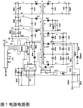
以上主要介绍了变压器绕组匝数及初级绕组电感的计算,变压器磁芯气隙长度及绕组线径等参数的计算选 择在此不再赘述。电源电路如图1所示。

设计要点
根据笔者的经验,设计中应注意以下3方面:
变压器绕制工艺
为使初、次级绕组耦合好,漏感小,应采用"初包次"的绕法。另外,因为5V、15V绕组共地,故在绕制15V绕组时可采用堆叠式绕法,即将5V绕组作为15V绕组的一部分,这样可加强磁耦合,改善15V电压轻载时的稳压性能,减少需要的骨架引脚,降低制造成本。对于不共地的其他绕组只能采用分离式绕法,其优点是可灵活排列。为了减小漏感引起的能量损失,应将输出电流较大的绕组靠近里层初级绕组。因为4组触发脉冲电源平均功率较小,为使其电压一致性(亦即轻载稳压性能)较好,应将4组绕组并绕。若不够绕满一层,可采用多根并绕的方式使其绕满一层,这样虽然成本有所提高,但可有效地提高4组脉冲电源的电压一致性。笔者绕制的变压器采用上述工艺后,4组电源最高、最低输出电压差减小为0.25V。
TOPSwitch器件散热设计
因为该电源功率不大,故选用TOP243R型器件,利用PCB板覆铜层散热。在散热设计时应注意:1)将散热面设计成镀锡层,即在散热面的覆铜层上只镀一层锡,不加阻焊漆,一来有利于散热,二来可保护覆铜层以免受潮、氧化。但这样覆铜层绝缘性能受到影响,不适用于直接裸露无外罩的电源。2)尽可能加大散热面积。3)若为双面板或多层板,应在各层、面间加适当金属化过孔以降低热阻,利于散热。
PCB设计
应注意电源及变压器的初、次级在空间上保持适当距离,避免相互干扰。初、次级分别"铺地",一来可减小电磁干扰,二来方便连接。"一点接地"原则,即TOPSwitch器件的控制端的参考地、偏置电源的参考地与其"S"端(主电路的参考地)必须尽量接在"一点",这里的"一点"即指电路原理上的"一点",也指PCB板上物理位置的"一点"。其目的是避免主电路上的较大脉冲电流流经控制电路地线从而引起控制地线上的压降,干扰正常的控制信号。
结语
该电源已用于笔者设计的伺服电机控制器中,经实际试验表明,该电源性能良好,工作可靠,元件少,所占空间小,成本低,满足使用要求,也可广泛适用于类似的逆变器应用场合。
随着电力电子技术的不断发展,变频调速技术在工业传动领域的应用也越来越广泛,其中尤以交-直-交变频调速应用最为普遍。交-直-交变频调速电路包括整流及逆变部分,其中逆变部分典型为6个开关单元(IGBT或MOS管),上、下臂各3个,也有的加上制动单元为7个开关单元。因为上臂3个单元的控制触发脉冲信号的参考地是悬浮的,故触发脉冲一般需要相互隔离的4组电源(上臂3个单元分别供电,下臂共用一组电源)。当然,若软件配合控制,给出充电脉冲,上臂3个单元的电源采用自举电路,则只用一组电源即可。这里只讨论采用4组电源的情况。逆变器的控制辅助电源有3个特点:1)具有多路输出电压。本文介绍的电源就有5V、±15V、四组16V触发脉冲电源、12V偏置电源、24V共9路输出电压。其中,5V、±15V输出电压共地,其余输出电压均为独立输出电压。2)四组脉冲电源要求输出电压一致性较好,稳压精度较高。3)四组脉冲电源要求能提供较大的瞬时功率,但平均功率较小。要满足上述要求而又简单、成本低,采用美国PI公司的TOPSwitch系列产品不失为一种较好的选择。TOPSwitch系列产品将MOS管和PWM控制器集成在一个芯片之中,外围电路十分简单,功率范围涵盖了数瓦到数百瓦,芯片封装形式多种多样,有的芯片还具有过温、过流及输入电压过、欠压等保护功能,能灵活适应许多电源的设计。PI公司还推出了TOPSwitch系列产品的辅助设计软件,以方便使用者快速、准确地设计出所需要的电源。笔者在做一个伺服控制器项目时其辅助电源就选用了TOPSwitch产品来设计,作为一个典型例子,下面简要介绍其设计方法及要点。
电路没计
电源设计要求
输入电压VIN范围:180VAc~240VAc。各输出电压幅值及额定负载分别为:Vo1:5.8V,1A;Vo2:15V,0.2A;Vo3:-15V,0.2A;Vo4:24V,0.1A;Vo5:16V,0.2A;Vo6:16V,0.1A;Vo7:16V,0.1A;Vo8:16V,0.1A;VBIA:12V,0.02A。要求工作可靠,所占空间小,成本较低。
TOPSwitch器件选型
在本电源中,Po=22.44w,电源工作于密闭的控制柜中,为了工作可靠应具有过温、过流及输入过、欠压等保护措施,综合考虑后,我们选择了TOPSwitch-GX系列的TOP243R器件。该器件在输入电压为230VAC±15%时,在适配器工作环境下(对应于密闭环境)最大输出功率为29W,且有过温、过流及输入过、欠压等保护功能,"R"型封装便于利用PCB覆铜层散热,省去散热器。
高频变压器设计
针对采用TOPSwitch系列产品的电源设计,PI公司推出了PI Expert辅助设计软件。只要输入电源设计要求,该软件会快速、准确地给出设计结果,包括推荐采用的TOPSwitch系列产品、变压器磁芯及变压器初、次级绕组参数等。但目前版本只支持最多5组次级输出绕组,若输出绕组大于5组,则可按下述步骤手工计算变压器绕组参数:

式中VACMIN为最小输入交流电压,Po为输出功率,fL为输入线电压频率,tC为桥式整流传导时间,典型值为3ms,η为效率(一般取0.8),CIN为输入滤波电容(一般取输出功率(w)的2~3倍(μF))。

式中VOR为反射电压。对TOP2XX系列器件而言,VOR≤135V,这里取135V。VDS为主开关导通时D、S端间压降,典型值为10V。

则式中KRP为纹波电流与峰值电流比。在连续工作模式下,对230VAC输入,KRP≥0.6,这里KRP取0.6。

则式中fs为工作开关频率,这里fs=132KHz,则

次级绕组匝数Ns:对TOPSwitch器件来说,在85~265VAC或230VAC输入时,Ns取0.6匝/V,故Ns=(Vo+VD)×0.6。式中Vo为输出电压,VD为输出二极管正向压降。一般对肖特基二极管VD取0.4V,对超快恢复二极管VD取0.7V。本电源中,5.8V输出二极管采用新电元公司的DE3S4M,根据资料其VD=0.55V。因此,5.8V输出电压的绕组匝数N5.8V=(5.8V+0.55)×0.6=3.81(匝),取整数为4匝。

取16匝。
以上主要介绍了变压器绕组匝数及初级绕组电感的计算,变压器磁芯气隙长度及绕组线径等参数的计算选 择在此不再赘述。电源电路如图1所示。

设计要点
根据笔者的经验,设计中应注意以下3方面:
变压器绕制工艺
为使初、次级绕组耦合好,漏感小,应采用"初包次"的绕法。另外,因为5V、15V绕组共地,故在绕制15V绕组时可采用堆叠式绕法,即将5V绕组作为15V绕组的一部分,这样可加强磁耦合,改善15V电压轻载时的稳压性能,减少需要的骨架引脚,降低制造成本。对于不共地的其他绕组只能采用分离式绕法,其优点是可灵活排列。为了减小漏感引起的能量损失,应将输出电流较大的绕组靠近里层初级绕组。因为4组触发脉冲电源平均功率较小,为使其电压一致性(亦即轻载稳压性能)较好,应将4组绕组并绕。若不够绕满一层,可采用多根并绕的方式使其绕满一层,这样虽然成本有所提高,但可有效地提高4组脉冲电源的电压一致性。笔者绕制的变压器采用上述工艺后,4组电源最高、最低输出电压差减小为0.25V。
TOPSwitch器件散热设计
因为该电源功率不大,故选用TOP243R型器件,利用PCB板覆铜层散热。在散热设计时应注意:1)将散热面设计成镀锡层,即在散热面的覆铜层上只镀一层锡,不加阻焊漆,一来有利于散热,二来可保护覆铜层以免受潮、氧化。但这样覆铜层绝缘性能受到影响,不适用于直接裸露无外罩的电源。2)尽可能加大散热面积。3)若为双面板或多层板,应在各层、面间加适当金属化过孔以降低热阻,利于散热。
PCB设计
应注意电源及变压器的初、次级在空间上保持适当距离,避免相互干扰。初、次级分别"铺地",一来可减小电磁干扰,二来方便连接。"一点接地"原则,即TOPSwitch器件的控制端的参考地、偏置电源的参考地与其"S"端(主电路的参考地)必须尽量接在"一点",这里的"一点"即指电路原理上的"一点",也指PCB板上物理位置的"一点"。其目的是避免主电路上的较大脉冲电流流经控制电路地线从而引起控制地线上的压降,干扰正常的控制信号。
结语
该电源已用于笔者设计的伺服电机控制器中,经实际试验表明,该电源性能良好,工作可靠,元件少,所占空间小,成本低,满足使用要求,也可广泛适用于类似的逆变器应用场合。
射频工程师养成培训教程套装,助您快速成为一名优秀射频工程师...
射频和天线工程师培训课程详情>>

