- 易迪拓培训,专注于微波、射频、天线设计工程师的培养
无线传感器的网络节点之硬件设计
1 系统概述
本文设计了一种WSN硬件平台,由若干具有无线接收功能的传感器节点,以及一台PC机组成。
根据无线传感器网络的应用需求以及功能要求,节点的设计主要包括下面几个基本部分:传感器单元、处理器单元、A/D单元、射频单元、供电单元以及扩展接口单元。节点的硬件体系结构框架如图1所示。

图1
传感器单元负责对所关心的物理量进行测量并采集数据,提供给处理器单元进行处理;处理器单元负责数据处理及控制整个节点的正常工作;射频天线单元负责与其他节点进行无线通信,交换控制信息和相关数据;供电单元负责为节点提供运行所需的能量;扩展接口可以实现节点平台的功能拓展,以适应不同的应用需求。
2 节点核心模块设计
2.1 电源模块设计
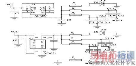
电源是设计中的关键部分,电源稳定工作是整个节点正常工作的保证,设计合理的电源电路至关重要。节点包含模拟器件和数字器件,模拟器件的抗干扰能力较差,且数字器件常常为模拟器件的噪声源,故为了提高电路的抗干扰能力,模拟器件接模拟地并采用数字地与模拟地单点共地。电源可选用电池或干电池,电源芯片可选用XC6209、XC6221系列的LDO电源芯片,分别提供3.3V和1.8V的数字与模拟电压,电路如图2所示。

图2
2.2 传感器模块设计
2.2.1 温度传感器设计
本设计采用LM75DM-33R2串行可编程温度传感器,这种传感器在环境温度超出用户变成设置时通知主控制器。滞后也是可以编程解决。它采用2线总线方式,允许读入当前温度,并可配置器件。它是数字型温度传感器,直接从寄存器读出温度参数,并可实现编程设置INT/CMPTR输出极性。
图3是其功能图,由于设计中只是简单的监测环境的温度,故只需一片LM75,所以地址线A0、A1、A2置地,INT/CMPTR悬空,设计的接口电路如图4所示。

图3 功能图

图4 [p]
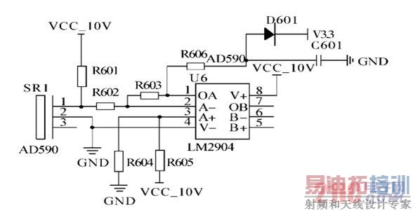
由于cc2431本身带有A/D模块,也可采用温度传感器AD590测量温度,其接口电路如图5。

图5 接口电路
2.2.2 烟雾传感器设计
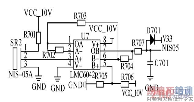
为了监测房间中的烟雾,香烟烟雾或者房子中的灰尘等,可以采用NIS-05离子式传感器。这种传感器是低放射型的标准传感器,最大供电电压24v,由于阻抗很高容易被外界电子噪音所干扰,所以PCB板设计时要注意保护措施。一般需采用特氟纶做支撑。NIS-051脚为VCC,2脚电压输出,3脚接地。由于阻抗高2脚输出电流很小,需采用输入电流较小的运放,采用LMC6042。接口电路如图6。

图6
2.2.3 湿度传感器设计
HS1101 型湿度传感器是法国HUMIREL 公司生产的变容式相对湿度传感器,其典型应用电路如图2-2-5 所示。该传感器具有检测速度快、高精度、高可靠性、长期稳定性和使用方便、体积小等特点。它是基于独特工艺设计的电容元件,专利的固态聚合物结构; 高精度2%;极好的线性输出;1-99%RH 湿度量程;- 40~100℃的温度工作范围;响应时间5秒;湿度输出受温度影响极小;防腐蚀性气体;常温使用无需温度补偿;无需校准;电容与湿度变化0.34pf/%RH;典型值180pf@55%RH;长期稳定性及可靠性,年漂移量0.5%RH/ 年。
湿度检测采用电容式HS1101 型湿敏传感器。利用NE555 定时器和湿度传感器HS1101 以及一些电阻构成多谐振荡器电路如图7所示。该电路把湿敏传感器随环境湿度不同体现的电容值变化量转换为输出脉冲的频率变化量,电路输出的f o 脉冲信号的振荡频率中包含了环境湿度信息。

图7 [p]
图8中虚线左侧是由LM331 芯片构成的频率/ 电压(F/V) 转换电路。图2-2-5中输出的反映湿度信息的变频脉冲信号fo经C2R 网络接入LM331的比较器阈值端6脚,脉冲的下降沿引起输入比较器触发定时电路,1 脚流出的平均电流为:iAv E = i (1. 1 R8 C4 ) ×f O (1)此电流经RC 网络滤波即可获得与f o 脉冲信号频率成正比的直流电压[ 6 ] :V out = f o ×2. 09V ×( R9 / Rs ) ×( R8 C4 ) (2)该部分F/ V 转换器是输出信号的电压正比于输入信号的频率的线性变化电路,F/ V 转换电路输出呈0~5 V 之间的线性模拟电压变化量,对应于相对湿度0~100 %RH 的变化。

图8
我们也可以采用另一种集成的湿度传感器设计方案,它采用DHT11数字湿度传感器,DHT11数字温湿度传感器是一款含有已校准数字信号输出的温湿度复合传感器。它应用专用的数字模块采集技术和温湿度传感技术,确保产品具有极高的可靠性与卓越的长期稳定性。传感器包括一个电阻式感湿元件和一个NTC测温元件,并与一个高性能8位单片机相连接。因此该产品具有品质卓越、超快响应、抗干扰能力强、性价比极高等优点。每个DHT11传感器都在极为精确的湿度校验室中进行校准。校准系数以程序的形式储存在OTP内存中,传感器内部在检测信号的处理过程中要调用这些校准系数。单线制串行接口,使系统集成变得简易快捷。超小的体积、极低的功耗,信号传输距离可达20米以上,使其成为各类应用甚至最为苛刻的应用场合的最佳选则。由于其外围电路比较简单,在这里就不在赘述。
2.3 处理器及通信模块设计
2.3.1 节点处理器
在无线传感器节点各单元中,核心单元为处理器单元以及射频单元。处理器单元决定了节点的数据处理能力,路由算法的运行速度以及无线传感器网络形式的复杂程度。而且不同处理器工作频率不同,在不同状态下消耗功率也不相同,因此不同处理器的选用也在一定程度上影响了节点的整体能耗和节点的工作寿命。射频单元的选择直接影响了无线通信使用的频段、节点间数据通信的收发速率以及节点的通信距离等。
根据具体应用的需求,目前节点平台中的处理器有以下几种选择:(1) ATMega128L芯片是ATMEL公司生产的AVR系列处理器。该系列处理器为增强RISC 内载闪存(Flash)的芯片。(2)MSP430系列单片机是德州仪器(TI)公司的一种混合信号控制器,其最显着的特点就是具有超低功耗特性。(3)若需要无线传感器网络节点实现复杂的数据处理功能以及复杂的路由协议等,就要采用功能更强大的处理器来满足数据计算量的要求。具有代表性的是英特尔(Intel)公司生产的imote2节点采用的PXA270处理器。该处理器最高主频达624MHz,具有极强的计算能力,足以应付包括视频在内的各种复杂数据处理需求。(4)此外为了降低节点的成本,一些平台采用了通用的8051处理器,如AT89C52。这类处理器具有货源充足、价格便宜、使用简单等特点,为价格敏感的应用提供了解决方案。
2.3.2 节点射频通信单元
在无线传感器网络中,广泛应用的底层通信方式包括使用ISM波段 的普通射频通信以及具有802.15.4协议和蓝牙通信协议的射频通信。使用普通ISM频段的无线传感器网络节点主要采用的射频芯片包括Chipcon公司生产的CC1000,Nordic公司生产的nrf903,Semtech公司生产的XE1205。还有部分无线传感器网络节点使用了带有802.15.4/ZigBee协议的通信芯片,主要包括Chipcon公司的CC2420芯片,RFWave公司的RFW102芯片组。
为了满足节点体积微型化的需要,人们相继推出了多款整合了处理器和射频单元的芯片,下面是几种ZigBee解决方案的对比:

当然最具代表性的是Chipcon AS公司推出的CC2430、CC2431芯片,它们提供了简单方便的ZigBee/IEEE 802.15.4低功耗无线传感器网络解决方案,为节点平台的微型化提供了可能。
CC2430芯片在以往CC2420射频芯片的基础上整合了微处理器,存储单元以及ZigBee 射频(RF)前端。这样在使用极少外围器件的情况下就可以实现节点方案。处理器采用了8位的8051处理器,具有128 KB可编程闪存和8 KB的RAM,还具有多种内部资源,如模拟数字转换器、定时器、看门狗等,使系统的设计开发更为方便。CC2430芯片采用0.18 μm CMOS工艺生产,工作时的电流为27 mA。在接收和发射模式下,电流分别低于27 mA或25 mA。CC2430的休眠模式和转换到主动模式的时间极短的特性,特别适合那些要求电池寿命非常长的应用。
CC2431是在CC2430以及摩托罗拉基于IEEE 802.15.4标准的无线电定位解决方案的基础上,集成在单一硅芯片上的系统解决方案,不仅具有CC2430的相关特点还具有硬件定位的功能。
图10为CC2431的功能模块图。

图10 [p]
CC2431的设计结合了8 KB 的RAM 及强大的外围模块,并有3 种不同的版本。它们根据不同的闪存空间32 KB、64 KB 和128 KB 来优化复杂度与成本。CC2431 的尺寸只有7 mm×7 mm 的48 脚封装,采用具有内嵌闪存的0.18 μm CMOS 标准技术。针对协议栈、网络和应用软件执行时对MCU 处理能力的要求,CC2431 包含一个增强型工业标准的8 位8051 微控制器内核,运行时钟为32 MHz。CC2431 还包含一个DMA 控制器,可以减少8051 微控制器内核对数据的传送操作,因此提高了芯片整体的性能。在CC2431 8 KB 静态RAM 中的4 KB 是超低功耗SRAM。32 KB、64 KB 或128 KB 的片内Flash 块提供在线可编程非易失性存储器。CC2431 集成了4个振荡器用于系统时钟和定时操作,以及用于用户自定义应用的外设,具有4 个定时器。此外,还集成了实时时钟、上电复位、8 通道8~14 位ADC 等其他外设,并带有定位跟踪引擎。
图11为CC2431的典型接线图,他的外围电路很少,只需设计晶振电路和天线电路即可。

图11
2.3.3 串口通信模块
为了方便监测网络中数据传输的正常,需要串口来连接计算几,读取节点内部的数据。连接串口到CC2431,必须加max232进行电平转换。设计中因为是sink节点故只需一路输入输出,用P1-6连接T2IN,P1-7连接R2OUT。VDD需要接电源并用C1,C2接地。如图12

图12
2.3.4 仿真器接口设计
JTAG口设计必须符合电路引脚要求,否则无法连接。JTAG口设计方便烧写和调试程序,接口电路如图13所示,可根据后续需要改进。

图13

图14
晶振电路设计:采用两个石英谐振器和4个电容分别构成1个32MHZ的晶振电路和一个32.768的晶振电路,如图15所示,R221 R261为偏置电阻,其中R221为32MHZ晶振设置精密偏置电流。

图15
3 小结
本文根据无线传感器的设计要求,结合系统的实际,设计出了一款无线传感器节点的硬件设计方案。选用CC2431处理器作为系统的微处理器,并且配以温度、湿度以及烟雾传感器,选用ZigBee协议作为wsn的传输协议,实现了一种低功耗的无线传感器网络节点硬件平台,为系统的应用提供了必要的基础。
射频工程师养成培训教程套装,助您快速成为一名优秀射频工程师...

