- 易迪拓培训,专注于微波、射频、天线设计工程师的培养
电源设计指南:拓扑结构(三)
SMPS拓扑及转换原理
根据电路拓扑的不同,SMPS可以将直流输入电压转换成不同的直流输出电压。实际应用中存在多种拓扑结构,比较常见有三种基本类型,按照功能划分为(参见图2):降压(buck)、升压(boost)、升/降压(buck-boost或反转)。下面还将讨论图2中所画出的电感充电/放电通道。
三种拓扑都包括MOSFET开关、二极管、输出电容和电感。MOSFET是拓扑中的有源受控元件,与控制器(图中没给出)连接,控制器输出脉宽调制(PWM)方波信号驱动MOSFET栅极,控制器件的关断或导通。为使输出电压保持稳定,控制器检测SMPS输出电压,并改变方波信号的占空比(D),即MOSFET在每个开关周期(TS)导通时间。D是方波导通时间和周期的比值(TON/TS),直接影响SMPS的输出电压。两者之间的关系在等式4和等式5给出。
MOSFET的导通和关断状态将SMPS电路分为两个阶段:充电阶段和放电阶段,分别表示电感中的能量传递状态(参见图2的环路)。充电期间电感所储存的能量,在放电期间传递给输出负载和电容上。电感充电期间,输出电容为负载供电,维持输出电压稳定。根据拓扑结构不同,能量在电路元件中循环传递,使输出电压维持在适当的值。
在每个开关周期,电感是电源到负载能量传输的核心。如果没有电感,MOSFET切换时,SMPS将无法正常工作。电感(L)中所储存的能量(E)取决于电感电流值(I):

在每个开关周期中(图3),电感两端的电压恒定,因此电感中的电流线性变化。根据基尔霍夫电压环路定律,可以得到开关过程中电感两端电压,注意极性以及VIN/VOUT的关系。例如,升压转换器的放电期间,电感两端电压为-(VOUT-VIN)。因为VOUT>VIN,所以电感两端电压为负。
充电期间,MOSFET导通,二极管反向偏置,能量从电源传递给电感(图2)。由于电感两端电压(VL)为正,电感电流将逐渐上升。同时,输出电容将前一个周期存储的能量传递给负载,以保持输出电压的恒定。

图3.稳态时电感的电压、电流特性。
放电期间,MOSFET关断,二极管正向偏置并导通。由于此时电源不再对电感充电,电感两端电压极性反转,并且将能量释放给负载,同时补充输出电容的储能(图2)。放电时,电感电流逐渐下降,放电电流如上述关系式所示。
充电/放电周期循环,并保持一个稳定的开关状态。在电路建立稳态的过程中,电感电流逐渐达到其稳定值,该电流是直流电流和电路在两个阶段切换时所产生的交流电流(或电感纹波电流)之和(图3)。直流电流的大小与输出电流成正比,也取决于电感在SMPS拓扑中的位置。纹波电流需要经过SMPS滤波,以获得真正的直流输出。滤波由输出电容完成,它对于交流信号呈现较低的阻抗。不需要的输出纹波电流通过输出电容旁路,并且当电流对地放电时保持电容电荷恒定。因此,输出电容还起到稳定输出电压的作用。实际应用中,输出电容的等效串联电阻(ESR)产生的输出电压纹波与电容的纹波电流成正比。
由此可见,能量在电源、电感和输出电容间传递,保持输出电压恒定,为负载供电。那么,通过SMPS间的能量传递如何确定输出电压和输入/输出电压转换比 如果能够理解电路作用一个周期性波形的稳态过程,便可以很容易的计算出这些数值。稳态期间,有一个变量在重复周期TS的开始阶段与结束阶段相等。对于电感而言,如上所述,其电流周期性的充电与放电,因此其电流在PWM周期的开始阶段应该与结束阶段相等。这意味着,电感电流在充电过程的变化量(ΔICHARGE)应等于在放电过程的变化量(ΔIDISCHARGE)。建立充电和放电期间电感电流变化的等式,可得到下面的表达式:

简而言之,在不同的工作周期,电感电压和时间的乘积相等。因此,从图2的SMPS电路中,我们可以很容易的得到稳态时的电压和电流转换比。对于降压电路,根据充电电路的基尔霍夫电压环路可得到电感两端的电压为(VIN-VOUT)。同理,放电过程中电路电感两端的电压为-VOUT。根据等式3,可得出电压的转换比为:

从这一系列等式可以看出,降压转换器的输出相比VIN增大了D倍,而输入电流则比负载电流大D倍。表1列举了图2中所示拓扑结构的转换比。有些复杂的拓扑结构可能难以分析,但是利用这个方法解等式3和5可得到全部SMPS的转换比。

四、三电平DC/DC变换器的拓扑结构及其滑模控制方法
摘要:首先阐述了三电平DC/DC变换器拓扑的推导过程,给出了6种非隔离三电平DC/DC变换器和5种隔离三电平DC/DC变换器拓扑结构;分析了三电平DC/DC变换器中,如何设计滤波电路的参数以提高其动态品质;最后以Buck三电平变换器和Buck Boost三电平变换器为例,分析了滑模控制在三电平DC/DC变换器中的应用前景。
1引言
J.RenesPinheiro于1992年提出了零电压开关三电平DC/DC变换器[1],该变换器的开关应力为输入直流电压的1/2,非常适合于输入电压高、输出功率大的应用场合。因此,三电平DC/DC变换器引起了广泛关注,得到了长足发展。目前,三电平技术在已有的DC/DC变换器中,均得到了很好的应用。部分三电平DC/DC变换器在降低开关应力的同时,还大大减小了滤波器的体积,提高了变换器的动态特性。三电平技术的应用,充分体现了“采用有源控制的方式减小无源元件体积”的学术思想。
2三电平DC/DC变换器拓扑的推导与发展
2.1三电平两种开关单元
文献[2]分析了三电平DC/DC变换器的推导过程:用2只开关管串联代替1只开关管以降低电压应力,并引入1只箝位二极管和箝位电压源(它被均分为两个相等的电压源)确保2只开关管电压应力均衡。电路中开关管的位置不同,其箝位电压源与箝位二极管的接法也不同。文中提取出2个三电平开关单元如图1所示。图1(a)中,箝位二极管的阳极与箝位电压源的中点相连,称之为阳极单元;图1(b)中,箝位二极管的阴极与箝位电压源的中点相连,称之为阴极单元。
2.2六种非隔离三电平DC/DC变换器
三电平DC/DC变换器的推导过程可以总结为以下三个步骤:一是将基本变换器的开关管替换为相互串联的2只开关管;二是寻找或构成箝位电压源;三是从箝位电压源的中点引入1只箝位二极管到相互串联的2只开关管的中点,箝位二极管的放置与2只开关管与箝位电压源联接的地方有关。
为了确保2只开关管的电压应力相等,三电平DC/DC变换器一般由图1所示的两种开关单元共同组成。文献[2]所分析的半桥式三电平DC/DC变换器的推导思路,可以推广到所有的直流变换器中,由此提出了一族三电平DC/DC变换器拓扑,包括Buck,Boost,Buck Boost,Cuk,Sepic,Zeta等6种非隔离的三电平DC/DC变换器,但是这6种非隔离的三电平DC/DC变换器的输入与输出是不共地的,这个缺点限制了它们的使用范围。

(a)三电平阳极单元(b)三电平阴极单元
图1两种三电平开关单元
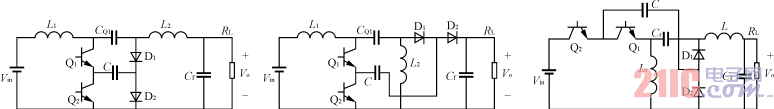
文献[10]提出将隔直电容引入到输入输出不共地的非隔离三电平DC/DC变换器中,并对变换器结构进行改进,使其输入与输出共地。改进后的变换器保留了改进前的变换器的所有优点,即:开关管的电压应力为输入电压的1/2;可以大大减小储能元件的参数;续流二极管的电压应力为输入电压的1/2。图2所示为6种输入输出共地的非隔离三电平DC/DC变换器。

(a)Buck三电平DC/DC变换器(b)Boost三电平DC/DC变换器(c)Buck-Boost三电平DC/DC变换器

(d)Cuk三电平DC/DC变换器(e)Sepic三电平DC/DC变换器(f)Zeta三电平DC/DC变换器
图2非隔离式三电平DC/DC变换器
[p] ‘
2.3五种隔离三电平DC/DC变换器
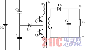
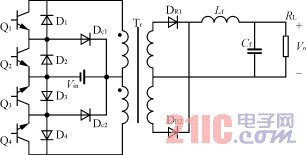
同理,可以推导出Forward,Flyback,Push-Pull,半桥和全桥等隔离的三电平DC/DC变换器[2],如图3所示。

(a)Forward三电平DC/DC变换器

(b)Flyback三电平DC/DC变换器

(c)Push-Pull三电平DC/DC变换器

(d)半桥三电平DC/DC变换器

(e)全桥三电平DC/DC变换器
图3隔离式三电平DC/DC变换器
3三电平DC/DC变换器中滤波元件参数的选择
上述6种非隔离的三电平DC/DC变换器和全桥三电平DC/DC变换器均可以得到三电平输出波形,从而大大减小了滤波元件的参数。文献[3,4]详细分析了一类零电压零电流开关复合式全桥三电平DC/DC变换器,该变换器的输出整流电压高频交流分量很小,可以减小输出滤波器,改善变换器的动态性能;同时其输入电流脉动很小,可以减小输入滤波器。
下面以Buck三电平DC/DC变换器和传统的Buck变换器中滤波器的参数设计为例进行比较。图4表明Buck三电平DC/DC变换器的电感电流最大脉动量仅为Buck变换器的1/4。如果两者电感电流脉动的最大值相同,那么Buck三电平DC/DC变换器的滤波电感量可减小为Buck变换器的滤波电感量的1/4。

图4BuckTL变换器的电感量为Buck变换器电感的1/4
在设计一个电源时,其输出纹波大小都有明确的限制,据此,可以计算出输出滤波电容的大小。经过分析,如果电感电流脉动相同,Buck三电平DC/DC变换器的输出滤波电容放电频率较Buck变换器提高了1倍,因此其滤波电容是可以减小为Buck变换器滤波电容量的1/2。考虑到电容寄生参数的影响,滤波电容的值要适当放大,并采用多个较小容量电容并联的方式以减小等效串联电阻(ESR)。
4滑模控制在三电平DC/DC变换器中的应用研究
在实际应用中,因为三电平DC/DC变换器开关数目比较多,控制相对比较复杂,对它的控制方法的研究还处于起步阶段。三电平DC/DC变换器工作时有多个模态,且每个模态有其独立的状态方程,要对三电平DC/DC变换器进行系统的解析分析比较困难。目前,三电平DC/DC变换器中一般采用脉宽调制(PWM)和交错控制相结合的方法。但是PWM控制有其固有的缺陷,即它的控制性能依赖于系统参数。当系统受到瞬态或持续扰动时,系统的参数也会改变,甚至会出现参数不匹配的情况,这样控制性能将大大降低。
为了提高和改善三电平DC/DC变换器的稳定性,抗负载扰动及参数摄动,快速性等,现代控制理论如自适应控制,非线性反馈线性化控制,滑模变结构控制,最优控制,以及模糊控制,神经网络等智能控制在三电平DC/DC变换器中的应用研究也将逐步开展。但目前还尚未有文献论述。
其中,滑模变结构控制在电力电子系统中改善鲁棒性,动态品质,控制硬件电路的设计等方面取得了一些成果[8,9]。滑模控制本质上是一种变结构控制,它的突出优点是其控制性能不依赖于系统参数。文献[8]详细介绍了DC/DC变换器的滑模变结构控制,论述了如何以等效控制作为分析手段来分析Buck,Boost,Buck Boost变换器,该方法保证了系统在大信号和小信号情况下的稳定性。
对于三电平DC/DC变换器,由于其特有的多模态工作情况,很适合于采用滑模变结构控制来实现和改善变换器的动态性能和鲁棒性。图5给出了Buck三电平DC/DC变换器的实验原理图,图6给出了Buck Boost三电平DC/DC变换器的实验原理图。滑模控制硬件电路实现简单,理论上有无限高的开关频率,但是受实际开关器件的频率限制,要求在滑模控制的控制信号输出端加一个延迟环节,一般采用施密特触发器来实现。400Hz驱动信号是用来实现电压输入扰动和负载扰动,以验证滑模控制对这两个扰动的鲁棒特性。

图5基于滑模控制的Buck三电平DC/DC变换器实验原理图

图6基于滑模控制的Buck Boost三电平DC/DC变换器实验原理图
但是,由于三电平DC/DC变换器的开关数目比较多,不再是简单的{0,1}标量控制,这给滑模面的选择和控制律的选取造成了一定的困难。关于这方面的研究,作者将在另文中作进一步的探索。
5结语
本文从三电平DC/DC变换器拓扑的推导过程,三电平DC/DC变换器中滤波元件参数的设计,以及三电平DC/DC变换器中控制方法的研究等几个方面详细论述了近年来三电平DC/DC变换器研究的现状。
射频工程师养成培训教程套装,助您快速成为一名优秀射频工程师...
天线设计工程师培训课程套装,资深专家授课,让天线设计不再难...
上一篇:基于PIC单片机的智能充电器的设计与实现
下一篇:逆变器制作过程及调试方法

