- 易迪拓培训,专注于微波、射频、天线设计工程师的培养
用一只三相整流器和降压器做离线单相电源
某些工业应用要求将一个三相电源送入一个小功率的dc/dc转换器,并可能要处理200V或400V的线间有效电压。此外,可能没有可用的交流中性线,因此不得不使用线间的电压链路,这意味着更高的输入电压。在单相和双相之间可能出现电压故障,有些应用要求电源能在这种问题下继续工作。为应付这些问题,可以采用一个非受控整流器和一只电容,将三相交流电转换为一个直流电压,但这个电压可能高于标准转换器可以支持的最大输入电压。要找到一个可用于这些电压的dc/dc转换器可能很困难,这个电压一般为564V直流或更高。
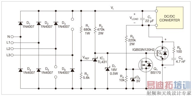
用图1中的电路可以获得一个小于某给定值的直流电压,该值由R1与R3之比而决定。以图中的电阻取值,当线间的三相电压为400V有效值或更高时, 得到的这个电压约为340V。可以从两相或三相电中获得这个值,无论是否有中性线,也可以取自带中性线的单相电。本电路省略了传统三相整流桥的两只二极管,并包含了一个中性线二极管对,从而在储能电容C1上获得低于340V的电压,且初始起动时达到0V(图2)。如果连接了中性线,则必须将其接到一个整流器的双二极管臂上,以获得0V的起动电压;不过,相线可以随机连接。

图1,三相整流器使用了一只开关IGBT和一只电容,将电压降低到标准离线dc/dc转换器范围内。

图2,电路省略了典型三相整流桥的两只二极管,而加了一个中性线二极管对,从而在储能电容C1上获得了低于340V的电压,在初始起动时达到0V。
并联稳压器IC1用作比较器。在初始起动后,一旦瞬时整流电压VI大于340V,IC1的基准-阳极电压就高于其2.495V的内部基准,将阳极-阴极电压降低到大约2V,使Q2关断。当整流电压低于340V时,IC1不拉入电流。于是,Q2因R2偏置而导通,将储能电容C1和dc/dc转换器负载连接到整流器上。
在上电时,如果C1完全放电,而整流后的瞬时交流线电压大于约50V,则MOSFET Q1导通,使绝缘栅双极晶体管Q2保持关断;无充电电流通过电容。如果瞬时整流电压低于储能电容与50V之和,则Q1关断,Q2导通,将电容与负载连接到整流器上。
注意(尤其是在上电时),当Q2关断时,Q2的VCE=VI-VLOAD值上升到一个大值,因此R5必须尽可能大,要承受大约0.5W的功率。增加R5的值意味着必须增加R4的值,从而使Q1的关断更缓慢,并可能产生起动时的故障。对于R4、R5和D8的值,必须在实用时做一个均衡。考虑到D8限制了Q1上的最大栅极电压,它的齐纳电压必须尽可能接近于阈值电压,从而通过R4更快地关断。Q1的一个好的选择是BS170。可以在Q2的集射结上跨接一个R6和CS组成的缓冲网络,以限制所产生的噪声。
当实际负载电压为340V时,IC1的基准电压大约比其阴极高0.5V,输入电压开始通过集电极结而导通。必须在0.5V、45μA时测量这个阴极电压,并且如果计算R1和R3的新值,则必须考虑这个值。图2中的仿真并没有考虑到这个输入泄漏,开关为310V。
射频工程师养成培训教程套装,助您快速成为一名优秀射频工程师...

