- 易迪拓培训,专注于微波、射频、天线设计工程师的培养
基于改进启动回路的反激式开关电源设计
1 前言
开关电源具有高效率、低功耗、体积小、重量轻等显著优点,现已成为稳压电源的主流产品。本文以电流型PWM控制芯片UC3844B设计了一种高效的单端反激式、4路隔离输出的辅助电源系统,并针对传统启动回路中直流母线侧能量浪费的缺点,设计了一种新型控制芯片启动回路。实验结果表明,设计的单端反激式开关电源具有良好的工作性能,改进型启动电路能够有效缩短启动时间,提高了电源效率。
2 UC3844B芯片介绍
UC3844B是一种高性能固定频率电流模式的PWM控制集成电路芯片。该集成电路的特点是:具有震荡器、温度补偿参考、高增益误差放大器、电流取样比较器和大电流图腾柱输出,是驱动功率MOSFET的理想器件。其内部结构及管脚图如图1所示[1]。
图1 UC3844B内部结构及引脚图

具有8脚双列直插封装的UC3844B芯片各引脚功能如下:1脚(COMP)是误差放大器的输出端,用于环路补偿;2脚(UFB)是误差放大器的反相输入,通常通过一个电阻分压器连接至开关电源输出;3脚(ISEN)是电流取样端,通常在功率开关管的源极串联一个小电阻作取样电阻,当取样电阻上的电压超过给定值时,UC3488B就关闭输出端;4脚(RT/CT)是振荡器,该引脚是外部定时电阻RT与定时电容CT的公共端,通过将电阻RT连接至8脚Vref以及电容CT连接至地,使振荡器频率和最大输出占空比可调,工作频率可达500kHz;5 脚(GND)是控制电路和电源的公共地;6 脚(OUT)是推挽输出放大器的输出端,该输出可直接驱动功率MOSFET的栅极,具有拉电流和灌电流的双向驱动能力,峰值电流高达1.0 A。 7脚(Vcc)是电源输入端;8脚(Vref)是参考输出引脚,它经过电阻RT向电容CT提供充电电流[2]。UC3844B还包括过压、欠压保护电路,当供电电源电压低于10V时,芯片停止工作。
3 开关电源原理及设计
3.1 开关电源的工作原理
开关电源的工作原理图如图2所示[3]。刚启动时UC3844B所需的+16V工作电压由R2、C3电路提供。220V交流电经桥式整流和电容滤波,得到+300V直流高压,在经R2降压后接U2的7脚,利用C3的充电过程使U2逐渐升至+16V以上,从而实现启动。当开关电源转入正常工作后,辅助绕组上的高频电压经过VD2、C4整流滤波,作为芯片的工作电压。UC3844B属于电流控制型PWM,初级绕组上的电流在电流检测电阻R10上建立的电压,加至电流检测比较器的同相端,与反相端的误差电压作比较,进而控制输出脉冲的占空比。考虑到开关功率管关断的瞬间,高压变压器的漏感会产生尖峰电压,现利用TVS、D5、R3、C2组成吸收回路,对开关功率管起保护作用。电压反馈回路主要由稳压芯片TL431、光耦PC817A构成,反馈信号由+5V输出端取得,通过TL431的稳压与光耦的隔离作用后,送入UC3844B的电压反馈引脚,控制输出电压的稳定。

图2 开关电源原理图
3.2 高频变压器设计
单端反激式变压器的技术参数如下:工作频率f=50kHz;开关电源变压器的最高和最低输入电压分别Umax=375V; Umin=120V最大工作占空比为Dmax=50%;整流二极管的正向压降VFVD=0.6V;输出4路隔离电压分别为:+5V/3A, ±5V/1A, 24V/0.5A。
(1)计算初级峰值电流
初级电流峰值Ipk:

(1)
式中:P0为变压器输出功率;η为变压器效率,通常取0.8。
(2)计算初级电感
一次侧电感LP:

(2)
(3)选择变压器磁芯
磁芯的选用采用AP法,可按下式计算:

(3)
通过上式计算,并留出足够的功率余量,我们选择EI30型变压器磁芯。
(4)计算初、次级绕组匝数
初级绕组:

(4)
式中:Ae为有效磁通面积;Aw为最大磁通密度。
次级绕组:

(5)
经过式(5)的计算可知:+5V输出的次级绕组匝数为5匝;±15V输出的次级绕组匝数为14匝;+24V输出的次级绕组匝数为22匝。
(5)计算气隙长度
变压器的气隙长度由下式确定:

(6)
3.3 尖峰电压吸收电路设计
功率MOSFET管在关断时会在变压器初级绕组上产生尖峰电压和反射电压,加上直流侧的高压,很容易损坏功率MOSFET管,这就必须加入箝位电路来箝位[4]。本设计中采用反向击穿电压为200V的瞬态电压抑制器P6KE200和反向耐压为 1 kV的RS1M型超快恢复二极管,同时采用RC阻容吸收回路,以减少尖峰电压。 [p]
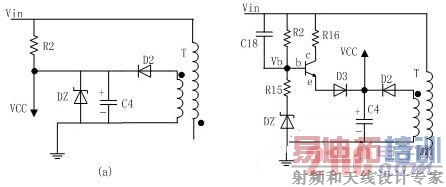
3.4 改进的启动电路设计
如图3(a)所示,传统启动回路采用齐纳二极管DZ限制控制芯片UC3844的启动电源的给定,当控制芯片处于稳定工作状态时,直流母线侧的电流依然流经启动电路,造成不必要的能量损失。

图3 传统启动电路与改进启动电路的对比
为此,提出了一种改进的启动电路设计,如图3(b)所示。初始阶段,三极管Q导通,
直流母线电压Vi通过R16对电容C4充电,同时直流母线电压Vi通过电阻R15对电容C18充电,Vb处的电压最终稳定在如下电压:
Vb=12+Vi*R2/(R15+R2) (7)
由于R15□R2,可以简单的认为Vb≈12V。由于控制芯片UC3844的启动和关断电压为16V和10V,为了使Q能够在系统稳定工作后关断,必须满足以下条件:

(8)
三极管Q关断后,控制系统进入稳定的工作状态,芯片UC3844由反馈绕组进行供电,直流母线电流不在流经启动电路,大大减小了损耗。
4 实验结果及分析
按照上面的分析,设计了基于UC3844B的多路单端反激式开关电源。主要参数如下:开关频率f=50kHz,直流输入电压波动为120V□375V,直流多路输出电压为+5V/3A, +15V/1A, +24V/0.5A。图4是传统启动电路和改进启动电路的启动电压波形比较图。
由图可以看出,当启动电压达到16V时,UC3844B便进入稳定的工作状态,并最终稳定在12V。通过比较可以看出,传统的控制策略需要0.4s使其启动电压达到16V,而改进的控制策略仅仅需要0.1s,减小了启动时间,提高了控制效率。
图5是开关电源分别在轻载和重载的情况下,一次侧的峰值电流和MOSFET的驱动电压波形。由图可以看出,MOSFET的调整周期大约为22μs,即频率约为45kHz,占空比约为40%,满足设计要求。通过对比还可以看出,轻载时开关电源工作在不连续模式下,一次侧电流从零开始增加;重载时开关电源工作在连续模式下,一次侧电流未通过零点,有一定的起始值。

图4 传统和改进启动电路的启动电压波形比较图:(a)传统启动电路;(b)改进的启动电路

图5 不同负载下的初级电流和触发脉冲波形: (a)轻载;(b)重载
5 结论
本文采用电流型脉宽调制芯片UC3844B,设计了一种单端反激式多路隔离输出辅助电源系统,并对其启动电路进行了改进。实验结果表明,改进的启动电路启动时间明显缩短,大大减小了能量浪费,同时开关电源工作稳定,满足设计要求,具有一定实用性。
参考文献
[1] 马洪涛,沙占友,周芬萍.开关电源制作与调试[M].北京:中国电力出版社,2010.
[2] 程海龙,李玉忍,梁波.基于UC3842的电源变换器 设计[J].电源技术,2011,(35):720-722.
[3] 咸庆信.变频器使用电路图集与原理图说[M].北京:机械工业出版社,2009.
[4] 吴国平,杨仁刚,杜海江.一种基于NCP1014的反激式开关电源设计研究[J].电力电子技术,2010,(44):78-50.
[5] Liang Cheng, Yunyue Ye, Zhou Zheng. Design of Improved Single Phase Flyback Switching
Power for PMSM Drive System[J]. IEEE Transaction on IE, 2011.
作者简介
李大鹏(1988-) 男,山东济宁人,硕士研究生,研究方向为电力电子及其电气传动。■
射频工程师养成培训教程套装,助您快速成为一名优秀射频工程师...
天线设计工程师培训课程套装,资深专家授课,让天线设计不再难...
上一篇:开关电源电磁兼容性问题研究
下一篇:升压式DC/DC变换器

