- 易迪拓培训,专注于微波、射频、天线设计工程师的培养
有源钳位正激变换器的理论分析和设计方法
摘要:零电压软开关有源钳位正激变换器拓扑非常适合中小功率开关电源的设计。增加变压器励磁电流或应用磁饱和电感均能实现零电压软开关工作模式。基于对零电压软开关有源钳位正激变换器拓扑的理论分析,提出了一套实用的优化设计方法。实验结果验证了理论分析和设计方法。
关键词:有源钳位;正激变换器;零电压软开关
1 引言
单端正激变换器拓扑以其结构简单、工作可靠、成本低廉而被广泛应用于独立的离线式中小功率电源设计中。在计算机、通讯、工业控制、仪器仪表、医疗设备等领域,这类电源具有广阔的市场需求。当今,节能和环保已成为全球对耗能设备的基本要求。所以,供电单元的效率和电磁兼容性自然成为开关电源的两项重要指标。而传统的单端正激拓扑,由于其磁特性工作在第一象限,并且是硬开关工作模式,决定了该电路存在一些固有的缺陷:变压器体积大,损耗大;开关器件电压应力高,开关损耗大;d v /d t 和d i /d t 大,EMI问题难以处理。
为了克服这些缺陷,文献[1][2][3]提出了有源钳位正激变换器拓扑,从根本上改变了单端正激变换器的运行特性,并且能够实现零电压软开关工作模式,从而大量地减少了开关器件和变压器的功耗,降低了d v /d t 和d i /d t ,改善了电磁兼容性。因此,有源钳位正激变换器拓扑迅速获得了广泛的应用。
然而,有源钳位正激变换器并非完美无缺,零电压软开关特性也并非总能实现。因而,在工业应用中,对该电路进行优化设计显得尤为重要。本文针对有源钳位正激变换器拓扑,进行了详细的理论分析,指出了该电路的局限性,并给出了一种优化设计方法。
2 正激有源钳位变换器的工作原理
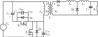
如图1所示,有源钳位正激变换器拓扑与传统的单端正激变换器拓扑基本相同,只是增加了辅助开关Sa(带反并二极管)和储能电容 C s,以及谐振电容 C ds1、 C ds2,且略去了传统正激变换器的磁恢复电路。磁饱和电感 L s用来实现零电压软开关,硬开关模式用短路线替代。开关S和Sa工作在互补状态。为了防止开关S和Sa共态导通,两开关的驱动信号间留有一定的死区时间。下面就其硬开关工作模式和零电压软开关工作模式分别进行讨论。为了方便分析,假设:

图1 采用磁饱和电感的有源钳位正激软开关变换器
1)储能电容 C s之容量足够大以至于其上的电压 V cs可视为常数;
2)输出滤波电感 L o足够大以至于其中的电流纹波可忽略不计;
3)变压器可等效成一个励磁电感 L m和一个匝比为 n 的理想变压器并联,并且初次级漏感可忽略不计;
4)所有半导体器件为理想器件。
2.1 有源钳位正激变换器硬开关工作模式
硬开关的有源钳位正激变换器工作状态可分为6个工作区间,关键工作波形如图2(a)所示。
[ t 0~ t 1]期间主开关S导通,辅助开关Sa断开。变压器初级线圈受到输入电压 V in的作用,励磁电流线性增加,次级整流管导通并向负载输出功率。 t 1时刻,主开关S断开。
[ t 1~ t 2]期间负载折算到变压器初级的电流 I o*和励磁电流 i m给电容 C ds1充电和 C ds2放电,电压 V ds1迅速上升。 t 2时刻, V ds1上升到 V in,变压器输出电压为零,负载电流从整流管D3转移到续流管D4。
[ t 2~ t 3]期间只有励磁电流 i m通过 L m、 C ds1、 C ds2继续谐振,并在 t 3时刻 V ds1达到( V in+ V cs)。辅助开关Sa的反并二极管D2导通,励磁电流给电容 C s充电并线性减小,此时,可驱动辅助开关Sa。
[ t 3~ t 4]期间变压器初级线圈受到反向电压 V cs的作用,励磁电流由正变负。 t 4时刻,Sa断开。
[ t 4~ t 5]期间电容 C ds1、 C ds2与 L m发生谐振,并在 t 5时刻电压 V ds1下降到 V in,变压器磁芯完成磁恢复。
[ t 5~ t 0′]期间次级整流管导通,变压器次级绕组短路,给励磁电流提供了通道。在此期间, V ds1维持在 V in,励磁电流保持在- I m(max)。 t 0′时刻,主开关S被驱动导通,下一个开关周期开始。
很明显,有源钳位正激变换器的变压器磁芯工作在一、三象限,变换器工作占空比可超过50%。由于电容 C ds1、 C ds2的存在,开关S和Sa均能自然零电压关断,而且Sa能实现零电压导通。但主开关管S工作在硬开关状态。

(a)硬开关工作波形

(b)增加励磁电流实现软开关的工作波形 (c)采用磁饱和电感实现软开关的工作波形
图2 各种开关电路的工作波形
2.2 有源钳位正激变换器零电压软开关模式
从上面的分析可明显地看出,当变压器励磁电感 L m减小,励磁电流足够大时,[ t 5~ t 0′]期间励磁电流除了能提供负载电流外,剩余部分可用来帮助电容 C ds2、 C ds1充放电。电压 V ds1有可能谐振到零,从而实现主功率开关管S的零电压软开通。二极管D1可为负的励磁电流续流。关键工作波形如图2(b)所示,具体的软开关条件将在下一节中详细讨论。很显然,软开关的代价是变压器励磁电流和开关管导通电流峰值大幅增加,开关管及变压器电流应力和通态损耗明显加大。
2.3 应用磁饱合电感器实现零电压软开关
为了克服上述零电压软开关工作时电流应力过大的缺点。可以在变压器次级整流二极管上串联一个磁饱和电感 L s,如图1所示。当电压 V ds1下降到 V in时,[ t 5~ t 0′]期间磁饱和电感 L s瞬时阻断整流二极管,使得变压器励磁电流不必负担负载电流,而可完全用来给电容 C ds2、 C ds1充放电。这样,不必大量减小变压器励磁电感,较小的励磁电流就可以保证电压 V ds1谐振到零,实现主功率开关管的零电压软开通。关键工作波形如图2(c)所示。
3 静态分析和优化设计方法
3.1 储能电容电压及开关管承受的电压应力
根据磁芯伏裁肫胶庠则,可得式(1)
V cs(1- D ) T s= V in DT s(1)
因为
V
o=
所以
V
cs=
(2)
式中: V in为输入直流电压; [p]
V o为输出电压;
D 为主开关导通占空比;
T s为开关周期;
n 为变压器匝比。
因此,主开关S和辅助开关Sa承受的最大电压应力均为 V DS:
V
DS=
=
(3)
上式说明,当变压器匝比愈小时,对于一定的输入电压和输出电压的变换器,开关管电压应力 V DS愈小。所以,有源钳位正激变换器一个显著优点是可以降低开关管电压应力,从而可选用额定电压较低、通态电阻较小的功率开关管。另外,当变压器变比 n 确定后,开关管电压应力仅与占空比有关,如图3所示。显然,当占空比为0.5时,开关管承受最小的电压应力。当输入电压变化时,如果将占空比设计运行在以0.5为中心的对称范围内,则可使开关管承受的电压应力基本保持恒定。

图3 开关管电压应力与占空比的关系曲线
3.2 增加励磁电流实现零电压软开关工作条件
从开关Sa断开到电压 V ds1谐振至零的过程,即工作区间[ t 4~ t 5]和[ t 5~ t 0′]。要实现主开关S零电压软开通,其导通驱动延迟时间必须大于以上两区间之和。
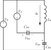
[ t 4~ t 5]期间等效电路如图4所示。相应的电路微分方程是:
V
in=
L
m
C
ds
+
V
ds1(4)
=
(5)
=
V
DS(6)

图4 [ t 4~ t 5]期间的等效电路
微分方程的解为:
V
ds1=
cos(
ωt
+
φ
)+
V
in(7)
i
m=-
sin(
ωt
+
φ
)(8)
式中:0≤ t ≤ t 5- t 4。
I
mp=
(9)
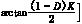
φ
=arctan
(10)
C ds= C ds1+ C ds2(11)
ω
=
(12)
t 5时刻,即当
t
=
t
5-
t
4=
t
a=
(13)
V ds1= V in
i
m=-
I
m(max)=-![]()
设
K
=
ωT
s=
(14)
I
m(max)=
I
mp
=![]()
(15) [p]
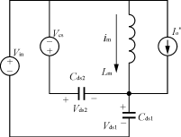
[ t 5~ t 0′]期间等效电路如图5所示。相应的电路微分方程是:
V
in=
L
m
C
ds
+
V
ds1(16)
=
(
I
o*-
I
m(max))(17)
=
V
in(18)

图5 [t5~t0′]期间的等效电路
微分方程的解为:
V
ds1=
sin
ωt
+
V
in(19)
i m=-( I m(max)- I o*)cos ωt - I o*(20)
式中:0≤ t ≤ t 0′- t 5;
I
o*=
为变换器输出电流折算到变压器原边的值,并且忽略了输出电感的电流纹波。
显而易见,主开关零电压开通的必要条件是:
( I m(max)- I o*)≥ C ds ωV in(21)
实际上,上述条件即是,变压器励磁电感储存的电流除支持负载电流外,剩余能量能使电容 C ds1上电压谐振到零。 V ds1从 V in谐振到零所需时间 t b为:
t
b=
arcsin
(22)
所以,主开关管零电压导通所需总的导通延迟时间 t d为:
t
d≥
t
a+
t
b=![]()
(23)
实际上,谐振频率 ω 远大于开关频率 f s,即K远大于1,故式(23)可简化为:
t
d≥![]()
![]()
(24)
3.3 应用磁饱和电感实现软开关工作的条件
当辅助开关Sa断开后,由于磁饱和电感Ls瞬间相当于开路,因此变压器励磁电流可完全用来对 C ds2和 C ds1充放电。[ t 4~ t 5]、[ t 5~ t 0′]期间,等效电路同图4。显然,令式(21)和(24)中 I o*或 I o为零,即可得到主开关管零电压导通的能量条件和时间条件, I m(max)≥ C ds ωV in,即:
K
≥
牛25)
t
d≥![]()
牛26)
死区延迟时间,意味着PWM变换器有效占空比的损失。为了尽量减小有效占空比的损失,则K必须加大。另一方面,变换器开关频率 f s愈高,则为保持相同的有效占空比, K 至少应保持不变,即谐振频率 ω 应与开关频率 f s成比例增加。图6给出了软开关所需要的死区时间 t d和最大励磁电流 I m(max)与 K 的关系曲线。从图中明显看出,采用加大励磁电流的方法实现零电压软开关和采用磁饱和电感器比较,要求的 K 较大,因而有较大的励磁电流损耗;另外,从式(15)看出,开关频率愈高,电流峰值也愈高,变压器的铜耗和开关管的导通损耗也愈大。因此,软开关有源钳位正激变换器工作频率不宜太高。

图6 软开关所需延迟时间 t d和最大励磁电流 I m(max)与系数 K 的关系曲线
3.4 优化设计方法
对一给定技术指标的DC/DC变换器,其具体参数为:输入电压范围 V in(min)~ V in(max),输出电压 V o,输出功率 P o,开关频率 f s。设计步骤如下:
1)根据输出功率 P o、开关频率 f s选定变压器磁芯材料,得到相应的磁芯截面积 A e,饱和磁密 B s,窗口面积 A w等。设定最大交变磁密Δ B 。
2)确定最大电压应力 V DS及降额系数 K 1。
3)据式(27)、(28)求出变压器匝比 n 和最大、最小占空比 D max、 D min,及正常占空比 D norm。
V
ds=
≤
K
1
V
DS(27)
V
ds=
≤
K
1
V
DS(28)
4)求出变压器初次级匝数 N 1, N 2。
N
1=
(29)
N
2=
(30) [p]
5)求出开关管电压应力
V
ds,选定主开关S和辅助开关Sa的额定电压及确定谐振电容
C
ds1和
C
ds2。
6)设定死区延迟时间 t d,针对不同的软开关实现方法,分别从式(21)、(24)或(25)、(26)求出所需的系数 K 。
7)根据式(14)和(12)求出谐振频率 ω 及变压器初级励磁电感量 L m。
4 设计实例和实验结果
应用上述设计方法,设计1台用于通讯设备的AC/DC变换器电源。具体技术指标为:
输入电压 V i AC 140V~280V
输出电压 V o DC 12V
输出功率 P o 150W
功率因数 λ >0.95
效率 η >0.80
采用常规的Boost变换器进行功率因数校正,满足功率因数大于0.95的指标要求,且得到DC 440V的直流电压。考虑到电源保持时间要求,设定有源钳位DC/DC变换器输入电压工作范围为DC 330~450V,开关频率为100kHz,即 T s=10μs, V inmax=450V, V inmin=330V, V innorm=440V。为提高效率,有源钳位DC/DC变换器采用了同步整流技术,设计结果如下:
1)选择磁芯材料为TDK,PC40,EER40, A e=1.49cm2, B s=450mT,取Δ B =300mT。
2)设定开关管最大电压应力为900V,降额系数 K 1为0.9。
3)求出变压器匝比n,最大、最小占空比 D max、 D min,及正常占空比 D norm考虑整流管压降和输出电感损耗,取 V o为13V,据式(27)、(28)求出: n ≤15,取 n =13.3。则: D max=0.524, D min=0.384, D norm=0.393。
4)据式(29)、(30)求出变压器初次级匝数 N 1, N 2分别为40匝和3匝。
5)据式(3),求出当占空比为0.384时,开关管承受最大的电压应力731V。S和Sa可选900V之功率场效应管。等效漏源并联电容 C ds1为330pF, C ds2为200pF,所以 C ds为530pF。
6)设定死区时间 t d为350ns,采用磁饱和电感方法实现软开关。则据式(26)求出 K 为15.4。
7)据式(14)和(12)求出谐振频率 ω 为1.54MHz,变压器励磁电感 L m为800μH。
图7(a)、7(b)、7(c)给出了实测的主开关管工作电压、电流波形。图7(a)显示主开关管工作在硬开关状态。图7(b)和图7(c)分别是采用增加励磁电流方法和应用磁饱和电感器方法实现零电压软开关的电压电流波形,后者明显地降低了励磁电流和开关管电流的峰值。实测波形与理论分析完全一致。图8、9显示出了实测的效率曲线。从图9中看出,当变换器开关频率增加时,变压器励磁电流损耗和开关管通态损耗所占比重增加,变换器效率降低了。实验结果验证了理论分析。

(a)硬开关工作模式主开关电压、电流波形

(b)软开关工作模式主开关电压、电流波形 (c)软开关工作模式主开关电压、电流波形
图7 实测主开关管工作电压电流波形

图8 效率与DC/DC变换器输出功率Po的关系

图9 效率与DC/DC变换器开关频率fs的关系
5 结语
有源钳位正激拓扑非常适合中小功率的DC/DC变换器电源设计。零电压软开关条件是变压器励磁电感和谐振电容的谐振频率必须足够大,并且有足够的励磁电流储能。其代价是变压器励磁电流损耗和功率开关管通态损耗加大,并随工作频率提高而加剧。因此该变换器拓扑工作频率受到限制。采用磁饱和电感可以改善电流应力过大的缺点。本文给出了有源钳位正激变换器的理论分析和设计方法。一台应用于通讯设备,宽范围输入电压的150W电源被设计出来,实验结果证实了理论分析。
射频工程师养成培训教程套装,助您快速成为一名优秀射频工程师...
天线设计工程师培训课程套装,资深专家授课,让天线设计不再难...
上一篇:单相纯计量表的电源设计
下一篇:电力系统中光电电流互感器研究

