- 易迪拓培训,专注于微波、射频、天线设计工程师的培养
机载计算机电源的小型化设计
1概述
随着微电子技术的发展,采用大规模和超大规模集成电路的机载计算机主机已越来越小型化,因而对其电源部件的体积和重量提出了进一步小型化的要求,然而现有的机载计算机电源,已经普遍采用了开关式稳压电源,而且大部分都是集成模块,因而其体积和重量与分立器件电源相比,已经缩小了1/3到1/2,要进一步缩小电源的体积,减轻其重量,就有一定的难度。以下就实现电源小型化的途径进行分析和探讨。
2机载计算机电源的小型化途径
机载计算机是一种抗恶劣环境计算机,其电源部件也必须满足抗恶劣环境的要求,例如必须适应-55℃~+60℃的环境温度和较宽的输入电压变化范围;还要耐振动、撞击,抗电磁干扰等高可靠性要求。因此,在分析和探讨电源小型化的方案时,须考虑到工作在恶劣环境下仍然满足各项电气性能指标。
2.1采用功率密度更大的DC/DC变换器模块
随着功率电子学的兴起与快速发展,DC/DC变换器集成电源模块已被大量开发并投放市场,而且得到了越来越广泛的应用,但各供应商生产的模块电源,其工作频率、变换效率各不相同,在输出功率相同的情况下,体积、重量相差较大,同时应用环境也各不相同,因而设计体积小、重量轻,又能适应恶劣环境下使用的电源部件,真正可选用的电源模块并不多,只有几种国外电源模块可选用,如美国的VICOR、abbott,法国的GAfA等电源模块。
2.2优先选用具有多路输出电压的电源模块
单路电压输出与多路电压输出的电源模块,各有优缺点,前者只有一路输出电压,是直接受调控的,因而输出电压的精度高,后者输出电压好几路,但只有主回路输出的电压精度高,其余的是间接受到控制,因而输出电压的精度比较低。由于多种电压要由多块单输出模块来实现,所以要比直接采用多路电压输出模块体积大。为了减小体积和重量,在满足技术要求的前提下,应优先选用多路电压输出的电源模块,如美国的abbott和法国的GAfA模块都有多路输出。
2.3采用低压差线性集成稳压器作为二次稳压
在普遍采用开关式集成稳压模块的情况下,线性集成稳压器(特别是低压差的线性集成稳压器)仍然广泛地被采用。例如采用三端低压差线性集成稳压器,将5V经二次稳压得到3.3V,将±15V经二次稳压获得精密的±10V电源。
2.4必要的少量外围分立元件也尽量采用体积小、重量轻的片式表面贴装元件
采用集成电源模块组成的电源部件,仍有少量的分立元件,如滤波用的电感器、X电容器和Y电容器,以及调节电压的电阻器等,也一律采用贴片式。
2.5电源部件所需的某些非标准输出电压,当无法从单块电源模块获得时,可采用标准电压输出的小型电源模块,进行相互串联得到
例如将体积小的±15VGAfA电源模块作单路输出而得到±30V,再相互串联得到±60V。
2.6当一家供应商不能满足体积、重量要求时,可采用多家供应商提供的电源模块进行组合设计。
2.7要减小整个电源的体积和重量,将电源模块基板贴在机箱内壁利用金属壳体散热是非常必要的。
3某机载计算机电源的小型化设计
3.1某机载计算机对电源的技术要求
(1)输入电压28.5V(23~32VDC);
(2)输出电压
电压种类+5V±15V±24V±60V+12V
输出电流5A0.8A2A0.1A0.2A
稳压精度≤±1%≤±1%≤±1%≤±2%≤±2%
纹波燥声Vp瞤≤50mV≤80mV≤100mV≤100mV≤100mV
(3)工作温度-55℃~+60℃;
(4)外形尺寸178mm×105mm×20mm;
(5)重量≤0.5kg;
(6)满足其它机载条件。
3.2根据技术要求确定电源部件的设计方案
根据该电源部件输出电压种类多,给定的外形尺寸小,且输入电压变化范围大,工作温度范围宽等特点,必须选用小型、高可靠性的军档电源模块。
(1)5V(5A),±15V(0.8A)选用美国生产的abbott三路输出NB50TM/5/15/15—C电源模块,该模块输出5V(5A),±15V(0.83A),工作温度-55℃~+100℃,金属壳封装,外形尺寸为76.2mm×50.8mm×9.7mm,其性能满足设计要求。
(2)±24V(2A)选用两块美国生产的VICOR电源模块MI睯23睲X/S,该模块输出24V(3.1A),工作温度-55℃~+100℃,外形尺寸为57.9mm×45.7mm×12.7mm,其性能满足设计要求。 [p]
(3)±60V(0.1A),+12V(0.2A)分别选用法国生产的GAfA电源模块MGDB04睯睩(/T)和MGDS04睯睧(/T),前者输出±15V(130mA)或30V(130mA),后者输出+12V(330mA),工作温度均为-55℃~+100℃,外形尺寸为32mm×19.3mm×7mm,利用前者两块串联可得60V电压,性能满足设计要求。

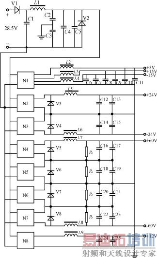
图1电源电路图
3.3电源电路的组成
电源电路见图1电源电路图。
3.4散热与分立元器件的处理
(1)由于各种电源模块的厚度不同,为了将模
块基板贴靠箱体散热,在计算机箱体的后壁作适当结构处理,使不同高度的模块基板都能紧靠机箱后壁,并在中间涂导热胶或散热护垫,以减少接触热阻。
(2)滤波电容采用CA45、CAK45型片式固体电
解质钽电容器,其外形最大尺寸为7.3mm×4.3mm×2.8mm,滤波电感采用小型磁芯绕制的电感器。
(3)28.5V输入端采用TVS瞬变电压吸收二极管
(1.5KE43A)和小型的抗干扰滤波器。
4应用效果
该电源部件中的所有元器件全部组装在178mm×105mm的板面内,元器件最大高度≤13mm,重量≤0.5kg。电源经各项性能测试和高低温实验,并与计算机联试,其各项技术性能均达到设计要求,满足整机需要。
射频工程师养成培训教程套装,助您快速成为一名优秀射频工程师...

