- 易迪拓培训,专注于微波、射频、天线设计工程师的培养
一种多路输出军用车载电源的设计
1 引言
本文提到的多路输出军用车载电源是一种输入输出均为低压大电流的双路DC/DC开关电源。输入电压9~15V,输出电压2路:一路24V;一路5V。24V输出又同时供给三路负载;输入电压又直接供给两路负载,如图1所示。
图1 电路框图
考虑到输出独立保护的要求,本电源采用了两路独立的电路结构,24V输出功率较大采用Forward,5V输出功率较小采用Flyback。
下面就电路中一些特殊的设计做一些介绍。
2 散热器设计
散热方式是电源产品设计中首先需要考虑的部分,因为,它关系着电路设计中元器件的选取,PCB的设计等一系列问题。通常的电源产品都采用风扇冷却,这样可以达到比较好的散热效果。
本文提到的军用车载电源,由于长期工作在震动和冲击的环境下,采用风扇冷却会影响电源系统的可靠性,因此,采用自然冷却的散热结构。整个装置的散热器结构安排如图2所示。功率半导体器件放在PCB板的背面并紧贴底板,直接通过底板散热,底板采用厚铝材料,整个装置安装在大铁板上(装甲车)。装置的两侧用带翼的散热片,兼起支撑作用。这样整个散热器的安排不但能达到比较好的散热效果,还可以充分利用PCB板的空间,一定程度上减少了整个装置的体积。
图2 散热器结构
3 三重过流保护
由于是军用车载电源,对装置的稳定性和可靠性要求非常高,所以,采用了三重过流保护,即微秒级保护、毫秒级保护及秒级保护。
3.1 微秒级保护
微秒级保护是指电源出现输出过流或者短路时,在一个开关周期内就能进行保护。因为,通常开关周期都是设计为微秒级,所以,称此保护为微秒级保护。具体的实施方法如图3所示,峰值电流控制信号连到PWM芯片L5991[1]的脚ISE,当脚ISE的电压大于1V时,L5991输出就为低电平,从而关断开关管。此保护在每个开关周期进行判断,因此,反应速度比较快,用以保护瞬间的过流。
图3 电流峰值保护及恒流保护电路
3.2 毫秒级保护
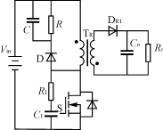
毫秒级保护是指PI环的恒流保护,它的保护时间一般在几十到几百个开关周期,这里就称它为毫秒级保护。由于取样电流峰值保护是单周保护,稳定性不是很好,只能对过渡过程的过流进行有效的保护。因此,针对较长时间的短路或过流,在这里采用PI环的恒流保护还是很有必要的。图3虚线框内为恒流保护电路,它利用峰值电流控制中的电流信号作为输入信号,通过一个由D1, R 1, C 1组成的峰值保持电路和由运放组成的PI环节得到一个误差信号,在变换器的输出电流超过限定值的时候,该误差信号就会控制PWM芯片的占空比,从而使输出电流保持在限定值。由于D2存在,当输出电流低于限流值时,该部分电路对占空比的控制不起作用。
3.3 秒级保护
秒级保护是指电路中的自恢复保险丝保护(自恢复保险丝的保护时间在几秒以上),如图1所示。当电路处于上述的恒流保护,如果时间过长会使装置过热,若按照过流保护来做热设计会增加装置的成本。因此,对于长时间(几秒以上)的短路或过流,需要用保险丝进行保护。本装置中采用的是自恢复保险丝,当负载恢复正常时,自恢复保险丝也能恢复到正常导通状态。采用自恢复保险丝的另外一个原因是装置要求的每路负载独立保护,当一路过流保护时,该路的自恢复保险丝断开,其他几路还能正常工作。5V那一路没加自恢复保险丝是考虑到它本身就只有一路负载,可以通过微秒级和毫秒级实现保护,另外由于5V输出电压比较小,加上自恢复保险丝会影响其输出调整率。
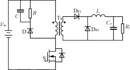
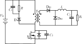
4 RCD/RC双重吸收
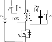
反激变换器由于变压器漏感的存在,当开关管关断时,开关管的D-S两端会产生比较高的电压尖峰。这个电压尖峰增大了开关管的电压应力,同时又会产生电磁干扰,因此,必须采用吸收电路加以抑制。RCD吸收电路由于简洁且易实现,在小功率场合是比较常用的。RCD吸收反激变换器如图4所示。从图6中可以看到,加RCD吸收电路以后,开关管D-S两端的电压尖峰大大地减少了,但是,同时也产生了新的更高频率的振荡,究其原因是变压器原边漏感与二极管的结电容谐振引起的。从电磁兼容考虑该振荡必须加以抑制。改变 R , C ,D的参数对新的振荡的影响并不大,因此,需要附加其它电路来抑制,在开关管D-S两端加上RC吸收电路在实验中取得了比较理想的效果。图5即为RCD/RC双重吸收电路,图7所示的是RCD吸收反激变换器和RCD/RC双重吸收反激变换器开关管 V ds的实验波形。
图4 RCD吸收电路 [p]
图 5RCD/RC双重吸收电路
(a) Without snubber (b) RCD snubber
图6 加RCD吸收电路前后 v ds的实验波形
(a) RCD snubber (b)RCD/RC snubber
图7 加RCD吸收电路及RCD/RC双重吸收电路后 v ds的实验波形
5 谐振RCD复位
正激变换器有很多种复位方式:谐振复位;第三绕组复位;RCD复位;有源钳位等。这里介绍一种低成本折衷的方案:谐振RCD复位。
如图8(a)所示,谐振复位正激变换器是在主开关S上并联了一只电容 C ,通过电容 C 和变压器激磁电感 L m谐振产生一个正弦波对变压器复位。图8(b)是谐振复位正激变换器的主要工作波形,其中 V T是变压器上的电压, iL m是变压器的激磁电流。这些波形考虑到变压器漏感的存在,并且是在重载下的波形。若不考虑漏感或是负载电流为零的情况下,谐振复位电压应该是一个正弦波。开关管关断瞬间,变压器上有一个电压尖峰,那是由于漏感 L s中贮存的能量向谐振电容 C 转移而引起的,即为变压器漏感和电容 C 的谐振。该谐振周期要远小于激磁电感和电容 C 的谐振周期。
(a) 谐振复位正激变换器
(b) 谐振复位正激变换器工作波形
图8 谐振复位正激变换电路及工作波形 [p]
图9(a)所示的是RCD复位正激变换器,即在变压器上并联了一个由二极管D,电容 C ,电阻 R 组成的环节,在开关S关断时由激磁电感和漏感的感应电势使二极管D导通,由电容 C 上的电压对变压器复位。图9(b)是RCD复位正激变换器的主要工作波形。电容 C 两端电压在一个开关周期内近似为直流电压,则RCD复位电压是一个方波。同样在开关管关断瞬间,变压器上有一个电压尖峰,是由变压器漏感与开关管结电容谐振引起的。
(a) RCD复位正激变换器
(b) RCD复位正激变换器工作波形
图9 RCD复位正激变换器电路及工作波形
谐振复位和RCD复位都有其各自的优缺点,而且,两种复位方式的优缺点基本上是互补的。
1)根据伏秒平衡原理, V T一个周期内平均值要等于零。谐振复位的复位电压是正弦波,因此复位电压的平台相对比较高,即开关管S的 V DS电压平台比较高,而RCD复位的复位电压是方波,所以复位电压的平台相对比较低,也即开关管S的 V DS电压平台比较低。
2)谐振复位正激变换器变压器上的电压尖峰(最终反映到 v DS的电压尖峰)是由变压器漏感 L S与电容 C 谐振造成的,而RCD复位正激变换器变压器上的电压尖峰是由变压器漏感 L S与开关管S的结电容谐振造成的。由于电容 C 的容量远远大于开关管S的结电容,谐振复位电压尖峰的谐振周期要远大于RCD复位电压尖峰的谐振周期,因此,在变压器漏感 L S上的负载电流能量一定的情况下,谐振复位的电压尖峰幅度要比RCD复位的电压尖峰幅度低得多。从另一个角度理解,可以认为谐振复位正激变换器在开关管D-S间并联的电容 C 起到了吸收电压尖峰的作用。
3)RCD复位正激变换器的激磁能量和漏感能量全部消耗在电阻
R
上,而谐振复位正激变换器的激磁能量和漏感能量基本上没有消耗,见图8(b)。但是由于谐振复位正激变换器在开关导通之前,电容
C
两端的电压为
V
in,因此有
CV
in2的能量消耗在开关管开通过程中。
4)从图8(b)及图9(b) iL m波形可以看到,谐振复位正激变换器变压器磁偏比较小,而RCD复位正激变换器变压器磁偏较大。
以上分析可以得知,两种复位方式的正激变换器都有各自的优点,但缺点也比较明显,在某些时候设计起来有较大的瓶颈。这就不难想到将两种复位方式结合起来,来软化它们各自的缺点,同时还能带来新的优点,即谐振RCD复位正激变换器。
图10(a)所示的即为谐振RCD复位正激变换器,可以看到在线路上它就是谐振复位正激变换器和RCD复位正激变换器的结合。图10(b)是谐振RCD复位正激变换器的主要工作波形。谐振RCD复位正激变换器在一个周期内可以分为5个阶段。
(a) 谐振RCD复位正激变换器
(b) 谐振复位RCD正激变换器工作波形
图10 谐振RCD复位正激变换器电路及工作波形 [p]
(1)阶段1〔 t 0~ t 1〕 t 0时刻主开关S开通,变压器上承受输入电压,激磁电流线形上升。副边二极管DR1导通。
(2)阶段2〔 t 1~ t 2〕 t 1时刻S关断,首先发生的是谐振复位,漏感上的贮存能量向电容 C 2转移,产生一个电压尖峰(这是漏感和电容 C 2的谐振)。然后激磁电感和漏感加在一起和电容 C 2谐振。因变压器上电压为下正上负,所以副边整流二极管DR1截止,续流二极管DR2导通。
(3)阶段3〔 t 2~ t 3〕 当复位电压谐振到超过 C 1上的电压,二极管D就导通,激磁电流流向电容 C 1。成为RCD复位的状态。此时激磁电流线性下降。这也保证了复位电压不会过高,从而使得开关管的电压应力得到控制。当激磁电流下降到零,该状态结束。
(4)阶段4〔 t 3~ t 4〕 激磁电流下降到零之后,二极管D就截止。但是, C 2上的能量又会回馈给激磁电感,也就是说,此时是 C 2和激磁电感发生谐振。 C 2上电压下降,激磁电流反向增加。直到 C 2上电压下降到与输入电压相等,也就是变压器上电压下降到零,该状态结束。
(5)阶段5〔 t 4~ t 5〕 变压器上电压只要出现一个微小的上正下负的值,副边二极管DR1就导通,激磁电流流过DR1。但是该电流不足以提供负载电流,所以,续流管DR2也继续保持导通,提供不足部分的负载电流。同时DR1和DR2共同导通也保证了变压器上电压为零,激磁电流保持不变。该状态一直保持到开关管S的再次导通。
谐振RCD复位正激变换器谐振电容 C 2的取值应该小于谐振复位正激变换器的谐振电容 C ,这样在谐振复位阶段(阶段2和阶段4)复位电压的上升和下降比较快,所以在同是 t 2时间内完成复位的情况下,谐振RCD复位正激变换器的平台电压要比谐振复位低,接近RCD复位正激变换器的平台电压。由于 C 2小于 C ,但比开关管的结电容还是大很多,因此谐振RCD复位正激变换器变压器的电压尖峰比谐振复位的略大,而比RCD复位的小很多。从以上分析得到,谐振RCD复位正激变换器变压器的电压平台及尖峰都较低,因此,开关应力较低。而在激磁能量损耗(有部分的激磁能量回馈),开关损耗( C 2< C ),变压器磁偏(见各种复位方式的激磁电流波形)方面,谐振RCD复位正激变换器是谐振复位正激变换器和RCD复位正激变换器的折衷。
6 饱和电感的应用
由于该电源装置是低压大电流输入和输出,所以,二极管上的反向恢复问题相当严重,尤其是正激变换器的续流二极管DR2。图11(a)是正激变换器的DR2上的电压波形,可以看到有很高的电压尖峰。这不仅增加了损耗,抬高了所需器件的额定电压值,而且对于电磁兼容也是非常不利的。采用饱和电感和二极管串联,如图11(b)所示,可以大大削弱二极管的反向恢复,同时又不会增加很多损耗。加了饱和电感后,二极管DR2上电压波形如图11(b)所示。可以看到加了饱和电感后,DR2上的电压尖峰从将近160V降到了80V。
(a) 不加饱和电感 (b) 加饱和电感
图11 加饱和电感前后DR2两端的电压波形
7 结语
本文阐述了要求非常高的军用车载电源的设计及实验过程中的一些特殊问题的解决措施,也提出了一些新颖的观点。这些观点对以后的开关电源设计有一定的借鉴作用。
射频工程师养成培训教程套装,助您快速成为一名优秀射频工程师...

