- 易迪拓培训,专注于微波、射频、天线设计工程师的培养
WB121高速宽带跟踪型电量隔离传感器原理及其应用
WB121高速宽带跟踪型电量隔离传感器原理及其应用
在各种自动检测、控制系统中,常常需要对高速变化的交直流电流、电压信号作跟踪采集,对比较复杂的波形作频谱分析。这类信号可能是高压、大电流等强电,也可能是负载能力很差的弱电,或是幅值很小的信号。它们的一个共同特点是不宜直接与计算机类的系统相接,怕计算机干扰它,或是怕它干扰计算机,或是因信号太强、太弱,难于与计算机匹配。WB121高速宽带跟踪型电量隔离传感器正是针对用户的这种需求而设计的。本文将对该产品的性能及应用范围作概略介绍。
WB121高速宽带跟踪型电量隔离传感器采用线性光电隔离原理,对电网或电路中的交流、直流或交直流混合的电流、电压信号进行实时测量,经隔离转换成跟踪输入信号的、有一定驱动能力的、标准的输出电压信号。WB121具有交直流通用、高精度、高隔离、宽频响、快响应时间、低漂移、低功耗、宽温度范围等特点;能直接与计算机、可编程控制器或其他数据采集器连接,用于各种快速反应波形的隔离跟踪测量;特别是可以在模拟量的高速数据采集系统、变频调速设备、可控硅控制设备及其他电气设备中用作跟踪测量。
工作原理
WB121电量隔离传感器主要分为两类,即WBV121电压隔离传感器和WBI121电流隔离传感器。二者的工作原理,除输入电路略有不同外,其他都相同,原理框图如图1所示。输入电压Vin(或电流Iin)信号送至输入电路,后者将信号转换成某种标准电压,并赋予较强的驱动能力;光电隔离电路实现输入信号的线性变换及隔离处理;输出电路将信号进一步放大,同时实现整个传感器的量程调节,输出是跟踪输入信号、具有较强的驱动能力的标准化电压,方便用户使用。传感器内部还配备了DC/DC转换器,从辅助电源+E提取能量,供输入电路使用。
主要技术指标
输入规格:输入电压0~50mV到0~1000V;输入电流0~1mA到0~5A;如外接分流器,输入电流可高达上千安培。
输出电压:0~3.5V, 0~5V, 0~10V;
精度等级:0.2级;
温度漂移:150×10-6/℃;
线性范围:0~120%标称输入;
频率响应:DC~30kHz,最高可达100kHz;
响应时间:15μs,最低可达4μs;
输入阻抗:Ri=Vi×10kΩ/V,当Vx>1V时;Ri>1MΩ,当Vx≤1V时;也可在整个输入范围实现高阻输入;
过载能力:10倍标称输入值,持续5s;特制品也可承受长期输入过载;
负载能力:5mA DC;
辅助电源:±12V;
静态功耗:400mW;
隔离耐压:>1.5kV DC,1分钟;
输出纹波:<5mV AC ;
环境温度:0~+50℃;
外型尺寸:S型:99(宽)×63(高)×24(深)mm;E型:59(宽)×46(高)×21(深)mm;D型:32(宽)×23(高)×29(深)mm。
典型频率特性
作为跟踪型传感器,其最重要的性能就是对输入信号的快速响应,有很宽的通频带。
WB121典型特性如表1所示。其中方案3为标准型,方案1、方案2为特制型。其输出幅频特性和相频特性如图2、图3所示。图中,输入为正弦波,Vgi为跟踪电压输出有效值,Di为输出电压正弦波滞后输入电压正弦波的角度。Vgi0为输入50Hz信号时的输出电压有效值。Vg1、D1,Vg2、D2及Vg3、D3分别对应方案1、2及3。注意,为方便用户在较低频率下的应用,两图中横坐标标尺是不均匀的。
其中响应时间是输入直流阶跃信号,输出电压达到满度输出值的90%时的延迟时间。
输出纹波是当输入电压为0时,输出噪声电压有效值与满度输出电压有效值之比。
表1
| 方案 | 响应时间 | 频带(3dB) | 输出纹波 |
| 3(标准) | 15μs | 15kHz | 0.05% |
| 2(特制) | 8μs | 50kHz | 0.1% |
| 1(特制) | 4μs | 100kHz | 0.1% |
图2 WB121传感器幅频特性曲线 图3 WB121传感器相频特性曲线
从图2和图3可见,在很宽的频率范围内,输出电压的幅度及相位都有很平坦的特性。这为用户进一步分析信号波形提供了方便。
应用简介
WB121高速宽带跟踪型电量隔离传感器可以实时、准确地跟踪测量任意波形的电流、电压信号,将其隔离后输出具
有标准值的电压信号。传感器可用于晶闸管输出的已严重失真的正弦波信号检测,经脉宽调制处理的PWM波检测,电力系统畸变波形检测,功率设备中的高速闭环反馈控制等。传感器实现了输入信号和输出信号的电隔离,其隔离绝缘电压达1.5kV以上。因此,输出信号与后续设备可直接连接。通常,后续设备可以是巡回检测装置、计算机控制系统、可编程控制器(PLC)及各种电力、电子控制设备等。
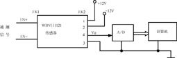
WB121的典型应用如图4所示。传感器与后续设备靠近,输出端可接至设备的高速A/D等电路,信号由计算机等控制采样、处理。
传感器典型的传递函数可近似表达为K=Vg/X,或Vg=K·X
这里X表示输入电量,可以是交流、直流或交直流混合的电流、电压信号。Vg是有标准输出量程的电压量。一般地,K是一个与用户要求有关的正常数,即输出紧紧跟踪输入电量的变化。当输入信号频率高时,K不可再简化为一个常数,而与输入频率有关,如图2、图3所示。
灵活应用
实现公式Vg=-K·X
这里K为正常数,即输出量与输入量正好反向。这只要将输入信号的两端反接即可。
实现公式Vg=K·X+A
这里K、A为正常数,即输出量为在K·X的基础上再向上平移A大小的电压。例如,可将双向直流电量转换成单向直流电压;将交流电量转换成同样波形的直流电压。有的A/D转换器仅允许单向输入电压信号,这种变换有利于直接与A/D转换器相连。A值一般由用户提出,生产厂实现。
实现公式Vg=-K·X+A
这里K、A为正常数,即输出量为在-K·X的基础上再向上平移A大小的电压。举例,有个用户提出这样的要求:输入电压X变化范围是0~10V,要求输出对应电压是5~0V。从上式可见,只需取K=0.5和A=5V即可。
灵活运用方式还有一些,不再细述。一般地,上述公式中的参数K、A,由用户提出,生产厂调校。如果用户需要临时对K、A作一些微调,也可打开传感器上的窗口,按使用说明书要求调整。
射频工程师养成培训教程套装,助您快速成为一名优秀射频工程师...

