- 易迪拓培训,专注于微波、射频、天线设计工程师的培养
电源设计 自己掌控
电源设计过程是一项极为艰难的工作,从对复杂电路的理解到寻求芯片经销商的帮助,没有一件是轻松容易的事情。这篇文章将告诉您如何利用现有工具快速地设计出您自己的电源,无需求助于芯片制造厂商—也无需向谁请教。利用现有的一些软件和硬件工具,完成这项具有挑战性的工作已不再像以前那么困难了。您的电源电路设计现在已经在您的手里了。
比如,我们现在就从设计一个降压 DC/DC 电路开始。这种电路的典型例子便是使用 TPS54331,它是一款 Eco-mode™ 的 3A、28V 输入、降压 Swift™ DC/DC 转换器。这种转换器是一个集成了低 RDS(on) 高端 MOSFET 的 28-V、3-A 非同步降压转换器。为了提高轻载状态下的效率,跳脉冲节能模式功能自动启用。电阻分压器对输入欠压保护迟滞进行设置。
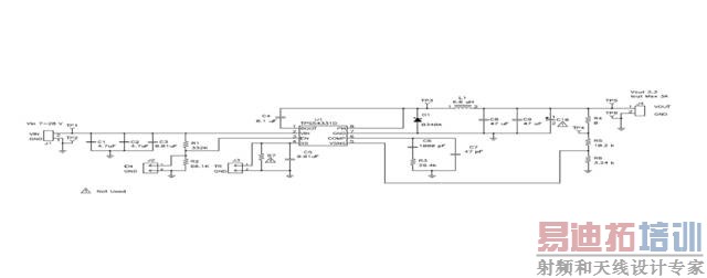
制造商对这款产品提供了大量的技术支持。TPS54331 [1 ]的产品说明书提供了器件信息资料,例如:典型器件特性、产品的详细描述以及电路设计指导等。除详细的产品产品说明书以外,还提供有一个评估模块[2]。该模块为您提供了一个硬件平台(图 1),通过它您可以在最终电路设计阶段对您的电路(图 2)进行测量和修改。

图 1 TPS54331 评估板布局

图 2 TSP54331 评估板布局
但是,在您选定最终 DC/DC 转换器电路以前,您可能会考虑需要一款像 TI SwitcherPro™ 软件这样的工具。经销商会告诉您在哪里获得这种软件[3]。SwitcherPro 电源设计软件同时有在线版和桌面版,让您能够使用 TI 的产品进行电源设计。通过 SwitcherPro 电源设计软件,您可以利用 EVM 参考设计,作为您开始进行定制电源设计的起点。由于无需连接互联网,桌面版应用程序赋予电源设计更多的灵活性。现在,您可以按照自己的步骤开始电源设计了!
SwitcherPro 软件为您提供电源设计的电路图和布局建议。一旦您运行了软件,您便会注意到窗口左侧的 EVM 设计选项。例如,您会在给出的列表中找到 TPS54331 EVM。图 3 显示了 DC/DC 转换器 TPS54331 的 SwitcherPro 布局建议。图 1 和图 3 所示布局都经过了测试和验证。

图 1 SwitcherPro 软件给出的 TPS54331 布局
SwitcherPro 工具还为您提供了修改电路要求的机会,甚至可以修改示意图中的组件。通过复制 EVM 设计,然后选择编辑电路选项,便可以进行修改。这样一来,您就可以修改 DC/DC 转换器的输入最小值和最大值,也可以修改输出电压和电流要求。软件还具有一般分析、应力分析、效率分析和回路分析功能,方便您评估电路。
为了完成设计,您需要返回到您的评估模块,按照 SwitcherPro 的建议修改各项值,然后对您的新电路进行测试和验证。最后,如果您是在线工作,便可以轻松地同其它人分享您的设计。

图 2 SwitcherPro 软件给出的 TSP54331 电路
您现在一定可以说:“我能自己进行这种电源设计了!”,的确,经销商会告诉您如何获得正确的软件工具。这样,您的电源设计就在您自己的掌控之下了。
参考文献
1、“具有Eco-mode™ (Rev. C) 的 3A 28V 输入降压 SWIFT™ DC/DC 转换器), SLVS839C, TI,2010 年3 月
2、TPS54331EVM-232 3-A, SWIFT™ 稳压器评估板,” SLVU247,TI,2008 年 7 月。
3、SwitcherProTM 开关电源设计工具,网址:www.ti.com/switcherpro-ca。
作者简介
Bonnie C. Baker 现任 TI 高级应用工程师,如欲联系作者,请发送邮件至ti_bonniebaker@list.ti.com。
射频工程师养成培训教程套装,助您快速成为一名优秀射频工程师...
天线设计工程师培训课程套装,资深专家授课,让天线设计不再难...
上一篇:S-8330在液晶显示技术中的应用
下一篇:W-CDMA收发器的功率管理技术简介

