- 易迪拓培训,专注于微波、射频、天线设计工程师的培养
电动旅游车用开关电源设计
1 引言
电动旅游车的动力来源主要是电机,而电机的控制系统和驱动系统都需要稳定的电源供电才能正常工作,为了提供稳定的工作电源输入,设计一种多路输出的开关电源就显得十分必要。文中所述的电动旅游车电机为5.5KW异步电机,主开关驱动模块为IPM。
反激变换器具有电路结构简单、输入输出电气隔离、电压调节范围宽、易于多路输出等特点,因而适合于电力电子设备内的辅助开关电源。本文所设计的开关电源系统是一种小型车载电源,通过蓄电池供电,为电动车内的主控制系统和驱动系统提供所需的工作电源,此电源具有多组隔离输出、结构简单、性能可靠、成本低廉等特点。
开关电源的控制电路可分为电压控制型和电流控制型,前者是一个单闭环电压控制系统,系统响应慢,很难达到较高的电压调整率;后者是一个电压、电流双闭环控制系统,较电压控制型有不可比拟的优点。因此,本文所设计的电源选择了UC3843电流型控制器作为隔离开关稳压电源的核心。
2 UC3843介绍
UC3843是单端隔离式电流控制型DC/DC脉宽调制器,可直接驱动MOSFET和双极功率管,它采用恒定频率方式,其内部原理方框图如图1所示。它有一个振荡器,振荡频率最高可达500kHz,有+5VR的基准电压Vref;有一个增益高达90dB的误差放大器;启动电流低(<1mA);对输入电压Vcc有滞后欠压保护;对+5VR基准电压也有滞后欠压保护;有每一个周期的电流限制锁存器。该电流型脉宽调制器有体积小、成本低、外围组件少、电路简单、可靠性高、故障率低等优点。各引脚功能如下:
脚1为补偿端子,外接RC网络可补偿误差放大器的频率响应;
脚2是电压反馈端,取样电压加在误差放大器的反相输入端。与2.5 V的基准电压进行比较,产生误差电压;
脚3为电流检测输入端,外接检测电阻。可构成过流保护电路,当脚3电压等于或高于1 V时,电流检测比较器输出高电平,复位PWM锁存器。从而关闭输出脉冲,达到限流保护的目的。因此,被检测的峰值电流为
(1)
式中: 为功率开关管的电流检测电阻。在本设计方案中Rs选择0.5Ω;
脚4外接定时电阻和电容,用以确定振荡器的工作频率;
脚5为接地端;
脚6为输出端,采用图腾式输出,输出平均电流为200mA,最大电流为1A;
脚7是其电源端,芯片工作的开启电压为8.5V,欠压锁定电压为7.6V,0.9V的启动与关闭差值可有效地防止电路在门限值电压附近时产生振荡;
脚8是其内部基准电压(5V)。

图1 UC3843代表性原理方框图
[p]
UC3843脉宽调制器是将开关变压器初级绕组中电流的变化进行电流取样,将变化的电流转换成变化的电压,再用负反馈的方式来控制脉冲宽度的变化,最后给电流检测比较器输入。电流检测比较器的另一个输入端是误差放大器输出的信号,电流信号与电压信号进行比较,共同来控制占空比的变化,从而抑制了输出电压的变化,使输出电压稳定。这样在电路上既有电流负反馈控制环节,又有电压负反馈控制环节,使开关稳压电源的电压稳定性有很大的提高。
3 系统电路设计与原理
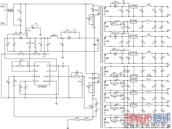
本文设计的多路隔离输出反激式变换器,输入为144V汽车用电池,输出为1路+5V/0.5A用于继电器供电,1路+5V/1A用于DSP等芯片的供电,1路+15V/0.5A用于光电编码器,1路±15V/1A用于A/D采集,4路隔离+15V/0.3A用于IPM驱动供电。设计原理图如图2所示。

图2 开关电源原理图
3.1 电源电路的工作原理
如图2所示,直流电压经L12共模抑制及电容C54、C55 滤波后提供系统工作电压。此工作电压经R1给C1充电,由于UC3843的启动电压为8.5V,当C1电压充至8.5V时,UC3843实现软起动,芯片6脚有信号输出,使开关管Q1开通,能量得以在变压器原边储存,副边有能量输出。启动过程完成后,UC3843的正常工作电压由副边馈电绕组上的高频电压经整流滤波后提供。同时,此电压也作为电压反馈信号,经RV1、R13、R2分压后送到电压比较器的反相输入端(脚2)与UC3843内部的2.5V基准电压作比较来调整驱动脉冲宽度,从而改变输出电压以实现对输出的控制,其中RV1为可调电阻。R15、C12、D4和R29、C80、D17分别作为两个变压器的缓冲回路,以吸收原边漏感所产生的尖峰,以防止功率器件的损坏。R4、C4构成滤波器以滤去由R18、R30检测的电流中可能会有的毛刺,防止电流比较器的误动作。
3.2 工作频率设定
UC3843的频率由(2)式设定,即:
(2)
式中:
为脚4与脚8问电阻,
为脚4接地电容。
UC3843的工作频率很宽,最高工作频率为500kHz。本设计中,取:R5=
=6.8KΩ,C5=
=0.0033μF;则 [p]
=80KHz。
3.3 变压器的设计
电动汽车中电机专用的开关电源是一个具有多路输出的直流电源,由高频变压器多个副边绕组经整流滤波后获得,开关电源的性能在很大程度上决定于变压器的设计。
3.3.1 计算原边电感量
首先确定输出功率,设定工作的占空比为0.5。在确定工作频率的基础上可得输出功率为
:
(3)
式中:
为变压器原边电感值;
为原边电感电流峰值。
变换器工作在断续状态模式,则有
(4)
式中:
为开通时间,
为最大占空比,
为原边输入电压值。
由式(3)和(4)可得:
(5)
式中:
=30W,
=0.5,
=144V,代入式(5)得:
=0.83A。
原边电感值为:
(6)
则
=1.08mH
3.3.2 变压器磁心及气隙 [p]
本设计中变压器磁心选用铁氧体EE33磁心,所需气隙长度可由下式计算:
(7)
式中:
为磁心有效截面积;
,
为磁心材料饱和磁通密度,查表的饱和磁通密度
=3840GS,则
GS。
磁心有效截面积
代入上式计算得
:
3.3.3 绕组匝数的确定
原边绕组计算公式为:
(8)
代入各量得
匝。双变压器原边绕组
=
匝。
副边绕组计算公式为:
(9)
式中:
=1V为整流二极管正向压降。
以5V输出为例,代入上式得:
匝,取2匝。由此可得其他绕组匝数,电压反馈供电回路
=6匝,5V输出
=
=2匝,15V输出 [p]
=6匝,±15V输出
=
=6匝,四路隔离15V输出
6匝。
4 实验结果
实验波形如图3所示,通道1所测量波形为UC3843的6脚输出MOSFET的驱动波形,通道2所测量波形为MOSFET的电压波形。

图3 MOSFET驱动波形与波形
此开关电源在电机正常运行负载下各路输出及效率如表1所示。

表1 实际测得输出数据表
实验得到的测试值与理论值基本符合,实验证明了设计电路达到了预定的性能指标。
4 结语
本文提供了一种用于电动旅游车中电机控制系统供电电源的设计思路,由多路输出反激变换器为旅游车内各个设备提供所需的电源,介绍了UC3843的工作原理以及系统电路的设计原则。试验结果显示,此开关电源作为5.5KW异步电机控制系统供电电源,符合设计标准,已在本电动旅游车课题中得到实际应用,运行稳定可靠。
参考文献
[1] Abraham Pressman(美)著,王志强译. 开关电源设计(第二版)[M].北京:电子工业出版社,2005.
[2] 张占松,蔡宣三. 开关电源的原理与设计(修订版)[M]. 北京:电子工业出版社. 2004
[3] 刘胜利. 现代高频开关电源实用技术[M]. 北京:电子工业出版社. 2001.
[4] 王正.UC3843控制多路输出开关电源设计与实现.航空计算技术,2004,34(2):88-90.
射频工程师养成培训教程套装,助您快速成为一名优秀射频工程师...
天线设计工程师培训课程套装,资深专家授课,让天线设计不再难...
上一篇:基于ATMEGA
16的开关电源设计与制作
下一篇:彩色液晶显示系统的设计(
)

