- 易迪拓培训,专注于微波、射频、天线设计工程师的培养
笔记本电脑用LED背光组件的设计
随着LED 技术的发展,特别是发光效率的提高,节能、环保的LED 产品在显示领域的应用已越来越广泛。LED 封装、SMT 贴片、发光条制作均发展到较高水平,LED 背光制造和产业化水平也达到了相当高的水准。目前小尺寸产品市场需求大约以每年20% 的水平剧增,LED 背光在笔记本电脑上的应用已独领风骚,CCFL 背光在笔记本电脑上的应用将逐渐退出历史的舞台。目前全球大厂都在积极发展LED 背光产品,目前市场的主流笔记本电脑几乎全部采用LED 背光技术。
本文介绍了笔记本电脑用LED 背光组件的设计开发,分别从光学、电路、结构角度阐述了开发的过程。光学方面,采用STAMPER 技术,一体成型射出导光板,减少印刷环节,无印刷污染;电路方面,根据LED 的规格及颗数设计LED 发光条,驱动整个背光源;结构方面,采用无背板的结构设计,达到超薄效果。本文设计的笔记本电脑用LED 背光源超薄、高亮、低功耗,达业界领先水平。
1 光学设计
1.1 LED 光源
背光模组的作用是把点光源发出的光通过漫反射使之成为面光源。为了得到合格的面光源,首先要选择合适的LED,通常应用到笔记本电脑背光组件的LED 的规格为3014.通过预设白场光度指标,结合对液晶屏、光学膜等影响因素的研究分析,完成对整个背光源所需光通量的计算。根据计算的光通量,结合LED 的光学特性计算出所需LED 的颗数。
1.2 LGP 设计加工
采用STAMPER 技术,一体成型射出导光板,减少印刷环节,较少印刷污染。以模具射出形成网点,入射面设计能破坏光源的全反射,并控制光源射出导光板面角度的分布,网点数量的多少对光源做有效的控制。网点可随模具任意设计形状,若网点为极小的平滑镜面,可使光在网点及导光板内部的损失减至最小,应用光学设计软件进行网点设计。图1 所示为模拟的背光组件的亮度均一性。

2 电路设计
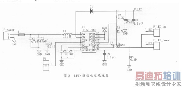
在侧光式背光组件中, 应用长条式的LEDlight- bar 作为整个组件的光源,LED light- bar 采用白光顶发光LED.以某机种产品为例,单颗功耗:3.2V×0.02A=0.064W.整个light- bar 功耗:0.064W×42=2.69W.LED 背光源电路设计主要包括发光条设计和驱动控制电路设计,驱动电路采用一款DC/DC 恒流驱动芯片,对发光条进行恒流驱动。图2 所示为LED light- bar 的驱动原理图。

3 结构设计
笔记本电脑用LED 背光组件通常采用侧光式结构,背光组件结构包括:LED 发光条、膜材、导光板、驱动板、胶框。背光组件采用白光LED,整个结构设计以Active Area 的中心点为所有部件的设计中心,以笔记本电脑所用液晶屏的尺寸为前提,设计其它尺寸。综合考虑电路设计及光学设计的要求,对结构进行设计。结构设计先从LAYOUT 布局图着手,表达整体机构以及各部件相互之间的装配关系,然后着手零件图结构设计。某机种背光源产品厚度可达2.35mm。所设计的笔记本电脑用LED 背光源的结构特点:
(1) 背光源单短边入光,入光方式为短边入光,发光条尺寸减小,成本降低;
(2) 使用薄型平板LGP,对LGP 网点技术要求较高;
(3) 胶框结构,无背板,无灯罩结构,采用高反射率反射片遮光,使用铝箔散热;
(4) 组装时对LED 发光面和LGP 入光部对位要求较高。

图3 背光源剖视图
4 测试
本文所设计的笔记本电脑用LED 背光组件光源采用白光LED,组装后的LED 背光源利用BM- 7 进行13 点测试,5 点平均辉度为4,019nit ,亮度均齐性为85.33% ,色彩还原性达到95% @CIE 1976.背光源整体功率为3.2W,其中LED 功耗为2.69W.背光系统的驱动电路简单,电流一致性良好。表1 所示为背光源的光学测试数据。

表1 LED 背光源的光学测试数据
5 结论
本文设计开发了笔记本电脑用LED 背光源,采用STAMPER 技术,一体成型射出导光板,减少印刷环节,较少印刷污染;根据LED 的规格及颗数设计LED 发光条,驱动整个背光源;结构方面,采用无背板的结构设计,达到超薄效果。本文设计的笔记本用LED 背光组件超薄、高亮、低功耗,达业界领先水平。
射频工程师养成培训教程套装,助您快速成为一名优秀射频工程师...

