• 易迪拓培训,专注于微波、射频、天线设计工程师的培养
首页 > 电子设计 > 电源技术 > DCDC开关电源 > B0505LM-1W应用电路

B0505LM-1W应用电路

录入:edatop.com    点击:

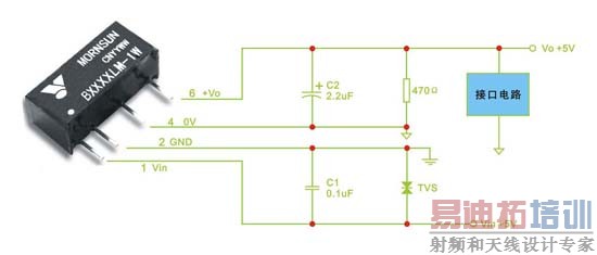
MORNSUN新出品的B0505LM-1W系列产品可以更好地应用在此方案中,这款隔离1000VDC的超小型、高可靠性的DC/DC转换器,其输入电压为5V,输出电压为5V,功率为1W,图1为该产品的一种典型应用电路。由于实现输入与输出之间1000VDC的隔离,且输出短路时间可持续1s,从而能很好的抵御高频瞬态突波的干扰。
 

B0505LM-1W 典型应用电路
  图1 B0505LM-1W 典型应用电路  

  MORNSUN通过对其工艺的改进,使产品的可靠性能更加优越。同时在供应商选择、来料的质量控制方面由品质工程师严格管控。内部灌封材料采用美国树脂,热膨胀系数与内部基板及外壳达到很好的配合,以提高产品的可靠性,为产品的品质提供保障。

  B0505LM-1W能在-40~+85℃温度范围内正常工作。MTBF由现有产品的100万小时,提高到350万小时以上。产品在抗振动和冲击性能方面满足IEC61373标准,适用于工业振动和冲击场合。同时已实现无铅生产制程,满足RoHS的各项指令。

  B0505LM-1W产品的体积为:16.5*5.9*7.5MM。这款高可靠性的DC/DC转换器比上一代产品长度缩短1/7,体积缩小了40%。该产品以体积小,重量轻,抗倒扶能力强,更好地满足了适用领域内对体积、重量、便携性等方面更严格的要求。此产品适用于小电流隔离和DC电压变换,如智能仪器仪表、工控控制电路、总线、电力监控系统等领域。

射频工程师养成培训教程套装,助您快速成为一名优秀射频工程师...

天线设计工程师培训课程套装,资深专家授课,让天线设计不再难...

上一篇:开关电源峰值电流模式次谐波振荡研究
下一篇:基于16位单片机MC9S12DG128的智能车 控制系统设计与实现

射频和天线工程师培训课程详情>>

  网站地图