- 易迪拓培训,专注于微波、射频、天线设计工程师的培养
PCB Matrix公司的 IPC-7351 LP软件简介
PCB Matrix公司与IPC合作一起创建了IPC-7351 PCB脚位标准。PCB Matrix的LP Wizard脚位图案制作软件在2007年DesignCon上被授予设计远见奖(DesignVision Award)。其新近发行的Symbol Wizard添加了通过使用先进的零件网络搜索而达到自动产生客制电路图符号模型,并将其链接到更广博精深内容的功能。本文我们就将对PCB Matrix公司的这款IPC-7351 LP软件做简要介绍,包括它的组成和功能特点。
一、 软件组成
IPC-7351 LP软件是PCB Matrix公司基于IPC-7351标准的 PCB设计库的自动化生成EDA工具,包括LP浏览器、LP计算器、LP库、LP自动生成器。
LP浏览器可以快速浏览上千的电子元器件,快速查询找到一个匹配的元器件信息。LP浏览器实现了元器件名称、型号规格、尺寸、图形、图形名字以及和元器件制造商等详细信息,并可在互联网环境下实现网站的连接。
LP计算器从其他元器件数据可直接计算几何图形,可以很容易地在图形浏览器中检查器件和图形尺寸。
LP 库有完整的浏览器和计算器功能,加上允许你保存、备份和参考元器件数据来消除冗余的工作,可以与其他使用免费的LP浏览器或其他IPC-7351 LP的的人分享已保存数据。
LP 自动生成器拥有全面的LP浏览器、计算器和库功能。能实现计算和建立元件。输出选项可以创建适用于Expedition 、Protel、Cadence Allegro、Mentor Board Station、Altium Designer、OrCAD PCB Editor、 OrCAD Layout、 PADS Layout、CADSTAR, CR5000、Pantheon、 PADS、 PADS ASII、 PCAD和更多的电路设计软件EDA的PCB封装库文件。LP自动生成器能按照IPC-7351和IPC-7351A标准提供稳健的库文档和IPC-7351A LP浏览器。在工程师输入的数据后可以通过机构使用IPC-7351A浏览器按照项目管理与授权与其他工程师共享,能满足对库文档长期更新扩展的需求并提供良好的兼容性,能够实现批量修改,包括焊盘尺寸,丝印层中的外形尺寸等参数,能自定义设计规则,能实现批量输出符合要求的、可在EDA软件里直接调用的封装库文件。
二、 原理和特点
使用IPC-7351 LP计算器可以有效地节约建库时间,该焊盘图形计算器是基于IPC-7351A SMT焊盘图形标准,允许设计自己的焊盘图形,并且与免费库文档实现无缝兼容。
高级功能包括:
(1)器件图形与焊盘图形并列
(2)为制造和插装过程设置补偿变量
(3)根据操作环境或者用户自定义目标设计焊盘toe、heel、side。
(4)焊接分析计算
(5)对重叠焊盘进行DRC保护
(6)焊盘图形自动命名
IPC-7351 LP计算器允许改变生产误差来决定焊盘尺寸、布局外框误差、焊盘宽度分辨率、器件误差、焊盘图形名称以及焊接分析。也可以直接使用IPC缺省设置来保存库文档。
IPC-7351 LP计算器是改变建库方式的库维护工具,可以快速地定位、浏览、创建、确认库文件。
三、 软件使用
(1)SMD器件计算器
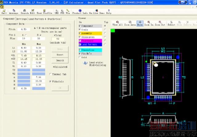
点击软件“SMD计算器”图标,进入SMD器件图形焊盘计算模式,在该模式下,列出了所有IPC-7351标准的SMD器件图形焊盘。

在实际制造器件的焊盘图形时,只要根据器件的实际类型进行选择就可以了。例如如果要制作一个QFP器件的焊盘图形,选择QFP就进入焊盘图形计算器。

首先根据器件的安装环境,设置环境变量,例如Toe、Heel、Side等参数。也可以选择IPC-7351标准中默认的Most、Nominal、Least等三种安装环境变量。

然后根据器件手册上的器件数据,例如Pin间距、Pin数、器件体尺寸、厚度、Pin跨距等参数,填入到相应的项目中,就可以自动得出器件的焊盘图形,并且该焊盘图形符合IPC-7351规范要求,这就保证的焊盘图形的完全正确,以及可以提高后续焊接的可靠性。同时焊盘图形还根据IPC-7351A规范自动命名。
然后使用向导,就可以导出不同软件工具格式的库文件了,并且自动根据软件工具的类型添加相应的焊盘图形层数。

下面图示为制作BGA焊盘图形的示例:
下图为BGA的器件资料。

下图为完成的BGA焊盘图形,完成只需要1分钟时间,并且保证正确。

(2)PTH计算器
点击软件“PTH计算器”图标,就进入PTH计算器模式,在该模式下可以自动计算通孔器件通孔焊盘尺寸。

在这里只要提供器件引脚的形状和尺寸,以及器件的安装环境,就可以自动得出通孔的尺寸,包括完成孔径、焊盘尺寸、阻焊尺寸、隔离焊盘、热焊盘尺寸等,并且自动命名。
四、 结束语
PCB Matrix IPC-7351 LP软件的这些工具在降低资源消耗的同时,快速、准确地设计出焊盘图形,显着地缩短了产品设计开发周期。是一款不可多得的好软件,希望广大PCB设计工作者能够参考借鉴,运用到实际工作中。
射频工程师养成培训教程套装,助您快速成为一名优秀射频工程师...
天线设计工程师培训课程套装,资深专家授课,让天线设计不再难...
上一篇:最小双向齐纳二极管简介
下一篇:EMC的三规律和三要素

