- 易迪拓培训,专注于微波、射频、天线设计工程师的培养
汽车零部件电磁兼容射频抗扰度测试方法概述
录入:edatop.com 点击:
摘要:整车级的抗扰度测试系统需要的投入很大,因此通常仅有整车生产厂商能够实现。为了研究、开发、品质控制,可以有一个实验室内的测试方法能够被所有车辆厂商和设备供应商用于电子部件的测试。
关键词:电磁兼容;电波暗室;电磁抗扰度
0 引言
随着汽车工业的飞速发展,汽车自动化程度日益提高,汽车上使用的电子装置越来越多,一般会占到一辆汽车总成本的30%以上,如此多的电子装置集中在一辆车上,车辆电磁兼容问题就显得举足轻重,既影响汽车电子零部件的可靠性,又影响汽车行驶的安全性能。因此,世界各国均十分重视汽车电子装置的电磁兼容性能,特别是电磁抗扰度方面。目前国际上常规的应用于汽车电子装置电磁抗扰度检测的方法有电波暗室法、横电磁波小室法、大电流注入法、带状线法等。各种方法都有不同的应用范围。
本文介绍的电波暗室法主要应用于频率范围在 80 MHz~18 GHz的射频抗扰度测试。
电波暗室法的优点在于,可以分析几乎所有的车用电子装置在80 MHz~18 GHz的射频频率范围内的抗扰度特性,并且是针对包括被测样品主件、线束、辅助装置等整个系统的分析。缺点是需要在一个符合要求的电磁环境中试验,要达到这样一个电磁环境就必须建造一个造价昂贵的电波暗室。
1 测试方法介绍
电波暗室法适用的频率范围是 80 MHz~18 GHz。测试严酷度等级以射频电磁场的场强为单位,按照不同产品的不同要求分为25 V/m、50 V/m、75 V/m、100 V/m以及200 V/m多个等级。电波暗室法是一种必须在电波暗室中完成的电磁兼容抗扰度测试方法。
电波暗室是为了提供一个隔离的电磁兼容测试场所,以模拟开阔场测试。一个电波暗室最基本的组成是一个在内部反射面上(除地板外)装有吸收电磁波的材料的屏蔽室,设计的目的是为了在测试区域使反射的能量至少比直接发射方向的能量降低。
电波暗室中的射频电磁场是由能产生不同等级射频信号的射频能量源通过射频发射天线产生的。一套天线、放大器、射频信号发生装置能够覆盖测试频率范围。场强测试仪可用于确定正确的测试电磁场场强。为了降低测试误差,被测件工作状态的监测通常用光电转换耦合装置完成,以避免电磁信号耦合到线缆从而影响到监测设备的正常工作。
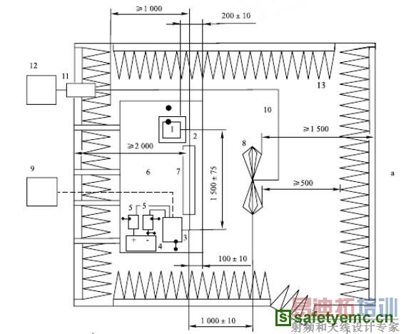
影响电波暗室法测试结果的关键就在于测试布置,包括接地板、被测件位置、测试线束布置、模拟负载布置以及天线的布置。
接地板材料是至少0.5 mm厚的铜板、黄铜板或者镀锌钢板;接地板的最小宽度是1000 mm。接地板的最小长度是2000 mm,或者被测件的长度加200 mm,两者取较大的。接地板应放置在距离地面900±100 mm的高度上。接地板应与屏蔽壳体相连,使直流接地电阻不超过2.5 mΩ。另外,接地带之间的间隔不大于0.3 m。
被测件的位置要求:被测件应放置在一低介电常数(εr≤1.4)的绝缘材料上,高于接地板50±5mm。除非是为了实际装车条件,被测件外壳不应与接地板连接,被测件的各个面应距离接地板边沿200±10mm。
测试线束布置规定: 测试线束平行与接地板前边沿的部分为1500±75 mm。被测件和模拟负载之间的测试线束的总长度不超过2000 mm。线束的类型由实际的系统和要求定义,测试线束应放置在一低介电常数(εr≤1.4)的绝缘材料上,高于接地板50±5 mm。测试线束平行与接地板前边沿的部分应为距离接地板边沿100±10 mm。
模拟负载布置情况:模拟负载适宜直接放置在接地板上。如果模拟负载有金属外壳,外壳应与接地板相连。模拟负载可以放置在接地板上,也可以放置在暗室外,提供的测试线束从被测件穿过墙体与接地板连接。当模拟负载放置在接地板上,负载的支流电源线应通过人工电源网络连接到电源。
天线的布置:天线的相位中心应在接地板以上100±10 mm的位置。天线的任何发射部件距离地板都不能少于250 mm。天线的任何发射部件距离任何吸波材料都不能少于500 mm,距离屏蔽壳体的墙或顶都不能少于1500 mm。线束和天线之间的距离应为1000±10 mm。
测试布置见图1。


图1 测试布置
总的干扰源和连接线束的布置等描绘出一个标准化的测试条件。被测件应设置在类似车上的典型的负载和其他条件下工作。
电波暗室法中的天线极化定义如下:从400 MHz~18 GHz,需测试水平极化。
从80 MHz~18 GHz,需测试垂直极化。
电波暗室法按照射频信号的监控参数可以分为替代法和场强校准法两种。其中替代法主要监控射频信号的功率,场强校准法主要监控射频电磁场场强。
2 小结
电波暗室法是一种应用较广的射频抗扰度测试方法,其测试结果的一致性也得到了公认。目前已经被各大整车厂商所采用,如:大众、通用、福特、标志、丰田、尼桑等都在各自的企业标准中定义了这种测试方法。在欧洲对车用电子装置的进口规范“欧洲汽车指令2004/104/EC”以及美国汽车协会SAE的规范中都采用了电波暗室法这种汽车零部件电磁兼容射频抗扰度测试方法。
参考文献:
[1] ISO/TC 22-Road Vehicles-Subcommittee SC3. ISO11452-1 Road
vehicles - Component test methods for electrical disturbances from narrowband radiated electromagnetic energy-Part 1 General Principles and terminology[S]. 2005.
[2] ISO/TC 22-Road Vehicles-Subcommittee SC3. ISO11452-2
Component test methods for electrical disturbances from narrowband radiated electromagnetic energy-Part 2 Absorber-lined shielded enclosure[S]. 2004.
关键词:电磁兼容;电波暗室;电磁抗扰度
0 引言
随着汽车工业的飞速发展,汽车自动化程度日益提高,汽车上使用的电子装置越来越多,一般会占到一辆汽车总成本的30%以上,如此多的电子装置集中在一辆车上,车辆电磁兼容问题就显得举足轻重,既影响汽车电子零部件的可靠性,又影响汽车行驶的安全性能。因此,世界各国均十分重视汽车电子装置的电磁兼容性能,特别是电磁抗扰度方面。目前国际上常规的应用于汽车电子装置电磁抗扰度检测的方法有电波暗室法、横电磁波小室法、大电流注入法、带状线法等。各种方法都有不同的应用范围。
本文介绍的电波暗室法主要应用于频率范围在 80 MHz~18 GHz的射频抗扰度测试。
电波暗室法的优点在于,可以分析几乎所有的车用电子装置在80 MHz~18 GHz的射频频率范围内的抗扰度特性,并且是针对包括被测样品主件、线束、辅助装置等整个系统的分析。缺点是需要在一个符合要求的电磁环境中试验,要达到这样一个电磁环境就必须建造一个造价昂贵的电波暗室。
1 测试方法介绍
电波暗室法适用的频率范围是 80 MHz~18 GHz。测试严酷度等级以射频电磁场的场强为单位,按照不同产品的不同要求分为25 V/m、50 V/m、75 V/m、100 V/m以及200 V/m多个等级。电波暗室法是一种必须在电波暗室中完成的电磁兼容抗扰度测试方法。
电波暗室是为了提供一个隔离的电磁兼容测试场所,以模拟开阔场测试。一个电波暗室最基本的组成是一个在内部反射面上(除地板外)装有吸收电磁波的材料的屏蔽室,设计的目的是为了在测试区域使反射的能量至少比直接发射方向的能量降低。
电波暗室中的射频电磁场是由能产生不同等级射频信号的射频能量源通过射频发射天线产生的。一套天线、放大器、射频信号发生装置能够覆盖测试频率范围。场强测试仪可用于确定正确的测试电磁场场强。为了降低测试误差,被测件工作状态的监测通常用光电转换耦合装置完成,以避免电磁信号耦合到线缆从而影响到监测设备的正常工作。
影响电波暗室法测试结果的关键就在于测试布置,包括接地板、被测件位置、测试线束布置、模拟负载布置以及天线的布置。
接地板材料是至少0.5 mm厚的铜板、黄铜板或者镀锌钢板;接地板的最小宽度是1000 mm。接地板的最小长度是2000 mm,或者被测件的长度加200 mm,两者取较大的。接地板应放置在距离地面900±100 mm的高度上。接地板应与屏蔽壳体相连,使直流接地电阻不超过2.5 mΩ。另外,接地带之间的间隔不大于0.3 m。
被测件的位置要求:被测件应放置在一低介电常数(εr≤1.4)的绝缘材料上,高于接地板50±5mm。除非是为了实际装车条件,被测件外壳不应与接地板连接,被测件的各个面应距离接地板边沿200±10mm。
测试线束布置规定: 测试线束平行与接地板前边沿的部分为1500±75 mm。被测件和模拟负载之间的测试线束的总长度不超过2000 mm。线束的类型由实际的系统和要求定义,测试线束应放置在一低介电常数(εr≤1.4)的绝缘材料上,高于接地板50±5 mm。测试线束平行与接地板前边沿的部分应为距离接地板边沿100±10 mm。
模拟负载布置情况:模拟负载适宜直接放置在接地板上。如果模拟负载有金属外壳,外壳应与接地板相连。模拟负载可以放置在接地板上,也可以放置在暗室外,提供的测试线束从被测件穿过墙体与接地板连接。当模拟负载放置在接地板上,负载的支流电源线应通过人工电源网络连接到电源。
天线的布置:天线的相位中心应在接地板以上100±10 mm的位置。天线的任何发射部件距离地板都不能少于250 mm。天线的任何发射部件距离任何吸波材料都不能少于500 mm,距离屏蔽壳体的墙或顶都不能少于1500 mm。线束和天线之间的距离应为1000±10 mm。
测试布置见图1。


图1 测试布置
总的干扰源和连接线束的布置等描绘出一个标准化的测试条件。被测件应设置在类似车上的典型的负载和其他条件下工作。
电波暗室法中的天线极化定义如下:从400 MHz~18 GHz,需测试水平极化。
从80 MHz~18 GHz,需测试垂直极化。
电波暗室法按照射频信号的监控参数可以分为替代法和场强校准法两种。其中替代法主要监控射频信号的功率,场强校准法主要监控射频电磁场场强。
2 小结
电波暗室法是一种应用较广的射频抗扰度测试方法,其测试结果的一致性也得到了公认。目前已经被各大整车厂商所采用,如:大众、通用、福特、标志、丰田、尼桑等都在各自的企业标准中定义了这种测试方法。在欧洲对车用电子装置的进口规范“欧洲汽车指令2004/104/EC”以及美国汽车协会SAE的规范中都采用了电波暗室法这种汽车零部件电磁兼容射频抗扰度测试方法。
参考文献:
[1] ISO/TC 22-Road Vehicles-Subcommittee SC3. ISO11452-1 Road
vehicles - Component test methods for electrical disturbances from narrowband radiated electromagnetic energy-Part 1 General Principles and terminology[S]. 2005.
[2] ISO/TC 22-Road Vehicles-Subcommittee SC3. ISO11452-2
Component test methods for electrical disturbances from narrowband radiated electromagnetic energy-Part 2 Absorber-lined shielded enclosure[S]. 2004.
EMC电磁兼容设计培训套装,视频教程,让您系统学习EMC知识...
射频工程师养成培训教程套装,助您快速成为一名优秀射频工程师...
上一篇:雷击浪涌发生器仪器介绍
下一篇:三相五线耦合去耦网络仪器参数介绍

