- 易迪拓培训,专注于微波、射频、天线设计工程师的培养
分立元件组成的电磁兼容电路
录入:edatop.com 点击:

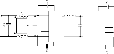
用分立元件组成的电磁兼容电路,虽然体积可能大一些,但也可以达到一定的效果,见图。VICOR公司在应用手册和特刊中有可供选择的元器件,使用这些元器件组成的电磁兼容电路可以用较小的体积获得较好的效果。
EMC电磁兼容设计培训套装,视频教程,让您系统学习EMC知识...
射频工程师养成培训教程套装,助您快速成为一名优秀射频工程师...
上一篇:【E问E答】电磁兼容基础知识问答?
下一篇:【E课堂】设计符合电磁兼容(EMC)标准的电机位置编码器接口
——
第2部分

