• 易迪拓培训,专注于微波、射频、天线设计工程师的培养
首页 > 电子设计 > EMC/EMI 设计 > 静电防护ESD > 新型浪涌电流限制器工作原理及其应用

新型浪涌电流限制器工作原理及其应用

录入:edatop.com    点击:

摘要:指出了功耗大、二次浪涌和功能不动作是传统限制浪涌电流方法的缺陷。提出了一种限制浪涌电流的新方法。最新的浪涌电流限制器件——KJH浪涌电流限制器,限制浪涌电流仅比正常工作电流峰值大1~2倍。特别适合要求严格的工业系统和军事系统。

关键词:浪涌电流;二次浪涌电流;限制器;功能不动作;

0 引言

    在AC/DC变换器启动瞬间,因对滤波电容器充电会产生一个很大的浪涌电流,它比系统正常工作电流大几倍乃至几十倍。浪涌电流会严重污染供电网络,影响其它电子设备的正常运行。有时会损坏电源开关、熔断器、EMI滤波器、整流桥、滤波电容,甚至印刷电路板等元器件。有时虽然看不到显性损坏,但是隐性损坏降低了设备的可靠性,这是更为糟糕的事情。为了改进开关电源的输入特性,提高其可靠性,减少对电网的污染,改善电子设备的使用环境,必须对浪涌电流加以限制。传统的限制浪涌电流的方法存在功耗大,二次浪涌,以及瞬时断电的功能不动作等问题。新型浪涌电流限制器件——KJH型浪涌电流限制器从根本上解决了这些问题。

1 限制浪涌电流的传统方法及其存在的问题

1.1  传统方法

    众所周知,在AC/DC变换器上电时,只要增加滤波电容 C 充电回路的环路电阻就可以减小浪涌电流。传统的方法有二种:

    1)在回路中串联一个适当的电阻(把电阻换成负温度系数热敏电阻是一种改进),既可以把浪涌电流限制在可接受的范围内,又不影响变换器的正常工作;

    2)在回路中串联一个电阻与一对触点相并联的组合,使在上电时触点断开,电阻串联在环路中起到限制浪涌电流的作用,待电源进入某种状态时触点接通,将电阻短路减小功耗,保证电源的正常工作。

    特别值得一提的是ST公司推出的STIL02器件[1],它是利用负温度系数热敏电阻与半桥转换开关组合来完成限制浪涌电流的功能。

1.2存在问题

1.2.1 二次浪涌电流

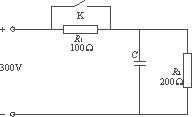
    如图1所示,我们把开关电源上电时的浪涌电流称为一次浪涌电流,把触点K接通时产生的浪涌电流称为二次浪涌电流。

图1    限流电阻与触点并联的浪涌电流限制电路

    当300V直流电压加到输入端时,电容器 C 以时间常数τ= R 1 C 充电,最大的一次浪涌电流 I SM=300V/100Ω=3A,稳态时 V C=200V, V R1=100V。当K接通时, R 1被K短路,100V的跃变电压直接加在电容器 C 的两端,就产生了二次浪涌电流。因为没有任何有效的电阻限流,二次浪涌电流会很大。为了兼顾一次浪涌电流和二次浪涌电流的均衡,一般 R 1的数值都不会很大。在几百W的电源(交流220V输入)中, R 1取值为几Ω~十几Ω,保证电源的浪涌电流在30A左右。

1.2.2   重复上电和功能不动作

    在传统方法中,负温度系数热敏电阻的散热或并联的触点通断都需要一定的反应时间。一般情况下,当输入电源跌落与瞬时断电时,为防止浪涌电流限制器的功能不动作,须规定开关电源通断的重复时间,否则,可能会因为功能不动作造成电源的损坏。

2    KJH型浪涌电流限制器

    KJH型浪涌电流限制器是限制开关电源浪涌电流的专用器件,是全新概念的限制浪涌电流的方法。其限流电阻的阻值是渐变的,而不是像传统方法中的阶跃方式。

2.1    工作原理

    KJH型浪涌电流限制器的原理框图如图2所示。其工作过程和信号流向如下:当A、B端输入上电信号,检测单元②立即使时序电路⑥进入启动程序,启动驱动单元④,使执行单元⑤的电阻值由大逐渐变小,从而达到限制浪涌电流和保证电源正常工作的目的。当A、B端输入掉电信号,则检测单元②使时序电路⑥转入复位程序,复位电路⑦工作,使驱动单元④和执行单元⑤立即复位,电阻值立即变大,等待下一次上电,重复前一次上电时经历的过程。

图2    KJH型浪涌电流限制器的原理框图

    其原理电路如图3所示,用一只(或一组)晶体三极管(执行单元)串联在滤波电容器充电回路中,其导通状态用一个由交流输入端控制的时序电路控制,即上电的初始瞬间晶体三极管处于微导通状态,在充电回路中呈现较大电阻值,然后逐渐使晶体三极管导通以至饱和,使其在回路中呈现电阻值很小,以保证电源的性能。对作为执行单元的晶体三极管要求如下:

    1)能耐受浪涌电流的冲击;

    2)能充分吸收浪涌电流携带的能量;

    3)其阻值变化(导通状态)与滤波电容的充电状态相协调;

    4)进入稳态时其阻值应尽量小。

图3    KJH型浪涌电流限制器原理图

    由上可见,KJH型浪涌电流限制器实际上是一个功率型电子电位器,是一种纯电阻性器件。开关电源上电时,电子电位器呈现较大的阻值,将浪涌电流限制在一个比较理想的数值上。随着滤波电容 C 的不断充电,电子电位器的阻值逐渐减小,稳态时其阻值达到最小值,保证了开关电源的正常工作。KJH型模块有4个引脚:2个交流输入端和“+”、“-”2个输出端。

2.2    应用电路

KJH型浪涌电流限制器的应用电路如图4(推荐)和图5所示。没有任何外接元件,只要把模块的四个引脚按图接入电路,不用调试即可正常工作。图4电路可以单只应用也可以多只应用。在多只应用时要求滤波电容C和模块功率进行合理分配(大电容配大功率模块)。

图4    应用电路1

图5    应用电路2

2.3  特点

  1)限制浪涌电流效果好由于没有二次浪涌电流的问题,允许初始上电时浪涌电流限制器的阻值比较大,因此,浪涌电流可以限制得比较小,仅比正常工作电流的峰值大1~2倍,甚至更小。

  2)不会出现功能不动作状态浪涌电流限制器的控制端信号与输入电压同步,得电即开始工作,失电即复位。

 3)功耗小浪涌电流限制器的阻值变化范围是上电时几十Ω至数百Ω,电源进入稳态时只有零点几Ω,所以,KJH型浪涌电流限制器工作时发热很少,500W以下的模块不需要专门的散热器。

 4)允许重复上电从电路工作原理上说输入电压的通断是不受限制的。但是,由于浪涌电流限制器在电路中承担吸收浪涌电流的所有能量,输入电压每一次接通都会储存一定的热量使模块温度升高,故允许的重复上电的次数和间隔时间是由器件的温升决定的。电源功率越大和滤波电容C值越大,允许的重复上电次数越少,要求的间隔时间越长。KJH型浪涌电流限制器模块的最新产品允许不受间隔时间限制地连续重复上电3~5次(功率越大次数越少)不会造成模块本身的损坏。这对于解决各种实用系统的开关抖动、误操作、输入电压跌落与瞬时断电是非常必要的,也是足够的了。

5)使用简单不需调试没有外接元件,接入电路即可正常工作。

6)体积小、模块化、可靠性高,可适应恶劣环境工作。

2.4  主要技术参数

在输入电压220V、50Hz,环境温度 T =25℃时的主要技术参数见表1。

表1 KJH型主要技术参数

型号 输出功率/W 外接电容/μF 浪涌电流/A 电压降/V 外形尺寸/mm×mm×mm
KJH2-040 40 100 4 <0.4 11×16×17
KJH2-100 100 220 6 <0.4 11×16×17
KJH2-250 250 330 10 <0.4 16×18×20
KJH2-350 350 470 14 <0.4 20×25×23
KJH2-500 500 550 16 <0.4 20×25×23
KJH2-1000 1000 1000 24 <0.4 51×51×10
 

3  结语

KJH型浪涌电流限制器是纯电阻性器件,不会对开关电源的其他部分产生不利影响。不需任何外接元件,按要求将模块的4个引脚接入电路,不用任何调试即可正常工作。体积小,模块化,可靠性高,能适应各种恶劣环境,特别适合要求严格的工业系统和军用系统。

EMC电磁兼容设计培训套装,视频教程,让您系统学习EMC知识...

射频工程师养成培训教程套装,助您快速成为一名优秀射频工程师...

上一篇:穿戴式电子产品ESD解决方案
下一篇:电子产品之ESD防护设计

EMC培训课程推荐详情>>

EMC电磁兼容视频培训教程EMC 电磁兼容设计专业培训视频套装,3门视频教程,让你系统学习电磁兼容知识和应用【More..

易迪拓培训课程列表详情>>

我们是来自于研发一线的资深工程师,专注并致力于射频、微波和天线设计工程师的培养

  网站地图