- 易迪拓培训,专注于微波、射频、天线设计工程师的培养
用单层PCB设计超低成本混合调谐器
今天,电视机与视讯转换盒应用中的大多数调谐器采用的都是传统单变换MOPLL概念。这种调谐器既能处理模拟电视讯号也能处理数字电视讯号,或是同时处理这两种电视讯号(即所谓的混合调谐器)。在设计这种调谐器时需考虑的关键因素包括低成本、低功耗、小尺寸以及对外部组件的选择。
本文将介绍如何用英飞凌的MOPLL调谐芯片TUA6039-2或其影像版TUA6037实现超低成本调谐器参考设计。这种单芯片ULC调谐器整合了射频和中频电路,可工作在5V或3.3V,功耗可降低34%。设计采用一块单层PCB,进一步降低了系统成本,同时能处理DVB-T/PAL/SECAM、ISDB-T/NTSC和ATSC/NTSC等混合讯号,可支持几乎全球所有地区标准。
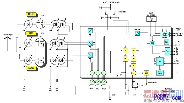
图1为采用TUA6039-2/TUA6037设计单变换调谐器架构图。该调谐器实际上不仅是一个射频调谐器,也是一个half NIM,因为它包括了中频模块。射频输入讯号透过一个简单的高通滤波器加上中频与民间频段(CB)陷波器的组合电路进行分离。该设计没有采用PIN二极管进行频段切换,而是采用一个非常简单的三工电路进行频段切换。天线阻抗透过高感抗耦合电路变换至已调谐的输入电路。然后透过英飞凌的高增益半偏置MOSFET BF5030W对预选讯号进行放大。BG5120K双MOSFET可以用于两个VHF频段。在接下来的调谐后带通滤波器电路中,则进行信道选择和邻道与影像频率等多余讯号的抑制。前级追踪陷波器和带通滤波器的容性影像频率补偿电路就是专门用来抑制影像频率。
图1:采用TUA 6039-2/TUA 6037的单变换调谐器架构图。
TUA6039-2是一款完整的三频段调谐器IC,包含3个混频器、3个振荡器、1个SAW驱动器和1个中频放大器等所有所需的主动组件。完整的PLL功能包括用于频段切换的4个PNP埠与一个NPN埠和一个作为内部调谐器AGC的宽带AGC检测器。配合最佳化的回路滤波器、4个可编程电荷泵电流电路、平衡式晶振和压控振荡器(采用英飞凌的双极技术),这种half NIM可获得适合所有数字设备的最佳相位噪声性能。TUA6039-2的平衡式中频输出讯号可以直接驱动随后中频电路中的SAW滤波器。然后,SAW输出的讯号再经过增益受控的芯片上放大器进一步放大,放大后的输出讯号可直接用于随后的解调器。射频到中频的转换也在芯片内部完成。
这种half NIM的耗电在+5V电源电压下不到130mA,功率不到650mW。如果采用+3.3V电源,则总功率只有429mW。这种功耗的显著节省对于可携式或手持式设备而言是一项极大优势。
采用单层PCB设计ULC调谐器已广为客户接受。在竞争激烈的电视调谐器市场中,任何成本上的改进都可能进一步降低生产成本。因此,单层PCB与双层PCB之间的任何成本差异对于调谐器的整体BOM(材料清单)来说都非常重要。图2为最终的PCB设计。该half NIM设计使用厚度1.6mm的单面FR4 PCB。
图2:采用TUA 6039-2/TUA 6037的混合调谐器的单层PCB设计。
图3为采用单层PCB的完整参考设计,尽管其尺寸可以进一步缩小,但该设计仍采用了标准的调谐器尺寸。
图3:采用单层PCB的超低成本调谐器参考设计。
在对PAL/DVB-T、NTSC/ATSC、NTSC/ISDB-T等标准电视讯号的混合接收中,这款采用单层PCB开发的参考设计表现出良好性能,它能处理T-DMB、DAB、DMB-TH、DVB-C和Open Cable等其它标准。在该设计中,使用时需根据所选标准是纯数字(如DVB-T)、纯模拟(如PAL/SECAM)或混合(如DVB-T+PAL/SECAM)类型,对PLL回路滤波器及后置滤波器进行配置。
62.5kHz参考频率抑制比取决于不同的回路滤波器及其后置滤波器的配置。虽然回路滤波器可以透过修改而覆盖混合模式下的166.67kHz和62.5kHz两个参考频率,但在相位噪声、参考频率抑制和PLL锁定时间这几个性能之间总会有所折衷。因此,强烈建议设计师在采用相应回路滤波器和后置滤波器配置之前先选好参考频率(62.5kHz或166.67kHz或二者皆用)。测量结果显示,单层PCB调谐器设计在混合接收模式下能够达到60dB甚至更高的参考频率抑制性能,足以满足模拟接收机的严格要求。
在开发参考设计过程中面临的挑战之一是如何在PCB上布置芯片的VQFN封装。在单层PCB上进行联机和接地降低了接地的灵活度。而接地在射频设计中是十分重要的,这是调谐器设计师面临的最大挑战。受接地影响的几个最关键的电气参数包括:对源自晶体的寄生讯号的抑制、PLL参考频率以及同样整合在ULC调谐器中的DC/DC变换器。本例设计中实现了约52dB的DC-DC频率寄生抑制和60dB的VCO参考频率寄生抑制。
VQFN封装与单层PCB带来的另一个问题就是IC的散热问题。为了改善散热性能,参考设计中将IC的背面暴露出来。这样做可以提高散热性能,例如可透过调谐器的框架散热。另外该芯片还可以工作在3.3V,不仅进一步降低功耗,还能减少发热。
在日常多媒体应用中,人们对射频调谐器电子产品的需求不断成长,制造商也要求缩小调谐器外型尺寸、减少功耗和降低成本。本文介绍的ULC调谐器设计是一种试图在成本、性能和功耗之间寻求最佳平衡的尝试。将TUA6039-2作为调谐器的核心组件,可在节能的3.3V电源电压下实现高性能混合调谐器。采用单层PCB则可进一步降低成本。整体而言,本文展示的ULC调谐器参考设计可大幅降低产品设计风险,并在不降低性能与质量的前提下缩短产品上市时间。
射频工程师养成培训教程套装,助您快速成为一名优秀射频工程师...
天线设计工程师培训课程套装,资深专家授课,让天线设计不再难...
上一篇:电子设备中电路板布局、布线和安装的抗ESD设计规则
下一篇:分析PCB设计技术

