- 易迪拓培训,专注于微波、射频、天线设计工程师的培养
一种小型化负介电常数零阶谐振天线的设计
1、引言
近年来,基于特异材料传输线的小型化天线,由于特异材料传输线所具有的独特色散特性,使该类天线成为目前研究的热点。当该类天线在处于零阶谐振工作模式时,其工作频率与天线的物理尺寸无关。由于该谐振模式的优越特性,使得天线的零阶谐振频率可以下降到非常低,从而达到小型化的目的。现阶段发展的特异材料传输线零阶谐振天线大致可以分为三类:复合左右手传输线零阶谐振天线, 负磁导率零阶谐振天线和负介电常数零阶谐振天线。对于以上不同形式的天线的性能优越性要求主要涉及到以下三方面,也即:辐射增益、工作带宽和小型化程度。鉴于此,介绍了在地面上腐蚀等边形的槽,以利于谐振器在零阶谐振模式储存较少的电磁能量的方法,有效地提高了该类天线的增益;另一方面, 对于如何展宽它们的工作带宽,也提出了卓有成效的方法。但是,如何设计小型化程度更为优越的特异材料传输线零阶谐振天线还未见相关系统地报道。
基于特异材料传输线零阶谐振天线的工作频点,虽然与天线的物理电尺寸无关,但是由于天线本身是由传输线单元构成,致使其谐振频率与天线的具体物理结构密切相关。可见,如何设计小型化程度与增益、带宽相互折衷的零阶谐振天线,对以后在该类天线的研究具有极为重要的意义。本文通过加载曲折线和寄生贴片的方式,成功设计出一种基于传统的特异材料传输线的新型小型化负介电常数零阶谐振天线。研究表明通过改变寄生贴片的尺寸,可以在较大的范围内调节天线的零阶谐振模式频率。该工作对于将来设计在一定的空间尺寸要求下的特异材料传输线天线具有一定的参考价值。
2、小型化负介电常数零阶谐振天线设计
本文设计出了一种小型化的负介电常数零阶谐振天线,其拓扑结构如图1所示。在图1(a)中,由于该天线的辐射阻抗相对于馈线的特性阻抗50Ω高得多,天线采用耦合馈电的形式使天线的辐射贴片部分与馈线部分达到良好匹配。天线的辐射贴片部分是由基于负介电常数传输线的一个单元组成。这种基于特异材料传输线单元,除了兼有传统右手传输线寄生的分布参量串联电感和并联电容部分,还具有由于贴片与地连接的接地通孔而产生的并联电感部分。

图1 (a)正视图;(b)侧视图。
具体的结构参数为:L=16.08mm,W=16.08mm,L1=5.49mm,W1=2.18mm,g1=0.11mm,L2=10.48mm,W2=3mm,D=0.8mm, g2=0.1mm,W3=0.1mm,W4=0.2mm;其中的介质板介电常数εr=3.38,厚度h=0.8mm
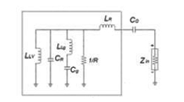
为了实现该天线的小型化,我们提出在辐射贴片的附近加载寄生单元,产生附加的电容与电感,以期在相同的天线总体尺寸下降低天线的零阶谐振工作频率,示于图1(a)虚线区域。一方面,我们加载了一定尺寸的寄生贴片,从而产生耦合电容。通过该方式产生的电容在中被称为虚拟地电容。另一方面,在辐射贴片和寄生贴片之间加载曲折线,从而进一步产生曲折线电感。图2给出了其等效电路模型。其中C0表示辐射贴片和馈线间的耦合电容;虚线所围区域为该天线对应的传输线模型:LR和CR分别表示普通传输线所固有的串联电感和并联电容;LLV表示接地通孔所提供的电感;LLg表示曲折线提供的电感;Cg表示虚拟地电容;R表示辐射电阻。

图2 所提出的小型化天线等效电路模型
上一篇:10米频段通讯天线的制作和架设
下一篇:基于耦合线左右手复合传输线的频扫天线阵设计


